Блок индикации состояния БИС-414 устанавливается на привод клапанов УПК, предназначен для передачи информации о состоянии клапана (открыт/закрыт) в виде электрических сигналов, а также визуальной индикации. Облегчает контроль состояния клапана системой управления и обеспечивает автоматизированную работу
Особенности:
- Простая установка непосредственно на привод клапана.
- Корпус с прозрачной крышкой.
- Возможность поворота корпуса на 360°.
- Светодиодные индикаторы состояния клапана (зеленый – открыто, красный – закрыто).
Устройство и принцип действия:
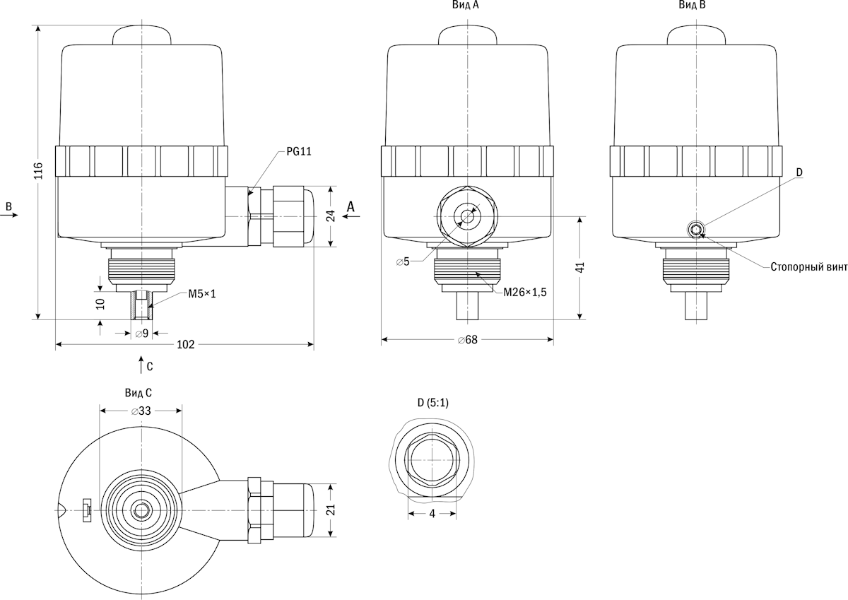
Прибор состоит из пластикового (полиамидного) корпуса с прозрачной крышкой, латунного присоединения с резьбой М26×1,5, кабельного ввода. Внутри корпуса находится шток с закрепленными на нем кулачками и две сборки, каждая из которых включает в себя плату с клеммником, светодиодными индикаторами и конечным выключателем (см. рис. 1).
При подключении питания на клеммники 1 и 2 загораются желтые индикаторы питания (см. рис. 1). Когда поршень клапана перемещается, это приводит в движение шток блока индикации, на котором закреплены кулачки 1 и 2. Для настройки положения кулачка открутите шестигранный фиксирующий винт, установите кулачок в желаемое положение, зафиксируйте винт (см. рис. 2).
Верхний кулачок 1 при открытом положении клапана воздействует на верхний конечный выключатель 1, происходит переключение «+» Uпит с контакта НЗ на контакт НО сборки 1, загорается зеленый светодиодный индикатор 1. Нижний кулачок 2, соответственно, при перемещении поршня в закрытое положение воздействует на нижний конечный выключатель 2, происходит переключение «+» Uпит с контакта НЗ на контакт НО сборки 2, загорается красный индикатор 2.
Рисунок 1
Внутренние элементы прибора
Рисунок 2
Настройка положения кулачков
Технические характеристики:
| Параметр | Значение |
| Контакты | 2 переключающих |
| Коммутационная способность | =3А, 12...48 В |
| Питание | =12...48 В |
| Ток потребления | 9...51 мА |
| Потребляемая мощность | 0,11...1,8 Вт |
| Присоединение | М26×1,5 |
| Присоединение гермоввода | PG11 |
| Степень пылевлагозащиты | IP65 |
| Материал корпуса | Полиамид |
| Материал присоединения | Латунь |
| Материал уплотнений | EPDM |
| Температура эксплуатации | −50...+100°C |
| Габаритные размеры | 116×68×102 мм |
| Вес | 256 г |
| Габаритные размеры |
|
Версия: 2026-04-03-СДГ