УПК22Ф-2 представляет собой пневматический клапан с поршнем, который открывается при подаче управляющего давления в первый порт клапана и закрывается при подаче управляющего давления во второй порт клапана.
Пневматический клапан УПК22Ф-2 предназначен для управления потоком рабочей среды в трубопроводе.
Особенности:
- Клапан нормально закрытый двустороннего действия
- Пневмопривод в комплекте
- Высокая пропускная способность
- Индикатор состояния клапана
- Защита трубопровода от гидравлических ударов благодаря специальной конструкции клапана
- Бесшумная работа
- Долгий срок службы
- Для защиты клапана от попадания инородных частиц необходима установка фильтра механической очистки перед входным отверстием крана.
- Для герметизации резьбовых/фланцевых металлических соединений рекомендуется использование анаэробных герметиков.
Технические характеристики:
| Параметр | Значение |
| Рабочая среда | Пар, вода, горячая вода, воздух, инертные
газы, масла, слабые кислоты и щелочи |
| Максимальная вязкость рабочей среды | 600 мм²/с |
| Материал | Корпуса клапана: нержавеющая сталь
Корпуса привода: нержавеющая сталь
Уплотнения: PTFE |
| Температура рабочей среды клапана | −10...+180°С |
| Температура эксплуатации | −10...+60°С |
| Рабочее давление среды | 0...1,6 МПа |
| Управляющая среда | Воздух, нейтральные газы |
| Управляющее давление | 0,3...1 МПа |
| Диаметр условного прохода Ду | 25 мм |
| Диаметр эффективный Дэф | 22 мм |
| Диаметр привода | 63 мм |
| Коэффициент пропускной способности Kv | 14 м3/ч |
| Присоединение | Фланцевое F1" |
| Присоединение воздуховодов | G⅛" |
| Габаритные размеры | 215×140×115 мм |
| Вес | 3300 г |
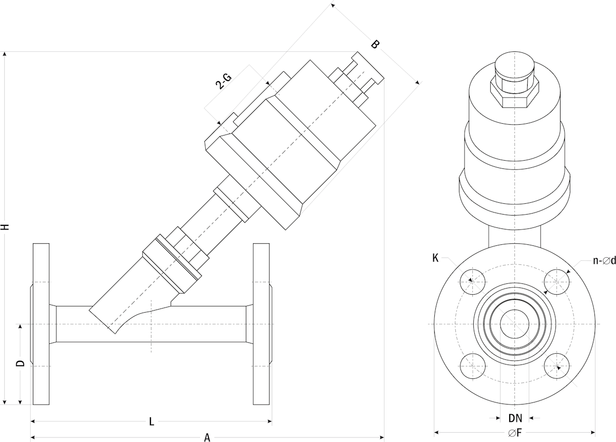
| Габаритные размеры |
 |
| Модель | G | F | DN | Размеры, мм |
| A | B | D | n-∅ d | H | L | K |
| УПК22Ф-2-6325-S FSP | ⅛" | 114 | 25 | 210 | 67 | 58 | 4-14 | 218 | 142 | 86 |
Расшифровка обозначения УПК22Ф-2-6325-S XYZ:
УПК22Ф – модель клапана.
2 – тип клапана: двустороннего действия.
63 – диаметр привода.
25 – Ду, мм (диаметр условного прохода).
S – материал корпуса привода: нержавеющая сталь.
X – присоединение: F – фланцевое.
Y – материал корпуса клапана: S – нержавеющая сталь.
Z – материал уплотнения: P – PTFE.
Версия: 2025-11-14-СДГ