Термопара предназначена для измерения температуры жидких и газообразных сред, неагрессивных к материалу корпуса датчика, а также твердых тел — нагревательных поверхностей и плит, нагревательных элементов и т.д.
Прежнее название термопары ТП-А-4401: ТП-А-2488-1
Принцип действия и конструкция: Термопара представляет собой два термоэлектрода из различных металлов, спаянных между собой. При помещении одного спая (рабочего) в измеряемую среду вследствие разницы температур спаев по термоэлектродам протекает ЭДС, прямо пропорциональная разности этих температур.
Кабельный вывод обеспечивает удобство и быстроту монтажа, но ограничивает верхний предел измеряемых температур до +400°С.
Внимание! Максимальная температура места перехода «арматура-кабельный вывод» не более +300°С.
| Полярность | ХА(К) | ХК (L)
| ЖК (J)
| НН (N)
| ХКн (E)
| МКн (Т)
|
| «+» | красная жила
(хромель) | красная жила
(хромель) | красная жила
(железо) | красная жила
(нихросил) | красная жила
(хромель) | красная жила
(медь) |
| «−» | зеленая жила
(алюмель) | оранжевая жила
(копель) | синяя жила
(константан) | белая жила
(нисил) | черная жила
(константан) | коричневая жила
(константан) |
| Параметр | Значение | ||
| Номинальная статическая характеристика | ХА (К), ЖК (J) – стандарт
ХК (L), НН (N), ХКн (E), МКн (Т) – по заказу | ||
| Диапазон измеряемых температур | −40...+400°С
| ||
| Условное давление
| 2,0 МПа
| ||
| Класс допуска датчика
| 2
| ||
| Допустимое отклонение
| ±3°С
| ||
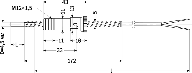
| Длина монтажной части (L)
| 10 мм, 13 мм – стандарт,
20 мм, 30 мм, 40 мм, 50 мм, 60 мм, 70 мм, 80 мм, 90 мм, 100 мм – по заказу | ||
| Диаметр монтажной части (D) | 4,5 мм
| ||
| Присоединение | байонет М12×1,5 | ||
| Длина кабельного вывода (l)
| 2000 мм – стандарт
до 50 000 мм – по заказу погрешность длины кабельного вывода ±3% | ||
| Тип спая
| неизолированный
| ||
| Тепловая инерция
| ≤ 10 с
| ||
| Материал корпуса датчика
| нержавеющая сталь
| ||
| Провод | ПТНЭ-А, одножильный | ||
| Сечение провода | 2×0,2 мм² | ||
| Наружные размеры провода | 2×3 мм | ||
| Степень защиты
| IP54
| ||
| Габаритные размеры |
|
| Класс допуска | 1
| 2
| ||
| Тип | Диапазон измерения | Допустимые отклонения | Диапазон измерения | Допустимые
отклонения |
| ХА (К)
| −40...+375°С
| ±1,5°С
| −40...+333°С
| ±2,5°С
|
| +375...+1000°С
| ±0,004Т
| +333...+1300°С
| ±0,0075Т
| |
| ХК (L)
| – | – | −40...+360°С
| ±2,5°С
|
| – | – | +360...+800°С
| ±(0,7°С+0,005T)
| |
| ЖК (J)
| −40...+375°С
| ±1,5°С
| −40...+333°С
| ±2,5°С
|
| +375...+750°С
| ±0,004Т
| +333...+900°С
| ±0,0075Т
| |
| НН (N)
| −40...+375°С
| ±1,5°С
| −40...+333°С
| ±2,5°С
|
| +375...+1000°С
| ±0,004Т
| +333...+1300°С
| ±0,0075Т
| |
| ХКн (E)
| −40...+375°С
| ±1,5°С
| −40...+333°С
| ±2,5°С
|
| +375...+800°С
| ±0,004Т
| +333...+990°С
| ±0,0075Т
| |
| МКн (Т)
| −40...+125°С
| ±0,5°С
| −40...+135°С
| ±1,0°С
|
| +125...+350°С
| ±0,004Т
| +135...+350°С
| ±0,0075Т
| |
| ПП (S)
| 0...+1100°С
| ±1,0°С
| 0...+600°С
| ±1,5°С
|
| +1100...+1600°С
| ±(1,0+0,003(Т−1100))
| +600...+1600°С
| ±0,0025Т
| |
| Документ | Дата изменения | Размер | Файл |
| Декларация о соответствии | 23.05.2016 | 0.77 Мб |
| Артикул | Длина монтажной части, мм | Градуировка | Срок поставки | Стоимость |
|---|---|---|---|---|
| Артикул | Модель | Длина монтажной части, мм | Градуировка | Срок поставки | Стоимость |
|---|
| Артикул | Свойства | Срок поставки | Стоимость | ||
|---|---|---|---|---|---|
| Артикул | Свойства | Срок поставки | Стоимость | ||
|---|---|---|---|---|---|
| Артикул | Модель | Длина монтажной части, мм | Градуировка | Срок поставки | Стоимость |
|---|---|---|---|---|---|
| O95749 | ТП-А-4401-4,5-М12х1,5-010-ХА-2,0 | 10 | ХА | Со склада | 468 руб. |
| O95750 | ТП-А-4401-4,5-М12х1,5-013-ЖК-2,0 | 13 | ЖК | Со склада | 468 руб. |
| Артикул | Модель | Длина монтажной части, мм | Градуировка | Срок поставки | Стоимость |
|---|---|---|---|---|---|
| O95749 | ТП-А-4401-4,5-М12х1,5-010-ХА-2,0 | 10 | ХА | Со склада | 468 руб. |
| O95750 | ТП-А-4401-4,5-М12х1,5-013-ЖК-2,0 | 13 | ЖК | Со склада | 468 руб. |
Отзывы на этот товар пока отсутствуют.


