| Производитель | TORK | Danfoss |
| Модель/серия | T-SYDF | EV220B |
| Параметр
| Значение
| |
| Рабочая среда | Пар, вода, горячая вода | |
| Материал | Корпуса | Нержавеющая сталь
|
| Уплотнения | PTFE | |
| Температура рабочей среды | −20…+180°С
| |
| Температура окружающей среды | −30…+50°С | |
| Рабочее давление | 0,05...1,6 МПа | |
| Диаметр условного прохода | 25...150 мм | |
| Присоединение | Фланцевое F1"...F6" | |
| Питание | ~220 В, ~110 В, ~24 В
=24 В, =12 В | |
| Катушка
|
Мощность
| AC
| DC
| |||
| ~220 В
| ~110 В | ~24 В | =24 В
| =12 В
| ||
| Для Ду=25...50 мм
| ||||||
| S21H
IP65 | 22 ВА | V
| V
| V
|
|
|
| 15 Вт |
|
|
| V
| V
| |
| ASEx282*
IP65 | 24 ВА | V
| V | V |
|
|
| 17 Вт |
|
|
| V | V | |
| ASEx1320*
IP65 | 28 ВА | V |
|
|
|
|
| 20 Вт |
|
|
| V | V | |
| ASE21H**
IP65 | 5,5 ВА | V |
|
|
|
|
| 10 Вт |
|
|
| V | V | |
| Для Ду=65...150 мм
| ||||||
| YG1B
IP54 | 30 ВА | V | V | V | ||
| 21 Вт | V | V | ||||
| Модель | Ду, мм | Kv, м³/ч
| Присоединение | Pmin, МПа | Pmax, МПа | Вес, г
|
| AR-YCP31-25F-1-FSP
| 25
| 10 | F1"
| 0,05
| 1,6
| 3300
|
| AR-YCP31-32F-1.1/4-FSP
| 32
| 20
| F1¼" | 4800
| ||
| AR-YCP31-40F-1.1/2-FSP
| 40
| 25
| F1½" | 6200
| ||
| AR-YCP31-50F-2-FSP
| 50 | 41 | F2" | 8100
| ||
| AR-YCP31-65F-2.1/2-FSP | 65
| 73
| F2½" | 23 100
| ||
| AR-YCP31-80F-3-FSP
| 80
| 107
| F3" | 32 500
| ||
| AR-YCP31-100F-4-FSP
| 100
| 136
| F4" | 43 400
| ||
| AR-YCP31-125F-5-FSP
| 125
| 171
| F5" | 55 500
| ||
| AR-YCP31-150F-6-FSP
| 150
| 273
| F6" | 85 000
|
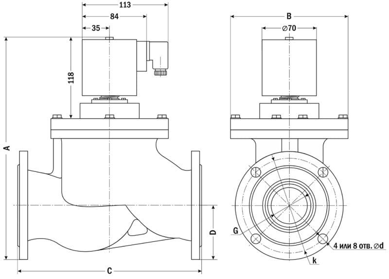
| Габаритные размеры (Ду=25...50 мм)
|
|
| Размер, мм
| AR-YCP31-25F
| AR-YCP31-32F
| AR-YCP31-40F
| AR-YCP31-50F
|
| A
| 185
| 190
| 210
| 220
|
| ∅B
| 113
| 133
| 140
| 158
|
| C
| 127
| 158
| 160
| 190
|
| G
| F1" | F1¼" | F1½" | F2" |
| ∅ d
| 14
| 18
| 18
| 18
|
| k
| 87
| 100
| 110
| 125
|
| Габаритные размеры (Ду=65...150 мм)
|
|
| Размер, мм
| AR-YCP31-65F
| AR-YCP31-80F
| AR-YCP31-100F
| AR-YCP31-125F | AR-YCP31-150F
|
| A
| 342
| 357
| 392
| 422
| 543
|
| ∅B
| 177
| 226
| 248
| 264
| 285
|
| C
| 280
| 297
| 340
| 390
| 480
|
| D
| 92
| 99
| 110
| 123
| 143
|
| G
| F2½" | F3" | F4" | F5" | F6" |
| d
| 18
| 18
| 18
| 18
| 21
|
| k
| 146
| 162
| 180
| 212
| 240
|
| Кол-во отверстий
| 4
| 8
| 8
| 8
| 8
|
| Документ | Дата изменения | Размер | Файл |
| Руководство по эксплуатации (Ду=25...50 мм) | 06.03.2025 | 0.4 Мб | |
| Руководство по эксплуатации (Ду=65...150 мм) | 06.03.2025 | 0.43 Мб |
| Артикул | Диаметр условного прохода, мм | Модель катушки | Питание, В | Срок поставки | Стоимость |
|---|---|---|---|---|---|
| Артикул | Диаметр условного прохода, мм | Модель катушки | Питание, В | Срок поставки | Стоимость |
|---|
| Артикул | Свойства | Срок поставки | Стоимость | ||
|---|---|---|---|---|---|
| Артикул | Свойства | Срок поставки | Стоимость | ||
|---|---|---|---|---|---|
| Артикул | Диаметр условного прохода, мм | Модель катушки | Питание, В | Срок поставки | Стоимость |
|---|---|---|---|---|---|
| O59763 | 25 | S21H | ~220 | Со склада | 36821 руб. |
| O59784 | 25 | S21H | ~110 | Со склада (комплектация 1..72 часа) | 36921 руб. |
| O59797 | 25 | S21H | ~24 | Со склада (комплектация 1..72 часа) | 36921 руб. |
| O59810 | 25 | S21H | =24 | Со склада | 36921 руб. |
| O59831 | 25 | S21H | =12 | Со склада (комплектация 1..72 часа) | 36921 руб. |
| O59767 | 25 | ASE21H | ~220 | Со склада (комплектация 1..72 часа) | 38371 руб. |
| O59814 | 25 | ASE21H | =24 | Со склада (комплектация 1..72 часа) | 38471 руб. |
| O59835 | 25 | ASE21H | =12 | Со склада (комплектация 1..72 часа) | 38471 руб. |
| O59771 | 25 | ASEx1320 | ~220 | Со склада (комплектация 1..72 часа) | 50011 руб. |
| O59839 | 25 | ASEx1320 | =12 | Со склада (комплектация 1..72 часа) | 50111 руб. |
| O59775 | 25 | ASEx282 | ~220 | Со склада (комплектация 1..72 часа) | 43128 руб. |
| O59788 | 25 | ASEx282 | ~110 | Со склада (комплектация 1..72 часа) | 43228 руб. |
| O59822 | 25 | ASEx282 | =24 | Со склада (комплектация 1..72 часа) | 43228 руб. |
| O59843 | 25 | ASEx282 | =12 | Со склада (комплектация 1..72 часа) | 43228 руб. |
| O59764 | 32 | S21H | ~220 | Со склада | 51047 руб. |
| O59785 | 32 | S21H | ~110 | Со склада (комплектация 1..72 часа) | 51147 руб. |
| O59798 | 32 | S21H | ~24 | Со склада (комплектация 1..72 часа) | 51147 руб. |
| O59811 | 32 | S21H | =24 | Со склада (комплектация 1..72 часа) | 51147 руб. |
| O59832 | 32 | S21H | =12 | Со склада (комплектация 1..72 часа) | 51147 руб. |
| O59768 | 32 | ASE21H | ~220 | Со склада (комплектация 1..72 часа) | 52597 руб. |
| O59815 | 32 | ASE21H | =24 | Со склада (комплектация 1..72 часа) | 52697 руб. |
| O59836 | 32 | ASE21H | =12 | Со склада (комплектация 1..72 часа) | 52697 руб. |
| O59772 | 32 | ASEx1320 | ~220 | Со склада (комплектация 1..72 часа) | 64237 руб. |
| O59840 | 32 | ASEx1320 | =12 | Со склада (комплектация 1..72 часа) | 64337 руб. |
| O59776 | 32 | ASEx282 | ~220 | Со склада (комплектация 1..72 часа) | 57354 руб. |
| O59789 | 32 | ASEx282 | ~110 | Со склада (комплектация 1..72 часа) | 57454 руб. |
| O59823 | 32 | ASEx282 | =24 | Со склада (комплектация 1..72 часа) | 57454 руб. |
| O59844 | 32 | ASEx282 | =12 | Со склада (комплектация 1..72 часа) | 57454 руб. |
| O59765 | 40 | S21H | ~220 | Со склада | 53976 руб. |
| O59786 | 40 | S21H | ~110 | Со склада (комплектация 1..72 часа) | 54076 руб. |
| O59799 | 40 | S21H | ~24 | Со склада (комплектация 1..72 часа) | 54076 руб. |
| O59812 | 40 | S21H | =24 | Со склада (комплектация 1..72 часа) | 54076 руб. |
| O59833 | 40 | S21H | =12 | Со склада (комплектация 1..72 часа) | 54076 руб. |
| O59769 | 40 | ASE21H | ~220 | Со склада (комплектация 1..72 часа) | 55526 руб. |
| O59816 | 40 | ASE21H | =24 | Со склада (комплектация 1..72 часа) | 55626 руб. |
| O59837 | 40 | ASE21H | =12 | Со склада (комплектация 1..72 часа) | 55626 руб. |
| O59773 | 40 | ASEx1320 | ~220 | Со склада (комплектация 1..72 часа) | 67166 руб. |
| O59841 | 40 | ASEx1320 | =12 | Со склада (комплектация 1..72 часа) | 67266 руб. |
| O59777 | 40 | ASEx282 | ~220 | Со склада (комплектация 1..72 часа) | 60283 руб. |
| O59790 | 40 | ASEx282 | ~110 | Со склада (комплектация 1..72 часа) | 60383 руб. |
| O59824 | 40 | ASEx282 | =24 | Со склада (комплектация 1..72 часа) | 60383 руб. |
| O59845 | 40 | ASEx282 | =12 | Со склада (комплектация 1..72 часа) | 60383 руб. |
| O59766 | 50 | S21H | ~220 | Со склада | 71968 руб. |
| O59787 | 50 | S21H | ~110 | Со склада (комплектация 1..72 часа) | 72068 руб. |
| O59800 | 50 | S21H | ~24 | Со склада (комплектация 1..72 часа) | 72068 руб. |
| O59813 | 50 | S21H | =24 | Со склада (комплектация 1..72 часа) | 72068 руб. |
| O59834 | 50 | S21H | =12 | Со склада (комплектация 1..72 часа) | 72068 руб. |
| O59770 | 50 | ASE21H | ~220 | Со склада (комплектация 1..72 часа) | 73518 руб. |
| O59817 | 50 | ASE21H | =24 | Со склада (комплектация 1..72 часа) | 73618 руб. |
| O59838 | 50 | ASE21H | =12 | Со склада (комплектация 1..72 часа) | 73618 руб. |
| O59774 | 50 | ASEx1320 | ~220 | Со склада (комплектация 1..72 часа) | 85158 руб. |
| O59842 | 50 | ASEx1320 | =12 | Со склада (комплектация 1..72 часа) | 85258 руб. |
| O59778 | 50 | ASEx282 | ~220 | Со склада (комплектация 1..72 часа) | 78275 руб. |
| O59791 | 50 | ASEx282 | ~110 | Со склада (комплектация 1..72 часа) | 78375 руб. |
| O59825 | 50 | ASEx282 | =24 | Со склада (комплектация 1..72 часа) | 78375 руб. |
| O59846 | 50 | ASEx282 | =12 | Со склада (комплектация 1..72 часа) | 78375 руб. |
| O59782 | 125 | YG1B | ~220 | Со склада | 238992 руб. |
| O59808 | 125 | YG1B | ~24 | Со склада (комплектация 1..72 часа) | 239092 руб. |
| O59850 | 125 | YG1B | =12 | Со склада (комплектация 1..72 часа) | 239092 руб. |
| O59783 | 150 | YG1B | ~220 | Со склада | 388128 руб. |
| O59809 | 150 | YG1B | ~24 | Со склада (комплектация 1..72 часа) | 388228 руб. |
| O59851 | 150 | YG1B | =12 | Со склада (комплектация 1..72 часа) | 388228 руб. |
| Артикул | Диаметр условного прохода, мм | Модель катушки | Питание, В | Срок поставки | Стоимость |
|---|---|---|---|---|---|
| O59763 | 25 | S21H | ~220 | Со склада | 36821 руб. |
| O59784 | 25 | S21H | ~110 | Со склада (комплектация 1..72 часа) | 36921 руб. |
| O59797 | 25 | S21H | ~24 | Со склада (комплектация 1..72 часа) | 36921 руб. |
| O59810 | 25 | S21H | =24 | Со склада | 36921 руб. |
| O59831 | 25 | S21H | =12 | Со склада (комплектация 1..72 часа) | 36921 руб. |
| O59767 | 25 | ASE21H | ~220 | Со склада (комплектация 1..72 часа) | 38371 руб. |
| O59814 | 25 | ASE21H | =24 | Со склада (комплектация 1..72 часа) | 38471 руб. |
| O59835 | 25 | ASE21H | =12 | Со склада (комплектация 1..72 часа) | 38471 руб. |
| O59771 | 25 | ASEx1320 | ~220 | Со склада (комплектация 1..72 часа) | 50011 руб. |
| O59818 | 25 | ASEx1320 | =24 | Под заказ к 2026.07.01 | 50111 руб. |
| O59839 | 25 | ASEx1320 | =12 | Со склада (комплектация 1..72 часа) | 50111 руб. |
| O59775 | 25 | ASEx282 | ~220 | Со склада (комплектация 1..72 часа) | 43128 руб. |
| O59788 | 25 | ASEx282 | ~110 | Со склада (комплектация 1..72 часа) | 43228 руб. |
| O59801 | 25 | ASEx282 | ~24 | 120 дней | 43228 руб. |
| O59822 | 25 | ASEx282 | =24 | Со склада (комплектация 1..72 часа) | 43228 руб. |
| O59843 | 25 | ASEx282 | =12 | Со склада (комплектация 1..72 часа) | 43228 руб. |
| O59764 | 32 | S21H | ~220 | Со склада | 51047 руб. |
| O59785 | 32 | S21H | ~110 | Со склада (комплектация 1..72 часа) | 51147 руб. |
| O59798 | 32 | S21H | ~24 | Со склада (комплектация 1..72 часа) | 51147 руб. |
| O59811 | 32 | S21H | =24 | Со склада (комплектация 1..72 часа) | 51147 руб. |
| O59832 | 32 | S21H | =12 | Со склада (комплектация 1..72 часа) | 51147 руб. |
| O59768 | 32 | ASE21H | ~220 | Со склада (комплектация 1..72 часа) | 52597 руб. |
| O59815 | 32 | ASE21H | =24 | Со склада (комплектация 1..72 часа) | 52697 руб. |
| O59836 | 32 | ASE21H | =12 | Со склада (комплектация 1..72 часа) | 52697 руб. |
| O59772 | 32 | ASEx1320 | ~220 | Со склада (комплектация 1..72 часа) | 64237 руб. |
| O59819 | 32 | ASEx1320 | =24 | 120 дней | 64337 руб. |
| O59840 | 32 | ASEx1320 | =12 | Со склада (комплектация 1..72 часа) | 64337 руб. |
| O59776 | 32 | ASEx282 | ~220 | Со склада (комплектация 1..72 часа) | 57354 руб. |
| O59789 | 32 | ASEx282 | ~110 | Со склада (комплектация 1..72 часа) | 57454 руб. |
| O59802 | 32 | ASEx282 | ~24 | 120 дней | 57454 руб. |
| O59823 | 32 | ASEx282 | =24 | Со склада (комплектация 1..72 часа) | 57454 руб. |
| O59844 | 32 | ASEx282 | =12 | Со склада (комплектация 1..72 часа) | 57454 руб. |
| O59765 | 40 | S21H | ~220 | Со склада | 53976 руб. |
| O59786 | 40 | S21H | ~110 | Со склада (комплектация 1..72 часа) | 54076 руб. |
| O59799 | 40 | S21H | ~24 | Со склада (комплектация 1..72 часа) | 54076 руб. |
| O59812 | 40 | S21H | =24 | Со склада (комплектация 1..72 часа) | 54076 руб. |
| O59833 | 40 | S21H | =12 | Со склада (комплектация 1..72 часа) | 54076 руб. |
| O59769 | 40 | ASE21H | ~220 | Со склада (комплектация 1..72 часа) | 55526 руб. |
| O59816 | 40 | ASE21H | =24 | Со склада (комплектация 1..72 часа) | 55626 руб. |
| O59837 | 40 | ASE21H | =12 | Со склада (комплектация 1..72 часа) | 55626 руб. |
| O59773 | 40 | ASEx1320 | ~220 | Со склада (комплектация 1..72 часа) | 67166 руб. |
| O59820 | 40 | ASEx1320 | =24 | 120 дней | 67266 руб. |
| O59841 | 40 | ASEx1320 | =12 | Со склада (комплектация 1..72 часа) | 67266 руб. |
| O59777 | 40 | ASEx282 | ~220 | Со склада (комплектация 1..72 часа) | 60283 руб. |
| O59790 | 40 | ASEx282 | ~110 | Со склада (комплектация 1..72 часа) | 60383 руб. |
| O59803 | 40 | ASEx282 | ~24 | 120 дней | 60383 руб. |
| O59824 | 40 | ASEx282 | =24 | Со склада (комплектация 1..72 часа) | 60383 руб. |
| O59845 | 40 | ASEx282 | =12 | Со склада (комплектация 1..72 часа) | 60383 руб. |
| O59766 | 50 | S21H | ~220 | Со склада | 71968 руб. |
| O59787 | 50 | S21H | ~110 | Со склада (комплектация 1..72 часа) | 72068 руб. |
| O59800 | 50 | S21H | ~24 | Со склада (комплектация 1..72 часа) | 72068 руб. |
| O59813 | 50 | S21H | =24 | Со склада (комплектация 1..72 часа) | 72068 руб. |
| O59834 | 50 | S21H | =12 | Со склада (комплектация 1..72 часа) | 72068 руб. |
| O59770 | 50 | ASE21H | ~220 | Со склада (комплектация 1..72 часа) | 73518 руб. |
| O59817 | 50 | ASE21H | =24 | Со склада (комплектация 1..72 часа) | 73618 руб. |
| O59838 | 50 | ASE21H | =12 | Со склада (комплектация 1..72 часа) | 73618 руб. |
| O59774 | 50 | ASEx1320 | ~220 | Со склада (комплектация 1..72 часа) | 85158 руб. |
| O59821 | 50 | ASEx1320 | =24 | 120 дней | 85258 руб. |
| O59842 | 50 | ASEx1320 | =12 | Со склада (комплектация 1..72 часа) | 85258 руб. |
| O59778 | 50 | ASEx282 | ~220 | Со склада (комплектация 1..72 часа) | 78275 руб. |
| O59791 | 50 | ASEx282 | ~110 | Со склада (комплектация 1..72 часа) | 78375 руб. |
| O59804 | 50 | ASEx282 | ~24 | 120 дней | 78375 руб. |
| O59825 | 50 | ASEx282 | =24 | Со склада (комплектация 1..72 часа) | 78375 руб. |
| O59846 | 50 | ASEx282 | =12 | Со склада (комплектация 1..72 часа) | 78375 руб. |
| O59779 | 65 | YG1B | ~220 | Под заказ к 2026.07.01 | 162524 руб. |
| O59792 | 65 | YG1B | ~110 | 120 дней | 162624 руб. |
| O59805 | 65 | YG1B | ~24 | Под заказ к 2026.07.01 | 162624 руб. |
| O59826 | 65 | YG1B | =24 | Под заказ к 2026.07.01 | 162624 руб. |
| O59847 | 65 | YG1B | =12 | 120 дней | 162624 руб. |
| O59780 | 80 | YG1B | ~220 | Под заказ к 2026.07.01 | 206881 руб. |
| O59793 | 80 | YG1B | ~110 | 120 дней | 206981 руб. |
| O59806 | 80 | YG1B | ~24 | 120 дней | 206981 руб. |
| O59827 | 80 | YG1B | =24 | Под заказ к 2026.07.01 | 206981 руб. |
| O59848 | 80 | YG1B | =12 | 120 дней | 206981 руб. |
| O59781 | 100 | YG1B | ~220 | Под заказ к 2026.07.01 | 212160 руб. |
| O59794 | 100 | YG1B | ~110 | 120 дней | 212260 руб. |
| O59807 | 100 | YG1B | ~24 | 120 дней | 212260 руб. |
| O59828 | 100 | YG1B | =24 | Под заказ к 2026.07.01 | 212260 руб. |
| O59849 | 100 | YG1B | =12 | 120 дней | 212260 руб. |
| O59782 | 125 | YG1B | ~220 | Со склада | 238992 руб. |
| O59795 | 125 | YG1B | ~110 | 120 дней | 239092 руб. |
| O59808 | 125 | YG1B | ~24 | Со склада (комплектация 1..72 часа) | 239092 руб. |
| O59829 | 125 | YG1B | =24 | Под заказ к 2026.07.01 | 239092 руб. |
| O59850 | 125 | YG1B | =12 | Со склада (комплектация 1..72 часа) | 239092 руб. |
| O59783 | 150 | YG1B | ~220 | Со склада | 388128 руб. |
| O59796 | 150 | YG1B | ~110 | 120 дней | 388228 руб. |
| O59809 | 150 | YG1B | ~24 | Со склада (комплектация 1..72 часа) | 388228 руб. |
| O59830 | 150 | YG1B | =24 | 120 дней | 388228 руб. |
| O59851 | 150 | YG1B | =12 | Со склада (комплектация 1..72 часа) | 388228 руб. |
Отзывы на этот товар пока отсутствуют.



