| Параметр
| Значение
|
| Тип крана
| L (переключающий) |
| Рабочая среда | Пар, вода, горячая вода, воздух, инертные газы, природный газ, масла, азотная кислота, уксус |
| Материал | Корпуса: нержавеющая сталь
Уплотнения: PTFE |
| Температура рабочей среды | −20...+150°С
|
| Рабочее давление | 0,0...1,6 МПа
|
| Диаметр условного прохода | 15...100 мм |
| Присоединение крана
| Фланцевое F½"...F4" |
| Стандарт присоединения крана к приводу
| ISO5211
|
| Модель электропривода | ЭПР1 |
| Питание электропривода | ~220 В, =24 В или от трехфазной сети ~380 В |
| Модель
| Ду, мм
| Kv, м³/ч
| Присоединение
| Посадочный размер крана, мм
| Вес, г
|
| КПР-Т3Ф-015 FSP | 15 | 20 | F½" | 11×11 | 3460 |
| КПР-Т3Ф-020 FSP | 20 | 38 | F¾" | 11×11 | 4000 |
| КПР-Т3Ф-025 FSP | 25 | 69 | F1" | 11×11 | 4960 |
| КПР-Т3Ф-032 FSP | 32 | 93 | F1¼" | 14×14 | 19700 |
| КПР-Т3Ф-040 FSP | 40 | 144 | F1½" | 14×14 | 23480 |
| КПР-Т3Ф-050 FSP | 50 (47) | 229
| F2"
| 14×14
| 11450 |
| КПР-Т3Ф-065 FSP | 65
| 404
| F2½"
| 17×17 | 18380 |
| КПР-Т3Ф-080 FSP | 80 | 573 | F3" | 17×17 | н.д |
| КПР-Т3Ф-100 FSP | 100
| 936
| F4"
| 22×22 | 32370 |
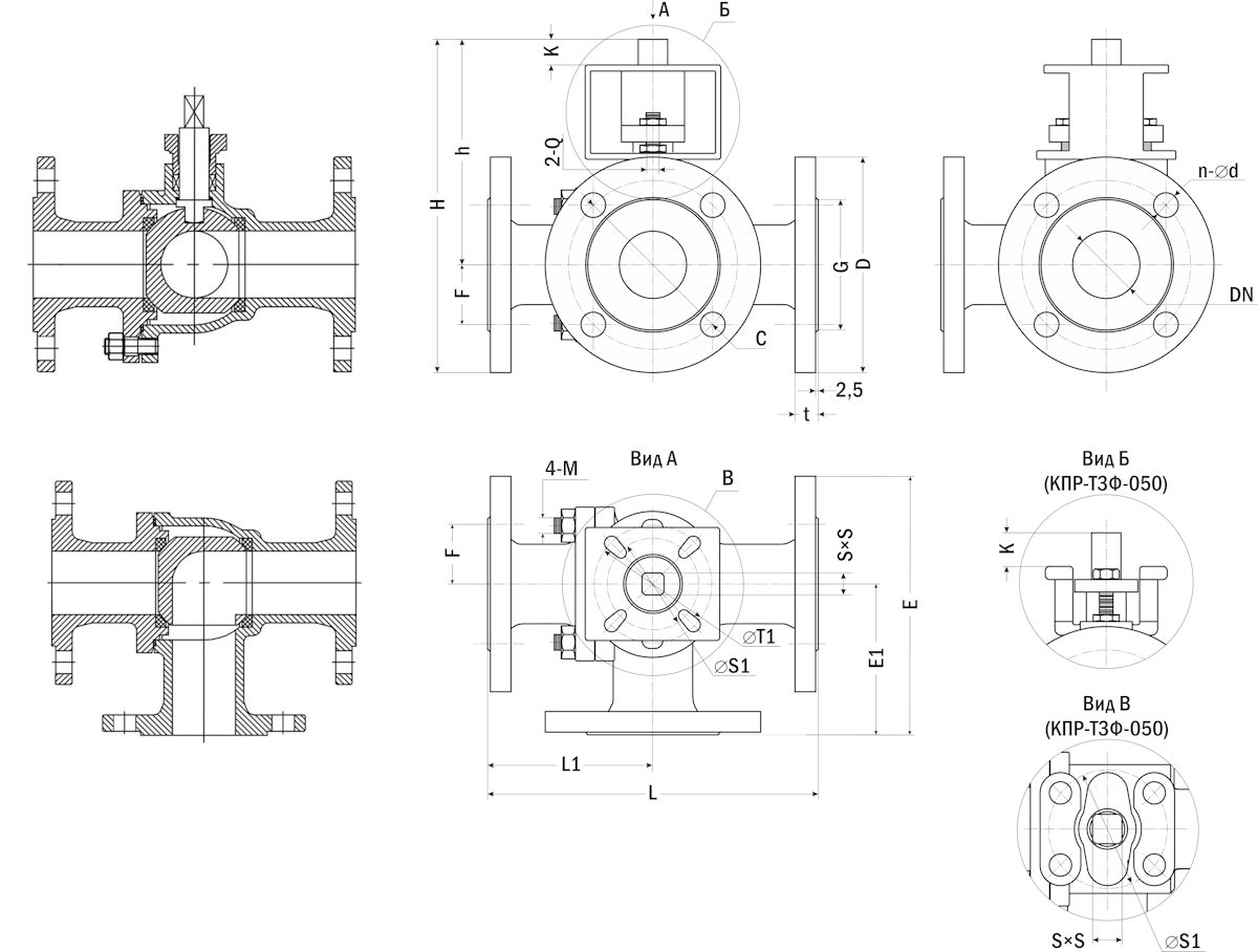
| Габаритные размеры
|
![]() |
| Модель
| DN
| Размеры, мм
| ||||||||||||||||||
| C
| D
| Е | Е1 | F | G | K
| h | H
| L
| L1
| 2-Q | 4-M
| n-∅d | t
| S1
| T1
| S×S | |||
| КПР-Т3Ф-015 | 15 | 68 | 94 | 128 | 77 | 24 | 45 | 15 | 82 | 128 | 152 | 76 | М6 | М10 | 4—18 | 13 | 50 (F05) | — | 11×11 | |
| КПР-Т3Ф-020 | 20 | 76 | 103 | 131 | 80 | 29 | 56 | 16 | 83 | 136 | 160 | 80 | М6 | М10 | 4—18 | 13 | 50 (F05) | — | 11×11 | |
| КПР-Т3Ф-025 | 25 | 81 | 103 | 146 | 90 | 34 | 65 | 13 | 78 | 144 | 180 | 90 | М6 | М10 | 12—14 | 13 | 50 (F05) | — | 11×11 | |
| КПР-Т3Ф-032 | 32 | 103 | 140 | 175 | 106 | 41 | 79 | 18 | 106 | 183 | 201 | 100,5 | М6 | М12 | 12—18 | 17 | 70 (F07) | — | 14×14 | |
| КПР-Т3Ф-040 | 40 | 112 | 150 | 188 | 114 | 44 | 87 | 18 | 106 | 183 | 222 | 111 | М6 | М12 | 12—18 | 17 | 70 (F07) | — | 14×14 | |
| КПР-Т3Ф-050 | 47 | 125 | 158 | 195 | 120 | 53 | 102 | 17,5 | 120 | 200 | 235 | 117,5 | М8 | М12 | 12—18 | 17 | 70 (F07) | — | 14×14 | |
| КПР-Т3Ф-065 | 65 | 144 | 178 | 220 | 135 | 62 | 119 | 22 | 185 | 275 | 262 | 131 | М12 | М14 | 12—18 | 18 | 70 (F07) | 102 (F10) | 17×17 | |
| КПР-Т3Ф-080 | 80
| 160
| 191
| 240 | 140 | 70 | 135 | 26
| 212 | 305
| 285
| 142,5
| М12 | М14 | 12—18 | 20
| 70 (F07)
| 102 (F10)
| 17×17 | |
| КПР-Т3Ф-100 | 100
| 178
| 213 | 265 | 220 | 82 | 144 | 22
| 230 | 340
| 320
| 160
| М12 | М16 | 24—18 | 22
| 102 (F10)
| 125 (F12)
| 22×22 | |
| Документ | Дата изменения | Размер | Файл |
| Руководство по эксплуатации | 19.01.2026 | 1.51 Мб |
| Артикул | Диаметр условного прохода, мм | Питание электропривода | Модель электропривода | Срок поставки | Стоимость |
|---|---|---|---|---|---|
| Артикул | Диаметр условного прохода, мм | Питание электропривода | Модель электропривода | Срок поставки | Стоимость |
|---|
| Артикул | Свойства | Срок поставки | Стоимость | ||
|---|---|---|---|---|---|
| Артикул | Свойства | Срок поставки | Стоимость | ||
|---|---|---|---|---|---|
| Артикул | Диаметр условного прохода, мм | Питание электропривода | Модель электропривода | Срок поставки | Стоимость |
|---|---|---|---|---|---|
| G81156 | 50 | ~380 В | ЭПР1-015 | 120 дней | 80519 руб. |
| G81157 | 65 | ~380 В | ЭПР1-015 | 120 дней | 106161 руб. |
| G81158 | 50 | ~220 B | ЭПР1-015 | 120 дней | 80519 руб. |
| G81159 | 65 | ~220 B | ЭПР1-015 | 120 дней | 106161 руб. |
| G81160 | 50 | =24 В | ЭПР1-015 | 120 дней | 86052 руб. |
| G81161 | 65 | =24 В | ЭПР1-015 | 120 дней | 111694 руб. |
| G81162 | 50 | ~380 В | ЭПР1-060 | 120 дней | 105762 руб. |
| G81163 | 65 | ~380 В | ЭПР1-060 | 120 дней | 131404 руб. |
| G81164 | 50 | ~220 B | ЭПР1-060 | 120 дней | 105762 руб. |
| G81165 | 65 | ~220 B | ЭПР1-060 | 120 дней | 131404 руб. |
| G81166 | 50 | =24 В | ЭПР1-060 | 120 дней | 111295 руб. |
| G81167 | 65 | =24 В | ЭПР1-060 | 120 дней | 136937 руб. |
| G81168 | 80 | ~380 В | ЭПР1-100 | 120 дней | 159613 руб. |
| G81169 | 100 | ~380 В | ЭПР1-100 | 120 дней | 176886 руб. |
| G81170 | 80 | ~220 B | ЭПР1-100 | 120 дней | 159613 руб. |
| G81171 | 100 | ~220 B | ЭПР1-100 | 120 дней | 176886 руб. |
| G81172 | 80 | =24 В | ЭПР1-100 | 120 дней | 165146 руб. |
| G81173 | 100 | =24 В | ЭПР1-100 | 120 дней | 182419 руб. |
Отзывы на этот товар пока отсутствуют.








