| Параметр
| Значение
|
| Рабочая среда | Пар, вода, горячая вода, воздух, инертные газы, природный газ, масла, азотная кислота, уксус |
| Материал | Корпуса: нержавеющая сталь
Уплотнения: PTFE |
| Температура рабочей среды | −20...+150°C |
| Рабочее давление | 0,0…6,9 МПа (0,0…1,6 МПа — для пара)
|
| Диаметр условного прохода | 15...100 мм |
| Присоединение крана
| Резьбовое G½"...G4" |
| Стандарт присоединения крана к приводу | ISO5211 |
| Модель электропривода | ЭПР1 |
| Питание электропривода | ~220 В, =24 В или от трехфазной сети ~380 В |
| Модель
| Ду, мм
| Kv, м³/ч
| Присоединение
| Посадочный размер, мм
| Вес, г
|
| КПР-2-015 GSP
| 15
| 20
| ½"
| 9×9
| 300 |
| КПР-2-020 GSP | 20
| 38
| ¾"
| 9×9
| 390 |
| КПР-2-025 GSP | 25
| 69
| 1"
| 11×11
| 720
|
| КПР-2-032 GSP | 32
| 93
| 1¼"
| 11×11
| 1030
|
| КПР-2-040 GSP | 40
| 144
| 1½"
| 14×14
| 1870
|
| КПР-2-050 GSP | 50
| 229
| 2"
| 14×14
| 1770
|
| КПР-2-065 GSP | 65
| 404
| 2½"
| 17×17
| 4010
|
| КПР-2-080 GSP | 80
| 573
| 3"
| 17×17
| 5350
|
| КПР-2-100 GSP | 100
| 936
| 4"
| 17×17 | 8420
|
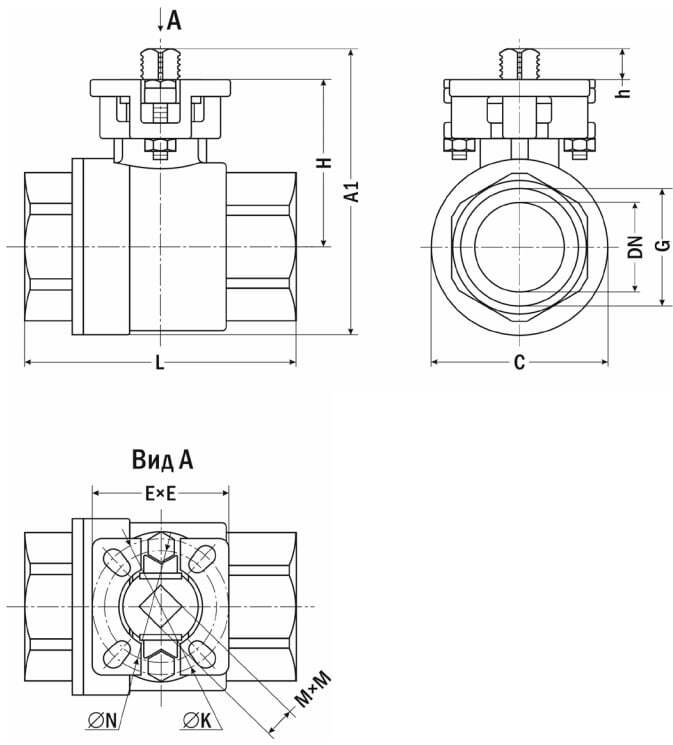
| Габаритные размеры
|
|
| Модель
| Размеры, мм
| ||||||||||
| G
| DN
| A1
| C
| E×E
| H
| h
| L
| M×M | ∅ N
| ∅ K
| |
| КПР-2-015 | ½" | 15 | 66
| 36
| 44,5×44,5
| 35
| 13
| 63
| 9×9
| 36 (F03)
| 42 (F04)
|
| КПР-2-020 | ¾" | 20 | 77
| 40,5
| 44,5×44,5
| 45
| 12
| 70
| 9×9
| 36 (F03)
| 42 (F04)
|
| КПР-2-025
| 1"
| 25
| 87
| 50
| 51×51
| 53
| 14
| 79,5
| 11×11
| 42 (F04)
| 50 (F05)
|
| КПР-2-032
| 1¼"
| 32
| 106
| 70
| 51×51
| 61
| 11,5
| 96
| 11×11
| 42 (F04) | 50 (F05)
|
| КПР-2-040
| 1½" | 40
| 123
| 68
| 70×70
| 68
| 16
| 106
| 14×14
| 50 (F05)
| 70 (F07)
|
| КПР-2-050
| 2"
| 50
| 140
| 87,5
| 68,5×68,5
| 78
| 17
| 120
| 14×14
| 50 (F05)
| 70 (F07)
|
| КПР-2-065 | 2½"
| 65
| 176
| 116
| 96×96
| 98
| 21
| 145
| 17×17
| 70 (F07)
| 102 (F10)
|
| КПР-2-080 | 3"
| 80
| 193
| 134
| 95×95
| 105
| 20,5
| 167
| 17×17
| 70 (F07)
| 102 (F10)
|
| КПР-2-100 | 4"
| 100
| 225
| 163
| 95,5×95,5
| 125
| 21
| 203
| 17×17
| 70 (F07)
| 102 (F10)
|
| Документ | Дата изменения | Размер | Файл |
| Руководство по эксплуатации | 22.06.2025 | 0.89 Мб |
| Артикул | Диаметр условного прохода, мм | Питание электропривода | Модель электропривода | Срок поставки | Стоимость |
|---|---|---|---|---|---|
| Артикул | Диаметр условного прохода, мм | Питание электропривода | Модель электропривода | Срок поставки | Стоимость |
|---|
| Артикул | Свойства | Срок поставки | Стоимость | ||
|---|---|---|---|---|---|
| Артикул | Свойства | Срок поставки | Стоимость | ||
|---|---|---|---|---|---|
| Артикул | Диаметр условного прохода, мм | Питание электропривода | Модель электропривода | Срок поставки | Стоимость |
|---|---|---|---|---|---|
| O67704 | 15 | ~380 В | ЭПР1-005 | Со склада (комплектация 1..72 часа) | 20580 руб. |
| O67708 | 15 | ~220 B | ЭПР1-005 | Со склада (комплектация 1..72 часа) | 20580 руб. |
| O67712 | 15 | =24 В | ЭПР1-005 | Со склада (комплектация 1..72 часа) | 26113 руб. |
| O67728 | 15 | =24 В | ЭПР1-008 | Со склада (комплектация 1..72 часа) | 32338 руб. |
| O67705 | 20 | ~380 В | ЭПР1-005 | Со склада (комплектация 1..72 часа) | 21165 руб. |
| O67709 | 20 | ~220 B | ЭПР1-005 | Со склада (комплектация 1..72 часа) | 21165 руб. |
| O67713 | 20 | =24 В | ЭПР1-005 | Со склада (комплектация 1..72 часа) | 26698 руб. |
| O67729 | 20 | =24 В | ЭПР1-008 | Со склада (комплектация 1..72 часа) | 32923 руб. |
| O67706 | 25 | ~380 В | ЭПР1-005 | Со склада (комплектация 1..72 часа) | 22526 руб. |
| O67710 | 25 | ~220 B | ЭПР1-005 | Со склада (комплектация 1..72 часа) | 22526 руб. |
| O67714 | 25 | =24 В | ЭПР1-005 | Со склада (комплектация 1..72 часа) | 28059 руб. |
| O67730 | 25 | =24 В | ЭПР1-008 | Со склада (комплектация 1..72 часа) | 34284 руб. |
| O67707 | 32 | ~380 В | ЭПР1-005 | Со склада (комплектация 1..72 часа) | 24063 руб. |
| O67711 | 32 | ~220 B | ЭПР1-005 | Со склада (комплектация 1..72 часа) | 24063 руб. |
| O67715 | 32 | =24 В | ЭПР1-005 | Со склада (комплектация 1..72 часа) | 29596 руб. |
| O67731 | 32 | =24 В | ЭПР1-008 | Со склада (комплектация 1..72 часа) | 35821 руб. |
| O67738 | 40 | ~220 B | ЭПР1-015 | Со склада (комплектация 1..72 часа) | 37986 руб. |
| O67732 | 40 | =24 В | ЭПР1-008 | Со склада (комплектация 1..72 часа) | 38332 руб. |
| O67742 | 40 | =24 В | ЭПР1-015 | Со склада (комплектация 1..72 часа) | 43519 руб. |
| O67739 | 50 | ~220 B | ЭПР1-015 | Со склада (комплектация 1..72 часа) | 40026 руб. |
| O67733 | 50 | =24 В | ЭПР1-008 | Со склада (комплектация 1..72 часа) | 40372 руб. |
| O67743 | 50 | =24 В | ЭПР1-015 | Со склада (комплектация 1..72 часа) | 45559 руб. |
| O67746 | 65 | ~380 В | ЭПР1-060 | Со склада (комплектация 1..72 часа) | 74118 руб. |
| O67740 | 65 | ~220 B | ЭПР1-015 | Со склада (комплектация 1..72 часа) | 48875 руб. |
| O67749 | 65 | ~220 B | ЭПР1-060 | Со склада (комплектация 1..72 часа) | 74118 руб. |
| O67744 | 65 | =24 В | ЭПР1-015 | Со склада (комплектация 1..72 часа) | 54408 руб. |
| O67747 | 80 | ~380 В | ЭПР1-060 | Со склада (комплектация 1..72 часа) | 81544 руб. |
| O67741 | 80 | ~220 B | ЭПР1-015 | Со склада (комплектация 1..72 часа) | 56301 руб. |
| O67750 | 80 | ~220 B | ЭПР1-060 | Со склада (комплектация 1..72 часа) | 81544 руб. |
| O67745 | 80 | =24 В | ЭПР1-015 | Со склада (комплектация 1..72 часа) | 61834 руб. |
| O67748 | 100 | ~380 В | ЭПР1-060 | Со склада (комплектация 1..72 часа) | 95393 руб. |
| O67751 | 100 | ~220 B | ЭПР1-060 | Со склада (комплектация 1..72 часа) | 95393 руб. |
| O67756 | 100 | ~220 B | ЭПР1-100 | Со склада (комплектация 1..72 часа) | 100926 руб. |
| Артикул | Диаметр условного прохода, мм | Питание электропривода | Модель электропривода | Срок поставки | Стоимость |
|---|---|---|---|---|---|
| O67704 | 15 | ~380 В | ЭПР1-005 | Со склада (комплектация 1..72 часа) | 20580 руб. |
| O67716 | 15 | ~380 В | ЭПР1-008 | 120 дней | 26805 руб. |
| O67708 | 15 | ~220 B | ЭПР1-005 | Со склада (комплектация 1..72 часа) | 20580 руб. |
| O67722 | 15 | ~220 B | ЭПР1-008 | 120 дней | 26805 руб. |
| O67712 | 15 | =24 В | ЭПР1-005 | Со склада (комплектация 1..72 часа) | 26113 руб. |
| O67728 | 15 | =24 В | ЭПР1-008 | Со склада (комплектация 1..72 часа) | 32338 руб. |
| O67705 | 20 | ~380 В | ЭПР1-005 | Со склада (комплектация 1..72 часа) | 21165 руб. |
| O67717 | 20 | ~380 В | ЭПР1-008 | 120 дней | 27390 руб. |
| O67709 | 20 | ~220 B | ЭПР1-005 | Со склада (комплектация 1..72 часа) | 21165 руб. |
| O67723 | 20 | ~220 B | ЭПР1-008 | 120 дней | 27390 руб. |
| O67713 | 20 | =24 В | ЭПР1-005 | Со склада (комплектация 1..72 часа) | 26698 руб. |
| O67729 | 20 | =24 В | ЭПР1-008 | Со склада (комплектация 1..72 часа) | 32923 руб. |
| O67706 | 25 | ~380 В | ЭПР1-005 | Со склада (комплектация 1..72 часа) | 22526 руб. |
| O67718 | 25 | ~380 В | ЭПР1-008 | 120 дней | 28751 руб. |
| O67710 | 25 | ~220 B | ЭПР1-005 | Со склада (комплектация 1..72 часа) | 22526 руб. |
| O67724 | 25 | ~220 B | ЭПР1-008 | 120 дней | 28751 руб. |
| O67714 | 25 | =24 В | ЭПР1-005 | Со склада (комплектация 1..72 часа) | 28059 руб. |
| O67730 | 25 | =24 В | ЭПР1-008 | Со склада (комплектация 1..72 часа) | 34284 руб. |
| O67707 | 32 | ~380 В | ЭПР1-005 | Со склада (комплектация 1..72 часа) | 24063 руб. |
| O67719 | 32 | ~380 В | ЭПР1-008 | 120 дней | 30288 руб. |
| O67711 | 32 | ~220 B | ЭПР1-005 | Со склада (комплектация 1..72 часа) | 24063 руб. |
| O67725 | 32 | ~220 B | ЭПР1-008 | 120 дней | 30288 руб. |
| O67715 | 32 | =24 В | ЭПР1-005 | Со склада (комплектация 1..72 часа) | 29596 руб. |
| O67731 | 32 | =24 В | ЭПР1-008 | Со склада (комплектация 1..72 часа) | 35821 руб. |
| O67720 | 40 | ~380 В | ЭПР1-008 | 120 дней | 32799 руб. |
| O67734 | 40 | ~380 В | ЭПР1-015 | 120 дней | 37986 руб. |
| O67726 | 40 | ~220 B | ЭПР1-008 | 120 дней | 32799 руб. |
| O67738 | 40 | ~220 B | ЭПР1-015 | Со склада (комплектация 1..72 часа) | 37986 руб. |
| O67732 | 40 | =24 В | ЭПР1-008 | Со склада (комплектация 1..72 часа) | 38332 руб. |
| O67742 | 40 | =24 В | ЭПР1-015 | Со склада (комплектация 1..72 часа) | 43519 руб. |
| O67721 | 50 | ~380 В | ЭПР1-008 | 120 дней | 34839 руб. |
| O67735 | 50 | ~380 В | ЭПР1-015 | 120 дней | 40026 руб. |
| O67727 | 50 | ~220 B | ЭПР1-008 | 120 дней | 34839 руб. |
| O67739 | 50 | ~220 B | ЭПР1-015 | Со склада (комплектация 1..72 часа) | 40026 руб. |
| O67733 | 50 | =24 В | ЭПР1-008 | Со склада (комплектация 1..72 часа) | 40372 руб. |
| O67743 | 50 | =24 В | ЭПР1-015 | Со склада (комплектация 1..72 часа) | 45559 руб. |
| O67736 | 65 | ~380 В | ЭПР1-015 | 120 дней | 48875 руб. |
| O67746 | 65 | ~380 В | ЭПР1-060 | Со склада (комплектация 1..72 часа) | 74118 руб. |
| O67740 | 65 | ~220 B | ЭПР1-015 | Со склада (комплектация 1..72 часа) | 48875 руб. |
| O67749 | 65 | ~220 B | ЭПР1-060 | Со склада (комплектация 1..72 часа) | 74118 руб. |
| O67744 | 65 | =24 В | ЭПР1-015 | Со склада (комплектация 1..72 часа) | 54408 руб. |
| O67752 | 65 | =24 В | ЭПР1-060 | 120 дней | 79651 руб. |
| O67737 | 80 | ~380 В | ЭПР1-015 | 120 дней | 56301 руб. |
| O67747 | 80 | ~380 В | ЭПР1-060 | Со склада (комплектация 1..72 часа) | 81544 руб. |
| O67741 | 80 | ~220 B | ЭПР1-015 | Со склада (комплектация 1..72 часа) | 56301 руб. |
| O67750 | 80 | ~220 B | ЭПР1-060 | Со склада (комплектация 1..72 часа) | 81544 руб. |
| O67745 | 80 | =24 В | ЭПР1-015 | Со склада (комплектация 1..72 часа) | 61834 руб. |
| O67753 | 80 | =24 В | ЭПР1-060 | 120 дней | 87077 руб. |
| O67748 | 100 | ~380 В | ЭПР1-060 | Со склада (комплектация 1..72 часа) | 95393 руб. |
| O67755 | 100 | ~380 В | ЭПР1-100 | 120 дней | 100926 руб. |
| O67751 | 100 | ~220 B | ЭПР1-060 | Со склада (комплектация 1..72 часа) | 95393 руб. |
| O67756 | 100 | ~220 B | ЭПР1-100 | Со склада (комплектация 1..72 часа) | 100926 руб. |
| O67754 | 100 | =24 В | ЭПР1-060 | 120 дней | 100926 руб. |
| O67757 | 100 | =24 В | ЭПР1-100 | 120 дней | 106459 руб. |
Отзывы на этот товар пока отсутствуют.



