Датчик расхода с импульсным выходом ДРУ-ПП-78-15 предназначен для учета суммарного или текущего расхода воды. Принцип работы датчиков основан на вращении внутри прибора крыльчатки с частотой, прямо пропорциональной интенсивности потока. Датчики расхода генерируют импульсные сигналы, частота которых пропорциональна частоте вращения крыльчатки. Эти датчики рекомендуется применять в комплекте с тахометрами (
ВЕХА-Т) или счетчиками импульсов (
ВЕХА-С).
Особенности:
- Импульсный выход, тип Push-Pull
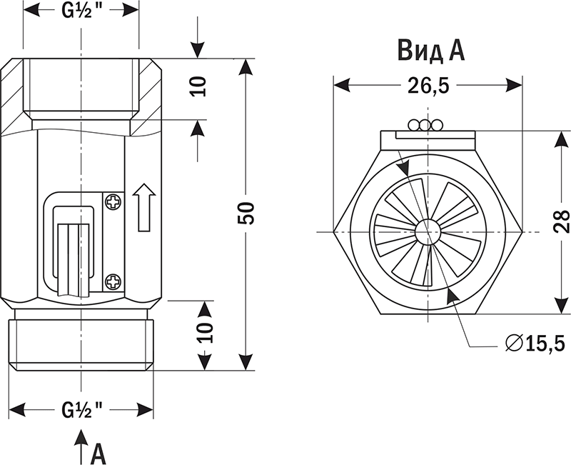
- Для корректной работы датчика расхода направление потока жидкости должно совпадать с направлением стрелки на корпусе
- Универсальное монтажное положение: горизонтальное и вертикальное
- Степень пылевлагозащиты: IP67
Технические характеристики:
| Параметр | Значение |
Рабочая среда
| Вода и другие неагрессивные среды
|
Максимальное давление рабочей среды
| 1,75 МПа
|
Питание, ток
| =4...24 В, 10 мА
|
Температура рабочей среды
| 0...+80°C
|
| Расход | 1...30 л/мин |
| Тип выхода | Push-Pull |
| Импульсный выход | 360...592 ± 10% имп./л |
| Формула расчета частоты импульсов* | F = (10Q − 4) ± 10% |
| Степень пылевлагозащиты | IP67 |
| Длина провода | 350 мм |
| Материал | Латунь |
| Монтажное положение | Универсальное |
| Присоединение | Наруж. G1/2" → внутр. G1/2" |
| Габаритные размеры | 50×28×26,5 мм |
| Вес | 99 г |
*F = частота, Гц; Q = расход, л/мин
| Габаритные размеры |
 |
Версия: 2025-08-06-СДГ