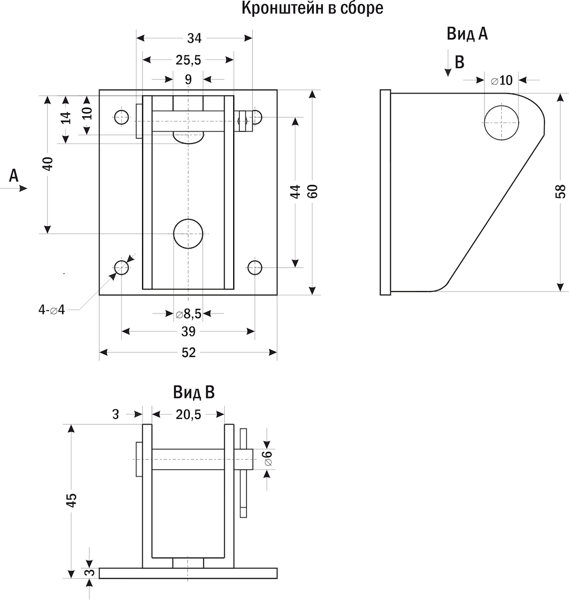
Кронштейны монтажные КМА-12 предназначены для установки на основание и на шток поршня линейных актуаторов
LA-150,
LA-850, а также других с подходящими размерами. Позволяют крепить актуатор к любым поверхностям
Особенности:
- Для крепления актуатора необходимы 2 кронштейна
- Легкая фиксация
Технические характеристики:
| Параметр | Значение |
Для штока диаметром
| < 20 мм |
Отверстие в штоке
| > 6 мм |
Материал
| Нержавеющая сталь |
| Габаритные размеры | 60×52×45 мм |
| Вес | 182 г |
| Габаритные размеры |
 |
Версия: 2026-04-08-СДГ