| Параметр | Значение | ||
| Тип двигателя | Асинхронный | ||
| Питание | ~220 В | =24 В | |
| Крутящий момент | См. таблицу модификаций | ||
| Время поворота на 90° | |||
| Управляющий сигнал | 4...20 мА | ||
| Сигнал обратной связи | 4...20 мА | ||
| Ток, мощность | ЭПР1У-005 | 280 мА, 65 ВА | 320 мА, 8 Вт |
| ЭПР1У-010 | 350 мА, 80 ВА | 550 мА, 13 Вт | |
| ЭПР1У-015 | 350 мА, 80 ВА | 700 мА (пик.)/450 мА (раб.) | |
| Угол поворота выходного вала | 90° ± 10° | ||
| Механическое ограничение поворота выходного вала | 2 упора (с возможностью подстройки) | ||
| Защита от перегрева/рабочая температура двигателя | Встроенная термозащита:
вкл. 120°C ± 5°C/откл. 97°C ± 5°C | ||
| Кабельные вводы | ЭПР1У-005: 1 шт., M18×1,5
ЭПР1У-010, ЭПР1У-015: 2 шт. М20×1,5 | ||
| Степень пылевлагозащиты | IP67 | ||
| Условия эксплуатации | −20...+70°C, ≤ 90%RH | ||
| Модель привода
| Крутящий момент, Н∙м
| Время поворота на 90°, с | Посадочный размер,
мм | Вес, г | ||||
| =24 В | ~220 В | Квадрат | Глубина | |||||
| ЭПР1У-005 | 50 | 10 | 20 | 14×14 | 34 | 3700 | ||
| ЭПР1У-010 | 100 | 10 | 30 | 17×17 | 31 | 4513 | ||
| ЭПР1У-015 | 150 | 10 | 30 | 17×17 | 31 | 5480 | ||
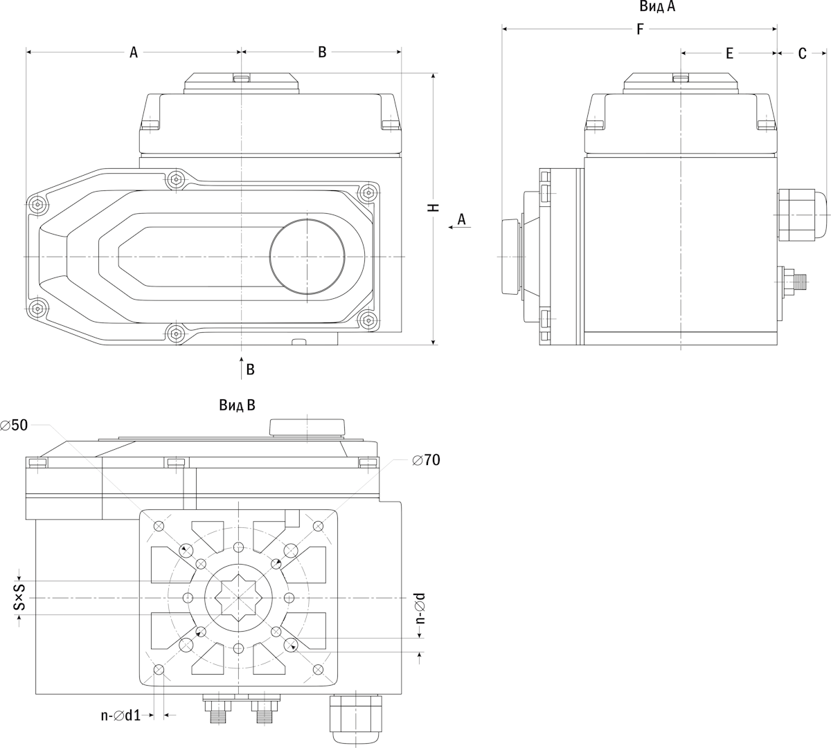
| Модель | Размеры, мм | Габаритные
размеры, мм | ||||||||||||
| A | B | C | E | F | H | L | n-К | 4-М1 | 8-М2 | 4-Ød | Ød1 | S×S | ||
| ЭПР1У-005 | 93 | 73 | 24 | 38 | 122 | 131 | 214 | 1-
М18×1,5 | M7×1,25 | M5×1 | 4-Ø5 | 90 | 14×14
глубина 34 | 131×214×146 |
| ЭПР1У-010 | 108 | 81 | 29 | 49 | 139 | 135 | - | 2-
М20×1,5 | M7×1,25 | M5×1 | 4-Ø7 | 108 | 17×17
глубина 31 | 135×189×168 |
| ЭПР1У-015 | 108 | 81 | 29 | 49 | 139 | 135 | - | 2-
М20×1,5 | M7×1,25 | M5×1 | 4-Ø7 | 108 | 17×17
глубина 31 | 135×189×168 |
| Документ | Дата изменения | Размер | Файл |
| Руководство по эксплуатации для ЭПРУ1У (-005, -010, -015) | 13.04.2026 | 0.86 Мб | |
| Руководство по эксплуатации для ЭПР1У-005 | 14.04.2026 | 0.68 Мб |
| Артикул | Модель | Питание | Срок поставки | Стоимость |
|---|---|---|---|---|
| Артикул | Модель | Питание | Срок поставки | Стоимость |
|---|
| Артикул | Свойства | Срок поставки | Стоимость | |
|---|---|---|---|---|
| Артикул | Свойства | Срок поставки | Стоимость | |
|---|---|---|---|---|
| Артикул | Модель | Питание | Срок поставки | Стоимость |
|---|---|---|---|---|
| W16859 | ЭПР1У-005 | ~220 | Со склада | 36270 руб. |
| W16860 | ЭПР1У-010 | ~220 | Со склада | 37856 руб. |
| W16863 | ЭПР1У-010 | =24 | Со склада | 37856 руб. |
| Артикул | Модель | Питание | Срок поставки | Стоимость |
|---|---|---|---|---|
| W16859 | ЭПР1У-005 | ~220 | Со склада | 36270 руб. |
| W16862 | ЭПР1У-005 | =24 | Под заказ к 2026.10.28 | 36270 руб. |
| W16860 | ЭПР1У-010 | ~220 | Со склада | 37856 руб. |
| W16863 | ЭПР1У-010 | =24 | Со склада | 37856 руб. |
| W16861 | ЭПР1У-015 | ~220 | Под заказ к 2026.10.28 | 44460 руб. |
| W16864 | ЭПР1У-015 | =24 | Под заказ к 2026.10.28 | 44460 руб. |
Отзывы на этот товар пока отсутствуют.



.png)
.png)




