Технические характеристики:
| Параметр
| Значение
| |
| Диапазон задаваемых выдержек времени
| Таймер: 0,001 с…9999 ч
Часы: 0,01 с…99,99 ч | |
| Относительная погрешность генератора времени
| ±0,01%
| |
| Индикатор
| СД, четырехразрядный
| |
| Высота символов
| 14 мм
| |
| Количество циклов
| 1…999 или бесконечно
| |
| Количество логических управляющих выходов
| 1, 2 или 3
| |
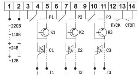
| Типы выходных устройств | Р – Реле ~10 А, 220 В
K – управление оптотранзистором =50 В, 200 мА С – управление симистором ~220 В, 50 мА или твердотельным реле со входом управления ~220 В (AR-SSR-...AA и AR-3SSR-...AA) Т – управление твердотельным реле =30 мА, 6...24 В (AR-SSR-...DA и AR-3SSR-...DA) | |
| Потребляемая мощность
| < 5 ВА
| |
| Питание
| ~220 В (−15…+10)%, 50 Гц
~110 В (−15…+10)%, 50 Гц =24 В ± 5% =12 В ± 5% | |
| Условия эксплуатации
| Температура
| +5…+50°С
без конденсации влаги |
| Влажность
| ≤ (95 ± 3)%RH
| |
| Давление
| 84...107 кПа
| |
| Степень защиты
| IP20
| |
| Монтаж
| В щит
| |
| Габаритные размеры
| 48×96×100 мм
| |
| Размеры врезного отверстия
| 41×92 мм
| |
| Габаритные размеры |
![]() |
| Схема | Размер | Файл |
| Схема подключения | 0.02 Мб |
| Документ | Дата изменения | Размер | Файл |
| Руководство по эксплуатации (версия 2.4 от 19.02.2015) | 25.09.2018 | 1.03 Мб | |
| Руководство по эксплуатации (версия 2.1 от 02.10.2013) | 25.09.2018 | 1.03 Мб | |
| Сертификат соответствия | 29.03.2019 | 0.59 Мб |
| Артикул |
Выход 1
|
Выход 2
|
Выход 3
|
Питание
|
Срок поставки | Стоимость |
|---|---|---|---|---|---|---|
| Артикул | Модель |
Выход 1
|
Выход 2
|
Выход 3
|
Питание
|
Срок поставки | Стоимость |
|---|
| Артикул | Свойства | Срок поставки | Стоимость | ||||
|---|---|---|---|---|---|---|---|
| Артикул | Свойства | Срок поставки | Стоимость | ||||
|---|---|---|---|---|---|---|---|
| Артикул | Модель |
Выход 1
|
Выход 2
|
Выход 3
|
Питание
|
Срок поставки | Стоимость |
|---|---|---|---|---|---|---|---|
| G22320 | ВЕХА-Щ-Р ~220 | Рх10А, ~250В | нет | нет | ~220В | Со склада | 5783 руб. |
| G22420 | ВЕХА-Щ-Р ~110 | Рх10А, ~250В | нет | нет | ~110В | Со склада | 7687 руб. |
| G22520 | ВЕХА-Щ-Р =24 | Рх10А, ~250В | нет | нет | =24В | Со склада | 6599 руб. |
| G22620 | ВЕХА-Щ-Р =12 | Рх10А, ~250В | нет | нет | =12В | Со склада | 6599 руб. |
| G22324 | ВЕХА-Щ-РР ~220 | Рх10А, ~250В | Рх10А, ~250В | нет | ~220В | Со склада | 6109 руб. |
| G22424 | ВЕХА-Щ-РР ~110 | Рх10А, ~250В | Рх10А, ~250В | нет | ~110В | Со склада | 8015 руб. |
| G22524 | ВЕХА-Щ-РР =24 | Рх10А, ~250В | Рх10А, ~250В | нет | =24В | Со склада | 6926 руб. |
| G22344 | ВЕХА-Щ-РРР ~220 | Рх10А, ~250В | Рх10А, ~250В | Рх10А, ~250В | ~220В | Со склада | 6437 руб. |
| Артикул | Модель |
Выход 1
|
Выход 2
|
Выход 3
|
Питание
|
Срок поставки | Стоимость |
|---|---|---|---|---|---|---|---|
| G22320 | ВЕХА-Щ-Р ~220 | Рх10А, ~250В | нет | нет | ~220В | Со склада | 5783 руб. |
| G22420 | ВЕХА-Щ-Р ~110 | Рх10А, ~250В | нет | нет | ~110В | Со склада | 7687 руб. |
| G22520 | ВЕХА-Щ-Р =24 | Рх10А, ~250В | нет | нет | =24В | Со склада | 6599 руб. |
| G22620 | ВЕХА-Щ-Р =12 | Рх10А, ~250В | нет | нет | =12В | Со склада | 6599 руб. |
| G22340 | ВЕХА-Щ-РР ~220 | Рх10А, ~250В | нет | Рх10А, ~250В | ~220В | 1...2 недели | 6109 руб. |
| G22440 | ВЕХА-Щ-РР ~110 | Рх10А, ~250В | нет | Рх10А, ~250В | ~110В | 1...2 недели | 8015 руб. |
| G22540 | ВЕХА-Щ-РР =24 | Рх10А, ~250В | нет | Рх10А, ~250В | =24В | 1...2 недели | 6926 руб. |
| G22640 | ВЕХА-Щ-РР =12 | Рх10А, ~250В | нет | Рх10А, ~250В | =12В | 1...2 недели | 6926 руб. |
| G22360 | ВЕХА-Щ-РК ~220 | Рх10А, ~250В | нет | К (транзистор 200мА, =50В) | ~220В | 1...2 недели | 6599 руб. |
| G22460 | ВЕХА-Щ-РК ~110 | Рх10А, ~250В | нет | К (транзистор 200мА, =50В) | ~110В | 1...2 недели | 8504 руб. |
| G22560 | ВЕХА-Щ-РК =24 | Рх10А, ~250В | нет | К (транзистор 200мА, =50В) | =24В | 1...2 недели | 7416 руб. |
| G22660 | ВЕХА-Щ-РК =12 | Рх10А, ~250В | нет | К (транзистор 200мА, =50В) | =12В | 1...2 недели | 7416 руб. |
| G22380 | ВЕХА-Щ-РС ~220 | Рх10А, ~250В | нет | С (симистор 50мА, ~220В) | ~220В | 1...2 недели | 6599 руб. |
| G22480 | ВЕХА-Щ-РС ~110 | Рх10А, ~250В | нет | С (симистор 50мА, ~220В) | ~110В | 1...2 недели | 8504 руб. |
| G22580 | ВЕХА-Щ-РС =24 | Рх10А, ~250В | нет | С (симистор 50мА, ~220В) | =24В | 1...2 недели | 7416 руб. |
| G22680 | ВЕХА-Щ-РС =12 | Рх10А, ~250В | нет | С (симистор 50мА, ~220В) | =12В | 1...2 недели | 7416 руб. |
| G22400 | ВЕХА-Щ-РТ ~220 | Рх10А, ~250В | нет | Т (напряжение =(6..24В), 30 мА) | ~220В | 1...2 недели | 6599 руб. |
| G22500 | ВЕХА-Щ-РТ ~110 | Рх10А, ~250В | нет | Т (напряжение =(6..24В), 30 мА) | ~110В | 1...2 недели | 8504 руб. |
| G22600 | ВЕХА-Щ-РТ =24 | Рх10А, ~250В | нет | Т (напряжение =(6..24В), 30 мА) | =24В | 1...2 недели | 7416 руб. |
| G22700 | ВЕХА-Щ-РТ =12 | Рх10А, ~250В | нет | Т (напряжение =(6..24В), 30 мА) | =12В | 1...2 недели | 7416 руб. |
| G22324 | ВЕХА-Щ-РР ~220 | Рх10А, ~250В | Рх10А, ~250В | нет | ~220В | Со склада | 6109 руб. |
| G22424 | ВЕХА-Щ-РР ~110 | Рх10А, ~250В | Рх10А, ~250В | нет | ~110В | Со склада | 8015 руб. |
| G22524 | ВЕХА-Щ-РР =24 | Рх10А, ~250В | Рх10А, ~250В | нет | =24В | Со склада | 6926 руб. |
| G22624 | ВЕХА-Щ-РР =12 | Рх10А, ~250В | Рх10А, ~250В | нет | =12В | 1...2 недели | 6926 руб. |
| G22344 | ВЕХА-Щ-РРР ~220 | Рх10А, ~250В | Рх10А, ~250В | Рх10А, ~250В | ~220В | Со склада | 6437 руб. |
| G22444 | ВЕХА-Щ-РРР ~110 | Рх10А, ~250В | Рх10А, ~250В | Рх10А, ~250В | ~110В | 1...2 недели | 8341 руб. |
| G22544 | ВЕХА-Щ-РРР =24 | Рх10А, ~250В | Рх10А, ~250В | Рх10А, ~250В | =24В | 1...2 недели | 7255 руб. |
| G22644 | ВЕХА-Щ-РРР =12 | Рх10А, ~250В | Рх10А, ~250В | Рх10А, ~250В | =12В | 1...2 недели | 7255 руб. |
| G22364 | ВЕХА-Щ-РРК ~220 | Рх10А, ~250В | Рх10А, ~250В | К (транзистор 200мА, =50В) | ~220В | 1...2 недели | 6926 руб. |
| G22464 | ВЕХА-Щ-РРК ~110 | Рх10А, ~250В | Рх10А, ~250В | К (транзистор 200мА, =50В) | ~110В | 1...2 недели | 8832 руб. |
| G22564 | ВЕХА-Щ-РРК =24 | Рх10А, ~250В | Рх10А, ~250В | К (транзистор 200мА, =50В) | =24В | 1...2 недели | 7744 руб. |
| G22664 | ВЕХА-Щ-РРК =12 | Рх10А, ~250В | Рх10А, ~250В | К (транзистор 200мА, =50В) | =12В | 1...2 недели | 7744 руб. |
| G22384 | ВЕХА-Щ-РРС ~220 | Рх10А, ~250В | Рх10А, ~250В | С (симистор 50мА, ~220В) | ~220В | 1...2 недели | 6926 руб. |
| G22484 | ВЕХА-Щ-РРС ~110 | Рх10А, ~250В | Рх10А, ~250В | С (симистор 50мА, ~220В) | ~110В | 1...2 недели | 8832 руб. |
| G22584 | ВЕХА-Щ-РРС =24 | Рх10А, ~250В | Рх10А, ~250В | С (симистор 50мА, ~220В) | =24В | 1...2 недели | 7744 руб. |
| G22684 | ВЕХА-Щ-РРС =12 | Рх10А, ~250В | Рх10А, ~250В | С (симистор 50мА, ~220В) | =12В | 1...2 недели | 7744 руб. |
| G22404 | ВЕХА-Щ-РРТ ~220 | Рх10А, ~250В | Рх10А, ~250В | Т (напряжение =(6..24В), 30 мА) | ~220В | 1...2 недели | 6926 руб. |
| G22504 | ВЕХА-Щ-РРТ ~110 | Рх10А, ~250В | Рх10А, ~250В | Т (напряжение =(6..24В), 30 мА) | ~110В | 1...2 недели | 8832 руб. |
| G22604 | ВЕХА-Щ-РРТ =24 | Рх10А, ~250В | Рх10А, ~250В | Т (напряжение =(6..24В), 30 мА) | =24В | 1...2 недели | 7744 руб. |
| G22704 | ВЕХА-Щ-РРТ =12 | Рх10А, ~250В | Рх10А, ~250В | Т (напряжение =(6..24В), 30 мА) | =12В | 1...2 недели | 7744 руб. |
| G22328 | ВЕХА-Щ-РК ~220 | Рх10А, ~250В | К (транзистор 200мА, =50В) | нет | ~220В | 1...2 недели | 6599 руб. |
| G22428 | ВЕХА-Щ-РК ~110 | Рх10А, ~250В | К (транзистор 200мА, =50В) | нет | ~110В | 1...2 недели | 8504 руб. |
| G22528 | ВЕХА-Щ-РК =24 | Рх10А, ~250В | К (транзистор 200мА, =50В) | нет | =24В | 1...2 недели | 7416 руб. |
| G22628 | ВЕХА-Щ-РК =12 | Рх10А, ~250В | К (транзистор 200мА, =50В) | нет | =12В | 1...2 недели | 7416 руб. |
| G22348 | ВЕХА-Щ-РКР ~220 | Рх10А, ~250В | К (транзистор 200мА, =50В) | Рх10А, ~250В | ~220В | 1...2 недели | 6926 руб. |
| G22448 | ВЕХА-Щ-РКР ~110 | Рх10А, ~250В | К (транзистор 200мА, =50В) | Рх10А, ~250В | ~110В | 1...2 недели | 8832 руб. |
| G22548 | ВЕХА-Щ-РКР =24 | Рх10А, ~250В | К (транзистор 200мА, =50В) | Рх10А, ~250В | =24В | 1...2 недели | 7744 руб. |
| G22648 | ВЕХА-Щ-РКР =12 | Рх10А, ~250В | К (транзистор 200мА, =50В) | Рх10А, ~250В | =12В | 1...2 недели | 7744 руб. |
| G22368 | ВЕХА-Щ-РКК ~220 | Рх10А, ~250В | К (транзистор 200мА, =50В) | К (транзистор 200мА, =50В) | ~220В | 1...2 недели | 7416 руб. |
| G22468 | ВЕХА-Щ-РКК ~110 | Рх10А, ~250В | К (транзистор 200мА, =50В) | К (транзистор 200мА, =50В) | ~110В | 1...2 недели | 9320 руб. |
| G22568 | ВЕХА-Щ-РКК =24 | Рх10А, ~250В | К (транзистор 200мА, =50В) | К (транзистор 200мА, =50В) | =24В | 1...2 недели | 8232 руб. |
| G22668 | ВЕХА-Щ-РКК =12 | Рх10А, ~250В | К (транзистор 200мА, =50В) | К (транзистор 200мА, =50В) | =12В | 1...2 недели | 8232 руб. |
| G22388 | ВЕХА-Щ-РКС ~220 | Рх10А, ~250В | К (транзистор 200мА, =50В) | С (симистор 50мА, ~220В) | ~220В | 1...2 недели | 7416 руб. |
| G22488 | ВЕХА-Щ-РКС ~110 | Рх10А, ~250В | К (транзистор 200мА, =50В) | С (симистор 50мА, ~220В) | ~110В | 1...2 недели | 9320 руб. |
| G22588 | ВЕХА-Щ-РКС =24 | Рх10А, ~250В | К (транзистор 200мА, =50В) | С (симистор 50мА, ~220В) | =24В | 1...2 недели | 8232 руб. |
| G22688 | ВЕХА-Щ-РКС =12 | Рх10А, ~250В | К (транзистор 200мА, =50В) | С (симистор 50мА, ~220В) | =12В | 1...2 недели | 8232 руб. |
| G22408 | ВЕХА-Щ-РКТ ~220 | Рх10А, ~250В | К (транзистор 200мА, =50В) | Т (напряжение =(6..24В), 30 мА) | ~220В | 1...2 недели | 7416 руб. |
| G22508 | ВЕХА-Щ-РКТ ~110 | Рх10А, ~250В | К (транзистор 200мА, =50В) | Т (напряжение =(6..24В), 30 мА) | ~110В | 1...2 недели | 9320 руб. |
| G22608 | ВЕХА-Щ-РКТ =24 | Рх10А, ~250В | К (транзистор 200мА, =50В) | Т (напряжение =(6..24В), 30 мА) | =24В | 1...2 недели | 8232 руб. |
| G22708 | ВЕХА-Щ-РКТ =12 | Рх10А, ~250В | К (транзистор 200мА, =50В) | Т (напряжение =(6..24В), 30 мА) | =12В | 1...2 недели | 8232 руб. |
| G22332 | ВЕХА-Щ-РС ~220 | Рх10А, ~250В | С (симистор 50мА, ~220В) | нет | ~220В | 1...2 недели | 6599 руб. |
| G22432 | ВЕХА-Щ-РС ~110 | Рх10А, ~250В | С (симистор 50мА, ~220В) | нет | ~110В | 1...2 недели | 8504 руб. |
| G22532 | ВЕХА-Щ-РС =24 | Рх10А, ~250В | С (симистор 50мА, ~220В) | нет | =24В | 1...2 недели | 7416 руб. |
| G22632 | ВЕХА-Щ-РС =12 | Рх10А, ~250В | С (симистор 50мА, ~220В) | нет | =12В | 1...2 недели | 7416 руб. |
| G22352 | ВЕХА-Щ-РСР ~220 | Рх10А, ~250В | С (симистор 50мА, ~220В) | Рх10А, ~250В | ~220В | 1...2 недели | 6926 руб. |
| G22452 | ВЕХА-Щ-РСР ~110 | Рх10А, ~250В | С (симистор 50мА, ~220В) | Рх10А, ~250В | ~110В | 1...2 недели | 8832 руб. |
| G22552 | ВЕХА-Щ-РСР =24 | Рх10А, ~250В | С (симистор 50мА, ~220В) | Рх10А, ~250В | =24В | 1...2 недели | 7744 руб. |
| G22652 | ВЕХА-Щ-РСР =12 | Рх10А, ~250В | С (симистор 50мА, ~220В) | Рх10А, ~250В | =12В | 1...2 недели | 7744 руб. |
| G22372 | ВЕХА-Щ-РСК ~220 | Рх10А, ~250В | С (симистор 50мА, ~220В) | К (транзистор 200мА, =50В) | ~220В | 1...2 недели | 7416 руб. |
| G22472 | ВЕХА-Щ-РСК ~110 | Рх10А, ~250В | С (симистор 50мА, ~220В) | К (транзистор 200мА, =50В) | ~110В | 1...2 недели | 9320 руб. |
| G22572 | ВЕХА-Щ-РСК =24 | Рх10А, ~250В | С (симистор 50мА, ~220В) | К (транзистор 200мА, =50В) | =24В | 1...2 недели | 8232 руб. |
| G22672 | ВЕХА-Щ-РСК =12 | Рх10А, ~250В | С (симистор 50мА, ~220В) | К (транзистор 200мА, =50В) | =12В | 1...2 недели | 8232 руб. |
| G22392 | ВЕХА-Щ-РСС ~220 | Рх10А, ~250В | С (симистор 50мА, ~220В) | С (симистор 50мА, ~220В) | ~220В | 1...2 недели | 7416 руб. |
| G22492 | ВЕХА-Щ-РСС ~110 | Рх10А, ~250В | С (симистор 50мА, ~220В) | С (симистор 50мА, ~220В) | ~110В | 1...2 недели | 9320 руб. |
| G22592 | ВЕХА-Щ-РСС =24 | Рх10А, ~250В | С (симистор 50мА, ~220В) | С (симистор 50мА, ~220В) | =24В | 1...2 недели | 8232 руб. |
| G22692 | ВЕХА-Щ-РСС =12 | Рх10А, ~250В | С (симистор 50мА, ~220В) | С (симистор 50мА, ~220В) | =12В | 1...2 недели | 8232 руб. |
| G22412 | ВЕХА-Щ-РСТ ~220 | Рх10А, ~250В | С (симистор 50мА, ~220В) | Т (напряжение =(6..24В), 30 мА) | ~220В | 1...2 недели | 7416 руб. |
| G22512 | ВЕХА-Щ-РСТ ~110 | Рх10А, ~250В | С (симистор 50мА, ~220В) | Т (напряжение =(6..24В), 30 мА) | ~110В | 1...2 недели | 9320 руб. |
| G22612 | ВЕХА-Щ-РСТ =24 | Рх10А, ~250В | С (симистор 50мА, ~220В) | Т (напряжение =(6..24В), 30 мА) | =24В | 1...2 недели | 8232 руб. |
| G22712 | ВЕХА-Щ-РСТ =12 | Рх10А, ~250В | С (симистор 50мА, ~220В) | Т (напряжение =(6..24В), 30 мА) | =12В | 1...2 недели | 8232 руб. |
| G22336 | ВЕХА-Щ-РТ ~220 | Рх10А, ~250В | Т (напряжение =(6..24В), 30 мА) | нет | ~220В | 1...2 недели | 6599 руб. |
| G22436 | ВЕХА-Щ-РТ ~110 | Рх10А, ~250В | Т (напряжение =(6..24В), 30 мА) | нет | ~110В | 1...2 недели | 8504 руб. |
| G22536 | ВЕХА-Щ-РТ =24 | Рх10А, ~250В | Т (напряжение =(6..24В), 30 мА) | нет | =24В | 1...2 недели | 7416 руб. |
| G22636 | ВЕХА-Щ-РТ =12 | Рх10А, ~250В | Т (напряжение =(6..24В), 30 мА) | нет | =12В | 1...2 недели | 7416 руб. |
| G22356 | ВЕХА-Щ-РТР ~220 | Рх10А, ~250В | Т (напряжение =(6..24В), 30 мА) | Рх10А, ~250В | ~220В | 1...2 недели | 6926 руб. |
| G22456 | ВЕХА-Щ-РТР ~110 | Рх10А, ~250В | Т (напряжение =(6..24В), 30 мА) | Рх10А, ~250В | ~110В | 1...2 недели | 8832 руб. |
| G22556 | ВЕХА-Щ-РТР =24 | Рх10А, ~250В | Т (напряжение =(6..24В), 30 мА) | Рх10А, ~250В | =24В | 1...2 недели | 7744 руб. |
| G22656 | ВЕХА-Щ-РТР =12 | Рх10А, ~250В | Т (напряжение =(6..24В), 30 мА) | Рх10А, ~250В | =12В | 1...2 недели | 7744 руб. |
| G22376 | ВЕХА-Щ-РТК ~220 | Рх10А, ~250В | Т (напряжение =(6..24В), 30 мА) | К (транзистор 200мА, =50В) | ~220В | 1...2 недели | 7416 руб. |
| G22476 | ВЕХА-Щ-РТК ~110 | Рх10А, ~250В | Т (напряжение =(6..24В), 30 мА) | К (транзистор 200мА, =50В) | ~110В | 1...2 недели | 9320 руб. |
| G22576 | ВЕХА-Щ-РТК =24 | Рх10А, ~250В | Т (напряжение =(6..24В), 30 мА) | К (транзистор 200мА, =50В) | =24В | 1...2 недели | 8232 руб. |
| G22676 | ВЕХА-Щ-РТК =12 | Рх10А, ~250В | Т (напряжение =(6..24В), 30 мА) | К (транзистор 200мА, =50В) | =12В | 1...2 недели | 8232 руб. |
| G22396 | ВЕХА-Щ-РТС ~220 | Рх10А, ~250В | Т (напряжение =(6..24В), 30 мА) | С (симистор 50мА, ~220В) | ~220В | 1...2 недели | 7416 руб. |
| G22496 | ВЕХА-Щ-РТС ~110 | Рх10А, ~250В | Т (напряжение =(6..24В), 30 мА) | С (симистор 50мА, ~220В) | ~110В | 1...2 недели | 9320 руб. |
| G22596 | ВЕХА-Щ-РТС =24 | Рх10А, ~250В | Т (напряжение =(6..24В), 30 мА) | С (симистор 50мА, ~220В) | =24В | 1...2 недели | 8232 руб. |
| G22696 | ВЕХА-Щ-РТС =12 | Рх10А, ~250В | Т (напряжение =(6..24В), 30 мА) | С (симистор 50мА, ~220В) | =12В | 1...2 недели | 8232 руб. |
| G22416 | ВЕХА-Щ-РТТ ~220 | Рх10А, ~250В | Т (напряжение =(6..24В), 30 мА) | Т (напряжение =(6..24В), 30 мА) | ~220В | 1...2 недели | 7416 руб. |
| G22516 | ВЕХА-Щ-РТТ ~110 | Рх10А, ~250В | Т (напряжение =(6..24В), 30 мА) | Т (напряжение =(6..24В), 30 мА) | ~110В | 1...2 недели | 9320 руб. |
| G22616 | ВЕХА-Щ-РТТ =24 | Рх10А, ~250В | Т (напряжение =(6..24В), 30 мА) | Т (напряжение =(6..24В), 30 мА) | =24В | 1...2 недели | 8232 руб. |
| G22716 | ВЕХА-Щ-РТТ =12 | Рх10А, ~250В | Т (напряжение =(6..24В), 30 мА) | Т (напряжение =(6..24В), 30 мА) | =12В | 1...2 недели | 8232 руб. |
| G22321 | ВЕХА-Щ-К ~220 | К (транзистор 200мА, =50В) | нет | нет | ~220В | 1...2 недели | 6599 руб. |
| G22421 | ВЕХА-Щ-К ~110 | К (транзистор 200мА, =50В) | нет | нет | ~110В | 1...2 недели | 8504 руб. |
| G22521 | ВЕХА-Щ-К =24 | К (транзистор 200мА, =50В) | нет | нет | =24В | 1...2 недели | 7416 руб. |
| G22621 | ВЕХА-Щ-К =12 | К (транзистор 200мА, =50В) | нет | нет | =12В | 1...2 недели | 7416 руб. |
| G22341 | ВЕХА-Щ-КР ~220 | К (транзистор 200мА, =50В) | нет | Рх10А, ~250В | ~220В | 1...2 недели | 6926 руб. |
| G22441 | ВЕХА-Щ-КР ~110 | К (транзистор 200мА, =50В) | нет | Рх10А, ~250В | ~110В | 1...2 недели | 8832 руб. |
| G22541 | ВЕХА-Щ-КР =24 | К (транзистор 200мА, =50В) | нет | Рх10А, ~250В | =24В | 1...2 недели | 7744 руб. |
| G22641 | ВЕХА-Щ-КР =12 | К (транзистор 200мА, =50В) | нет | Рх10А, ~250В | =12В | 1...2 недели | 7744 руб. |
| G22361 | ВЕХА-Щ-КК ~220 | К (транзистор 200мА, =50В) | нет | К (транзистор 200мА, =50В) | ~220В | 1...2 недели | 7416 руб. |
| G22461 | ВЕХА-Щ-КК ~110 | К (транзистор 200мА, =50В) | нет | К (транзистор 200мА, =50В) | ~110В | 1...2 недели | 9320 руб. |
| G22561 | ВЕХА-Щ-КК =24 | К (транзистор 200мА, =50В) | нет | К (транзистор 200мА, =50В) | =24В | 1...2 недели | 8232 руб. |
| G22661 | ВЕХА-Щ-КК =12 | К (транзистор 200мА, =50В) | нет | К (транзистор 200мА, =50В) | =12В | 1...2 недели | 8232 руб. |
| G22381 | ВЕХА-Щ-КС ~220 | К (транзистор 200мА, =50В) | нет | С (симистор 50мА, ~220В) | ~220В | 1...2 недели | 7416 руб. |
| G22481 | ВЕХА-Щ-КС ~110 | К (транзистор 200мА, =50В) | нет | С (симистор 50мА, ~220В) | ~110В | 1...2 недели | 9320 руб. |
| G22581 | ВЕХА-Щ-КС =24 | К (транзистор 200мА, =50В) | нет | С (симистор 50мА, ~220В) | =24В | 1...2 недели | 8232 руб. |
| G22681 | ВЕХА-Щ-КС =12 | К (транзистор 200мА, =50В) | нет | С (симистор 50мА, ~220В) | =12В | 1...2 недели | 8232 руб. |
| G22401 | ВЕХА-Щ-КТ ~220 | К (транзистор 200мА, =50В) | нет | Т (напряжение =(6..24В), 30 мА) | ~220В | 1...2 недели | 7416 руб. |
| G22501 | ВЕХА-Щ-КТ ~110 | К (транзистор 200мА, =50В) | нет | Т (напряжение =(6..24В), 30 мА) | ~110В | 1...2 недели | 9320 руб. |
| G22601 | ВЕХА-Щ-КТ =24 | К (транзистор 200мА, =50В) | нет | Т (напряжение =(6..24В), 30 мА) | =24В | 1...2 недели | 8232 руб. |
| G22701 | ВЕХА-Щ-КТ =12 | К (транзистор 200мА, =50В) | нет | Т (напряжение =(6..24В), 30 мА) | =12В | 1...2 недели | 8232 руб. |
| G22325 | ВЕХА-Щ-КР ~220 | К (транзистор 200мА, =50В) | Рх10А, ~250В | нет | ~220В | 1...2 недели | 6926 руб. |
| G22425 | ВЕХА-Щ-КР ~110 | К (транзистор 200мА, =50В) | Рх10А, ~250В | нет | ~110В | 1...2 недели | 8832 руб. |
| G22525 | ВЕХА-Щ-КР =24 | К (транзистор 200мА, =50В) | Рх10А, ~250В | нет | =24В | 1...2 недели | 7744 руб. |
| G22625 | ВЕХА-Щ-КР =12 | К (транзистор 200мА, =50В) | Рх10А, ~250В | нет | =12В | 1...2 недели | 7744 руб. |
| G22345 | ВЕХА-Щ-КРР ~220 | К (транзистор 200мА, =50В) | Рх10А, ~250В | Рх10А, ~250В | ~220В | 1...2 недели | 7255 руб. |
| G22445 | ВЕХА-Щ-КРР ~110 | К (транзистор 200мА, =50В) | Рх10А, ~250В | Рх10А, ~250В | ~110В | 1...2 недели | 9159 руб. |
| G22545 | ВЕХА-Щ-КРР =24 | К (транзистор 200мА, =50В) | Рх10А, ~250В | Рх10А, ~250В | =24В | 1...2 недели | 8071 руб. |
| G22645 | ВЕХА-Щ-КРР =12 | К (транзистор 200мА, =50В) | Рх10А, ~250В | Рх10А, ~250В | =12В | 1...2 недели | 8071 руб. |
| G22365 | ВЕХА-Щ-КРК ~220 | К (транзистор 200мА, =50В) | Рх10А, ~250В | К (транзистор 200мА, =50В) | ~220В | 1...2 недели | 7744 руб. |
| G22465 | ВЕХА-Щ-КРК ~110 | К (транзистор 200мА, =50В) | Рх10А, ~250В | К (транзистор 200мА, =50В) | ~110В | 1...2 недели | 9648 руб. |
| G22565 | ВЕХА-Щ-КРК =24 | К (транзистор 200мА, =50В) | Рх10А, ~250В | К (транзистор 200мА, =50В) | =24В | 1...2 недели | 8561 руб. |
| G22665 | ВЕХА-Щ-КРК =12 | К (транзистор 200мА, =50В) | Рх10А, ~250В | К (транзистор 200мА, =50В) | =12В | 1...2 недели | 8561 руб. |
| G22385 | ВЕХА-Щ-КРС ~220 | К (транзистор 200мА, =50В) | Рх10А, ~250В | С (симистор 50мА, ~220В) | ~220В | 1...2 недели | 7744 руб. |
| G22485 | ВЕХА-Щ-КРС ~110 | К (транзистор 200мА, =50В) | Рх10А, ~250В | С (симистор 50мА, ~220В) | ~110В | 1...2 недели | 9648 руб. |
| G22585 | ВЕХА-Щ-КРС =24 | К (транзистор 200мА, =50В) | Рх10А, ~250В | С (симистор 50мА, ~220В) | =24В | 1...2 недели | 8561 руб. |
| G22685 | ВЕХА-Щ-КРС =12 | К (транзистор 200мА, =50В) | Рх10А, ~250В | С (симистор 50мА, ~220В) | =12В | 1...2 недели | 8561 руб. |
| G22405 | ВЕХА-Щ-КРТ ~220 | К (транзистор 200мА, =50В) | Рх10А, ~250В | Т (напряжение =(6..24В), 30 мА) | ~220В | 1...2 недели | 7744 руб. |
| G22505 | ВЕХА-Щ-КРТ ~110 | К (транзистор 200мА, =50В) | Рх10А, ~250В | Т (напряжение =(6..24В), 30 мА) | ~110В | 1...2 недели | 9648 руб. |
| G22605 | ВЕХА-Щ-КРТ =24 | К (транзистор 200мА, =50В) | Рх10А, ~250В | Т (напряжение =(6..24В), 30 мА) | =24В | 1...2 недели | 8561 руб. |
| G22705 | ВЕХА-Щ-КРТ =12 | К (транзистор 200мА, =50В) | Рх10А, ~250В | Т (напряжение =(6..24В), 30 мА) | =12В | 1...2 недели | 8561 руб. |
| G22329 | ВЕХА-Щ-КК ~220 | К (транзистор 200мА, =50В) | К (транзистор 200мА, =50В) | нет | ~220В | 1...2 недели | 7416 руб. |
| G22429 | ВЕХА-Щ-КК ~110 | К (транзистор 200мА, =50В) | К (транзистор 200мА, =50В) | нет | ~110В | 1...2 недели | 9320 руб. |
| G22529 | ВЕХА-Щ-КК =24 | К (транзистор 200мА, =50В) | К (транзистор 200мА, =50В) | нет | =24В | 1...2 недели | 8232 руб. |
| G22629 | ВЕХА-Щ-КК =12 | К (транзистор 200мА, =50В) | К (транзистор 200мА, =50В) | нет | =12В | 1...2 недели | 8232 руб. |
| G22349 | ВЕХА-Щ-ККР ~220 | К (транзистор 200мА, =50В) | К (транзистор 200мА, =50В) | Рх10А, ~250В | ~220В | 1...2 недели | 7744 руб. |
| G22449 | ВЕХА-Щ-ККР ~110 | К (транзистор 200мА, =50В) | К (транзистор 200мА, =50В) | Рх10А, ~250В | ~110В | 1...2 недели | 9648 руб. |
| G22549 | ВЕХА-Щ-ККР =24 | К (транзистор 200мА, =50В) | К (транзистор 200мА, =50В) | Рх10А, ~250В | =24В | 1...2 недели | 8561 руб. |
| G22649 | ВЕХА-Щ-ККР =12 | К (транзистор 200мА, =50В) | К (транзистор 200мА, =50В) | Рх10А, ~250В | =12В | 1...2 недели | 8561 руб. |
| G22369 | ВЕХА-Щ-ККК ~220 | К (транзистор 200мА, =50В) | К (транзистор 200мА, =50В) | К (транзистор 200мА, =50В) | ~220В | 1...2 недели | 8232 руб. |
| G22469 | ВЕХА-Щ-ККК ~110 | К (транзистор 200мА, =50В) | К (транзистор 200мА, =50В) | К (транзистор 200мА, =50В) | ~110В | 1...2 недели | 10139 руб. |
| G22569 | ВЕХА-Щ-ККК =24 | К (транзистор 200мА, =50В) | К (транзистор 200мА, =50В) | К (транзистор 200мА, =50В) | =24В | 1...2 недели | 9051 руб. |
| G22669 | ВЕХА-Щ-ККК =12 | К (транзистор 200мА, =50В) | К (транзистор 200мА, =50В) | К (транзистор 200мА, =50В) | =12В | 1...2 недели | 9051 руб. |
| G22389 | ВЕХА-Щ-ККС ~220 | К (транзистор 200мА, =50В) | К (транзистор 200мА, =50В) | С (симистор 50мА, ~220В) | ~220В | 1...2 недели | 8232 руб. |
| G22489 | ВЕХА-Щ-ККС ~110 | К (транзистор 200мА, =50В) | К (транзистор 200мА, =50В) | С (симистор 50мА, ~220В) | ~110В | 1...2 недели | 10139 руб. |
| G22589 | ВЕХА-Щ-ККС =24 | К (транзистор 200мА, =50В) | К (транзистор 200мА, =50В) | С (симистор 50мА, ~220В) | =24В | 1...2 недели | 9051 руб. |
| G22689 | ВЕХА-Щ-ККС =12 | К (транзистор 200мА, =50В) | К (транзистор 200мА, =50В) | С (симистор 50мА, ~220В) | =12В | 1...2 недели | 9051 руб. |
| G22409 | ВЕХА-Щ-ККТ ~220 | К (транзистор 200мА, =50В) | К (транзистор 200мА, =50В) | Т (напряжение =(6..24В), 30 мА) | ~220В | 1...2 недели | 8232 руб. |
| G22509 | ВЕХА-Щ-ККТ ~110 | К (транзистор 200мА, =50В) | К (транзистор 200мА, =50В) | Т (напряжение =(6..24В), 30 мА) | ~110В | 1...2 недели | 10139 руб. |
| G22609 | ВЕХА-Щ-ККТ =24 | К (транзистор 200мА, =50В) | К (транзистор 200мА, =50В) | Т (напряжение =(6..24В), 30 мА) | =24В | 1...2 недели | 9051 руб. |
| G22709 | ВЕХА-Щ-ККТ =12 | К (транзистор 200мА, =50В) | К (транзистор 200мА, =50В) | Т (напряжение =(6..24В), 30 мА) | =12В | 1...2 недели | 9051 руб. |
| G22333 | ВЕХА-Щ-КС ~220 | К (транзистор 200мА, =50В) | С (симистор 50мА, ~220В) | нет | ~220В | 1...2 недели | 7416 руб. |
| G22433 | ВЕХА-Щ-КС ~110 | К (транзистор 200мА, =50В) | С (симистор 50мА, ~220В) | нет | ~110В | 1...2 недели | 9320 руб. |
| G22533 | ВЕХА-Щ-КС =24 | К (транзистор 200мА, =50В) | С (симистор 50мА, ~220В) | нет | =24В | 1...2 недели | 8232 руб. |
| G22633 | ВЕХА-Щ-КС =12 | К (транзистор 200мА, =50В) | С (симистор 50мА, ~220В) | нет | =12В | 1...2 недели | 8232 руб. |
| G22353 | ВЕХА-Щ-КСР ~220 | К (транзистор 200мА, =50В) | С (симистор 50мА, ~220В) | Рх10А, ~250В | ~220В | 1...2 недели | 7744 руб. |
| G22453 | ВЕХА-Щ-КСР ~110 | К (транзистор 200мА, =50В) | С (симистор 50мА, ~220В) | Рх10А, ~250В | ~110В | 1...2 недели | 9648 руб. |
| G22553 | ВЕХА-Щ-КСР =24 | К (транзистор 200мА, =50В) | С (симистор 50мА, ~220В) | Рх10А, ~250В | =24В | 1...2 недели | 8561 руб. |
| G22653 | ВЕХА-Щ-КСР =12 | К (транзистор 200мА, =50В) | С (симистор 50мА, ~220В) | Рх10А, ~250В | =12В | 1...2 недели | 8561 руб. |
| G22373 | ВЕХА-Щ-КСК ~220 | К (транзистор 200мА, =50В) | С (симистор 50мА, ~220В) | К (транзистор 200мА, =50В) | ~220В | 1...2 недели | 8232 руб. |
| G22473 | ВЕХА-Щ-КСК ~110 | К (транзистор 200мА, =50В) | С (симистор 50мА, ~220В) | К (транзистор 200мА, =50В) | ~110В | 1...2 недели | 10139 руб. |
| G22573 | ВЕХА-Щ-КСК =24 | К (транзистор 200мА, =50В) | С (симистор 50мА, ~220В) | К (транзистор 200мА, =50В) | =24В | 1...2 недели | 9051 руб. |
| G22673 | ВЕХА-Щ-КСК =12 | К (транзистор 200мА, =50В) | С (симистор 50мА, ~220В) | К (транзистор 200мА, =50В) | =12В | 1...2 недели | 9051 руб. |
| G22393 | ВЕХА-Щ-КСС ~220 | К (транзистор 200мА, =50В) | С (симистор 50мА, ~220В) | С (симистор 50мА, ~220В) | ~220В | 1...2 недели | 8232 руб. |
| G22493 | ВЕХА-Щ-КСС ~110 | К (транзистор 200мА, =50В) | С (симистор 50мА, ~220В) | С (симистор 50мА, ~220В) | ~110В | 1...2 недели | 10139 руб. |
| G22593 | ВЕХА-Щ-КСС =24 | К (транзистор 200мА, =50В) | С (симистор 50мА, ~220В) | С (симистор 50мА, ~220В) | =24В | 1...2 недели | 9051 руб. |
| G22693 | ВЕХА-Щ-КСС =12 | К (транзистор 200мА, =50В) | С (симистор 50мА, ~220В) | С (симистор 50мА, ~220В) | =12В | 1...2 недели | 9051 руб. |
| G22413 | ВЕХА-Щ-КСТ ~220 | К (транзистор 200мА, =50В) | С (симистор 50мА, ~220В) | Т (напряжение =(6..24В), 30 мА) | ~220В | 1...2 недели | 8232 руб. |
| G22513 | ВЕХА-Щ-КСТ ~110 | К (транзистор 200мА, =50В) | С (симистор 50мА, ~220В) | Т (напряжение =(6..24В), 30 мА) | ~110В | 1...2 недели | 10139 руб. |
| G22613 | ВЕХА-Щ-КСТ =24 | К (транзистор 200мА, =50В) | С (симистор 50мА, ~220В) | Т (напряжение =(6..24В), 30 мА) | =24В | 1...2 недели | 9051 руб. |
| G22713 | ВЕХА-Щ-КСТ =12 | К (транзистор 200мА, =50В) | С (симистор 50мА, ~220В) | Т (напряжение =(6..24В), 30 мА) | =12В | 1...2 недели | 9051 руб. |
| G22337 | ВЕХА-Щ-КТ ~220 | К (транзистор 200мА, =50В) | Т (напряжение =(6..24В), 30 мА) | нет | ~220В | 1...2 недели | 7416 руб. |
| G22437 | ВЕХА-Щ-КТ ~110 | К (транзистор 200мА, =50В) | Т (напряжение =(6..24В), 30 мА) | нет | ~110В | 1...2 недели | 9320 руб. |
| G22537 | ВЕХА-Щ-КТ =24 | К (транзистор 200мА, =50В) | Т (напряжение =(6..24В), 30 мА) | нет | =24В | 1...2 недели | 8232 руб. |
| G22637 | ВЕХА-Щ-КТ =12 | К (транзистор 200мА, =50В) | Т (напряжение =(6..24В), 30 мА) | нет | =12В | 1...2 недели | 8232 руб. |
| G22357 | ВЕХА-Щ-КТР ~220 | К (транзистор 200мА, =50В) | Т (напряжение =(6..24В), 30 мА) | Рх10А, ~250В | ~220В | 1...2 недели | 7744 руб. |
| G22457 | ВЕХА-Щ-КТР ~110 | К (транзистор 200мА, =50В) | Т (напряжение =(6..24В), 30 мА) | Рх10А, ~250В | ~110В | 1...2 недели | 9648 руб. |
| G22557 | ВЕХА-Щ-КТР =24 | К (транзистор 200мА, =50В) | Т (напряжение =(6..24В), 30 мА) | Рх10А, ~250В | =24В | 1...2 недели | 8561 руб. |
| G22657 | ВЕХА-Щ-КТР =12 | К (транзистор 200мА, =50В) | Т (напряжение =(6..24В), 30 мА) | Рх10А, ~250В | =12В | 1...2 недели | 8561 руб. |
| G22377 | ВЕХА-Щ-КТК ~220 | К (транзистор 200мА, =50В) | Т (напряжение =(6..24В), 30 мА) | К (транзистор 200мА, =50В) | ~220В | 1...2 недели | 8232 руб. |
| G22477 | ВЕХА-Щ-КТК ~110 | К (транзистор 200мА, =50В) | Т (напряжение =(6..24В), 30 мА) | К (транзистор 200мА, =50В) | ~110В | 1...2 недели | 10139 руб. |
| G22577 | ВЕХА-Щ-КТК =24 | К (транзистор 200мА, =50В) | Т (напряжение =(6..24В), 30 мА) | К (транзистор 200мА, =50В) | =24В | 1...2 недели | 9051 руб. |
| G22677 | ВЕХА-Щ-КТК =12 | К (транзистор 200мА, =50В) | Т (напряжение =(6..24В), 30 мА) | К (транзистор 200мА, =50В) | =12В | 1...2 недели | 9051 руб. |
| G22397 | ВЕХА-Щ-КТС ~220 | К (транзистор 200мА, =50В) | Т (напряжение =(6..24В), 30 мА) | С (симистор 50мА, ~220В) | ~220В | 1...2 недели | 8232 руб. |
| G22497 | ВЕХА-Щ-КТС ~110 | К (транзистор 200мА, =50В) | Т (напряжение =(6..24В), 30 мА) | С (симистор 50мА, ~220В) | ~110В | 1...2 недели | 10139 руб. |
| G22597 | ВЕХА-Щ-КТС =24 | К (транзистор 200мА, =50В) | Т (напряжение =(6..24В), 30 мА) | С (симистор 50мА, ~220В) | =24В | 1...2 недели | 9051 руб. |
| G22697 | ВЕХА-Щ-КТС =12 | К (транзистор 200мА, =50В) | Т (напряжение =(6..24В), 30 мА) | С (симистор 50мА, ~220В) | =12В | 1...2 недели | 9051 руб. |
| G22417 | ВЕХА-Щ-КТТ ~220 | К (транзистор 200мА, =50В) | Т (напряжение =(6..24В), 30 мА) | Т (напряжение =(6..24В), 30 мА) | ~220В | 1...2 недели | 8232 руб. |
| G22517 | ВЕХА-Щ-КТТ ~110 | К (транзистор 200мА, =50В) | Т (напряжение =(6..24В), 30 мА) | Т (напряжение =(6..24В), 30 мА) | ~110В | 1...2 недели | 10139 руб. |
| G22617 | ВЕХА-Щ-КТТ =24 | К (транзистор 200мА, =50В) | Т (напряжение =(6..24В), 30 мА) | Т (напряжение =(6..24В), 30 мА) | =24В | 1...2 недели | 9051 руб. |
| G22717 | ВЕХА-Щ-КТТ =12 | К (транзистор 200мА, =50В) | Т (напряжение =(6..24В), 30 мА) | Т (напряжение =(6..24В), 30 мА) | =12В | 1...2 недели | 9051 руб. |
| G22322 | ВЕХА-Щ-С ~220 | С (симистор 50мА, ~220В) | нет | нет | ~220В | 1...2 недели | 6599 руб. |
| G22422 | ВЕХА-Щ-С ~110 | С (симистор 50мА, ~220В) | нет | нет | ~110В | 1...2 недели | 8504 руб. |
| G22522 | ВЕХА-Щ-С =24 | С (симистор 50мА, ~220В) | нет | нет | =24В | 1...2 недели | 7416 руб. |
| G22622 | ВЕХА-Щ-С =12 | С (симистор 50мА, ~220В) | нет | нет | =12В | 1...2 недели | 7416 руб. |
| G22342 | ВЕХА-Щ-СР ~220 | С (симистор 50мА, ~220В) | нет | Рх10А, ~250В | ~220В | 1...2 недели | 6926 руб. |
| G22442 | ВЕХА-Щ-СР ~110 | С (симистор 50мА, ~220В) | нет | Рх10А, ~250В | ~110В | 1...2 недели | 8832 руб. |
| G22542 | ВЕХА-Щ-СР =24 | С (симистор 50мА, ~220В) | нет | Рх10А, ~250В | =24В | 1...2 недели | 7744 руб. |
| G22642 | ВЕХА-Щ-СР =12 | С (симистор 50мА, ~220В) | нет | Рх10А, ~250В | =12В | 1...2 недели | 7744 руб. |
| G22362 | ВЕХА-Щ-СК ~220 | С (симистор 50мА, ~220В) | нет | К (транзистор 200мА, =50В) | ~220В | 1...2 недели | 7416 руб. |
| G22462 | ВЕХА-Щ-СК ~110 | С (симистор 50мА, ~220В) | нет | К (транзистор 200мА, =50В) | ~110В | 1...2 недели | 9320 руб. |
| G22562 | ВЕХА-Щ-СК =24 | С (симистор 50мА, ~220В) | нет | К (транзистор 200мА, =50В) | =24В | 1...2 недели | 8232 руб. |
| G22662 | ВЕХА-Щ-СК =12 | С (симистор 50мА, ~220В) | нет | К (транзистор 200мА, =50В) | =12В | 1...2 недели | 8232 руб. |
| G22382 | ВЕХА-Щ-СС ~220 | С (симистор 50мА, ~220В) | нет | С (симистор 50мА, ~220В) | ~220В | 1...2 недели | 7416 руб. |
| G22482 | ВЕХА-Щ-СС ~110 | С (симистор 50мА, ~220В) | нет | С (симистор 50мА, ~220В) | ~110В | 1...2 недели | 9320 руб. |
| G22582 | ВЕХА-Щ-СС =24 | С (симистор 50мА, ~220В) | нет | С (симистор 50мА, ~220В) | =24В | 1...2 недели | 8232 руб. |
| G22682 | ВЕХА-Щ-СС =12 | С (симистор 50мА, ~220В) | нет | С (симистор 50мА, ~220В) | =12В | 1...2 недели | 8232 руб. |
| G22402 | ВЕХА-Щ-СТ ~220 | С (симистор 50мА, ~220В) | нет | Т (напряжение =(6..24В), 30 мА) | ~220В | 1...2 недели | 7416 руб. |
| G22502 | ВЕХА-Щ-СТ ~110 | С (симистор 50мА, ~220В) | нет | Т (напряжение =(6..24В), 30 мА) | ~110В | 1...2 недели | 9320 руб. |
| G22602 | ВЕХА-Щ-СТ =24 | С (симистор 50мА, ~220В) | нет | Т (напряжение =(6..24В), 30 мА) | =24В | 1...2 недели | 8232 руб. |
| G22702 | ВЕХА-Щ-СТ =12 | С (симистор 50мА, ~220В) | нет | Т (напряжение =(6..24В), 30 мА) | =12В | 1...2 недели | 8232 руб. |
| G22326 | ВЕХА-Щ-СР ~220 | С (симистор 50мА, ~220В) | Рх10А, ~250В | нет | ~220В | 1...2 недели | 6926 руб. |
| G22426 | ВЕХА-Щ-СР ~110 | С (симистор 50мА, ~220В) | Рх10А, ~250В | нет | ~110В | 1...2 недели | 8832 руб. |
| G22526 | ВЕХА-Щ-СР =24 | С (симистор 50мА, ~220В) | Рх10А, ~250В | нет | =24В | 1...2 недели | 7744 руб. |
| G22626 | ВЕХА-Щ-СР =12 | С (симистор 50мА, ~220В) | Рх10А, ~250В | нет | =12В | 1...2 недели | 7744 руб. |
| G22346 | ВЕХА-Щ-СРР ~220 | С (симистор 50мА, ~220В) | Рх10А, ~250В | Рх10А, ~250В | ~220В | 1...2 недели | 7255 руб. |
| G22446 | ВЕХА-Щ-СРР ~110 | С (симистор 50мА, ~220В) | Рх10А, ~250В | Рх10А, ~250В | ~110В | 1...2 недели | 9159 руб. |
| G22546 | ВЕХА-Щ-СРР =24 | С (симистор 50мА, ~220В) | Рх10А, ~250В | Рх10А, ~250В | =24В | 1...2 недели | 8071 руб. |
| G22646 | ВЕХА-Щ-СРР =12 | С (симистор 50мА, ~220В) | Рх10А, ~250В | Рх10А, ~250В | =12В | 1...2 недели | 8071 руб. |
| G22366 | ВЕХА-Щ-СРК ~220 | С (симистор 50мА, ~220В) | Рх10А, ~250В | К (транзистор 200мА, =50В) | ~220В | 1...2 недели | 7744 руб. |
| G22466 | ВЕХА-Щ-СРК ~110 | С (симистор 50мА, ~220В) | Рх10А, ~250В | К (транзистор 200мА, =50В) | ~110В | 1...2 недели | 9648 руб. |
| G22566 | ВЕХА-Щ-СРК =24 | С (симистор 50мА, ~220В) | Рх10А, ~250В | К (транзистор 200мА, =50В) | =24В | 1...2 недели | 8561 руб. |
| G22666 | ВЕХА-Щ-СРК =12 | С (симистор 50мА, ~220В) | Рх10А, ~250В | К (транзистор 200мА, =50В) | =12В | 1...2 недели | 8561 руб. |
| G22386 | ВЕХА-Щ-СРС ~220 | С (симистор 50мА, ~220В) | Рх10А, ~250В | С (симистор 50мА, ~220В) | ~220В | 1...2 недели | 7744 руб. |
| G22486 | ВЕХА-Щ-СРС ~110 | С (симистор 50мА, ~220В) | Рх10А, ~250В | С (симистор 50мА, ~220В) | ~110В | 1...2 недели | 9648 руб. |
| G22586 | ВЕХА-Щ-СРС =24 | С (симистор 50мА, ~220В) | Рх10А, ~250В | С (симистор 50мА, ~220В) | =24В | 1...2 недели | 8561 руб. |
| G22686 | ВЕХА-Щ-СРС =12 | С (симистор 50мА, ~220В) | Рх10А, ~250В | С (симистор 50мА, ~220В) | =12В | 1...2 недели | 8561 руб. |
| G22406 | ВЕХА-Щ-СРТ ~220 | С (симистор 50мА, ~220В) | Рх10А, ~250В | Т (напряжение =(6..24В), 30 мА) | ~220В | 1...2 недели | 7744 руб. |
| G22506 | ВЕХА-Щ-СРТ ~110 | С (симистор 50мА, ~220В) | Рх10А, ~250В | Т (напряжение =(6..24В), 30 мА) | ~110В | 1...2 недели | 9648 руб. |
| G22606 | ВЕХА-Щ-СРТ =24 | С (симистор 50мА, ~220В) | Рх10А, ~250В | Т (напряжение =(6..24В), 30 мА) | =24В | 1...2 недели | 8561 руб. |
| G22706 | ВЕХА-Щ-СРТ =12 | С (симистор 50мА, ~220В) | Рх10А, ~250В | Т (напряжение =(6..24В), 30 мА) | =12В | 1...2 недели | 8561 руб. |
| G22330 | ВЕХА-Щ-СК ~220 | С (симистор 50мА, ~220В) | К (транзистор 200мА, =50В) | нет | ~220В | 1...2 недели | 7416 руб. |
| G22430 | ВЕХА-Щ-СК ~110 | С (симистор 50мА, ~220В) | К (транзистор 200мА, =50В) | нет | ~110В | 1...2 недели | 9320 руб. |
| G22530 | ВЕХА-Щ-СК =24 | С (симистор 50мА, ~220В) | К (транзистор 200мА, =50В) | нет | =24В | 1...2 недели | 8232 руб. |
| G22630 | ВЕХА-Щ-СК =12 | С (симистор 50мА, ~220В) | К (транзистор 200мА, =50В) | нет | =12В | 1...2 недели | 8232 руб. |
| G22350 | ВЕХА-Щ-СКР ~220 | С (симистор 50мА, ~220В) | К (транзистор 200мА, =50В) | Рх10А, ~250В | ~220В | 1...2 недели | 7744 руб. |
| G22450 | ВЕХА-Щ-СКР ~110 | С (симистор 50мА, ~220В) | К (транзистор 200мА, =50В) | Рх10А, ~250В | ~110В | 1...2 недели | 9648 руб. |
| G22550 | ВЕХА-Щ-СКР =24 | С (симистор 50мА, ~220В) | К (транзистор 200мА, =50В) | Рх10А, ~250В | =24В | 1...2 недели | 8561 руб. |
| G22650 | ВЕХА-Щ-СКР =12 | С (симистор 50мА, ~220В) | К (транзистор 200мА, =50В) | Рх10А, ~250В | =12В | 1...2 недели | 8561 руб. |
| G22370 | ВЕХА-Щ-СКК ~220 | С (симистор 50мА, ~220В) | К (транзистор 200мА, =50В) | К (транзистор 200мА, =50В) | ~220В | 1...2 недели | 8232 руб. |
| G22470 | ВЕХА-Щ-СКК ~110 | С (симистор 50мА, ~220В) | К (транзистор 200мА, =50В) | К (транзистор 200мА, =50В) | ~110В | 1...2 недели | 10139 руб. |
| G22570 | ВЕХА-Щ-СКК =24 | С (симистор 50мА, ~220В) | К (транзистор 200мА, =50В) | К (транзистор 200мА, =50В) | =24В | 1...2 недели | 9051 руб. |
| G22670 | ВЕХА-Щ-СКК =12 | С (симистор 50мА, ~220В) | К (транзистор 200мА, =50В) | К (транзистор 200мА, =50В) | =12В | 1...2 недели | 9051 руб. |
| G22390 | ВЕХА-Щ-СКС ~220 | С (симистор 50мА, ~220В) | К (транзистор 200мА, =50В) | С (симистор 50мА, ~220В) | ~220В | 1...2 недели | 8232 руб. |
| G22490 | ВЕХА-Щ-СКС ~110 | С (симистор 50мА, ~220В) | К (транзистор 200мА, =50В) | С (симистор 50мА, ~220В) | ~110В | 1...2 недели | 10139 руб. |
| G22590 | ВЕХА-Щ-СКС =24 | С (симистор 50мА, ~220В) | К (транзистор 200мА, =50В) | С (симистор 50мА, ~220В) | =24В | 1...2 недели | 9051 руб. |
| G22690 | ВЕХА-Щ-СКС =12 | С (симистор 50мА, ~220В) | К (транзистор 200мА, =50В) | С (симистор 50мА, ~220В) | =12В | 1...2 недели | 9051 руб. |
| G22410 | ВЕХА-Щ-СКТ ~220 | С (симистор 50мА, ~220В) | К (транзистор 200мА, =50В) | Т (напряжение =(6..24В), 30 мА) | ~220В | 1...2 недели | 8232 руб. |
| G22510 | ВЕХА-Щ-СКТ ~110 | С (симистор 50мА, ~220В) | К (транзистор 200мА, =50В) | Т (напряжение =(6..24В), 30 мА) | ~110В | 1...2 недели | 10139 руб. |
| G22610 | ВЕХА-Щ-СКТ =24 | С (симистор 50мА, ~220В) | К (транзистор 200мА, =50В) | Т (напряжение =(6..24В), 30 мА) | =24В | 1...2 недели | 9051 руб. |
| G22710 | ВЕХА-Щ-СКТ =12 | С (симистор 50мА, ~220В) | К (транзистор 200мА, =50В) | Т (напряжение =(6..24В), 30 мА) | =12В | 1...2 недели | 9051 руб. |
| G22334 | ВЕХА-Щ-СС ~220 | С (симистор 50мА, ~220В) | С (симистор 50мА, ~220В) | нет | ~220В | 1...2 недели | 7416 руб. |
| G22434 | ВЕХА-Щ-СС ~110 | С (симистор 50мА, ~220В) | С (симистор 50мА, ~220В) | нет | ~110В | 1...2 недели | 9320 руб. |
| G22534 | ВЕХА-Щ-СС =24 | С (симистор 50мА, ~220В) | С (симистор 50мА, ~220В) | нет | =24В | 1...2 недели | 8232 руб. |
| G22634 | ВЕХА-Щ-СС =12 | С (симистор 50мА, ~220В) | С (симистор 50мА, ~220В) | нет | =12В | 1...2 недели | 8232 руб. |
| G22354 | ВЕХА-Щ-ССР ~220 | С (симистор 50мА, ~220В) | С (симистор 50мА, ~220В) | Рх10А, ~250В | ~220В | 1...2 недели | 7744 руб. |
| G22454 | ВЕХА-Щ-ССР ~110 | С (симистор 50мА, ~220В) | С (симистор 50мА, ~220В) | Рх10А, ~250В | ~110В | 1...2 недели | 9648 руб. |
| G22554 | ВЕХА-Щ-ССР =24 | С (симистор 50мА, ~220В) | С (симистор 50мА, ~220В) | Рх10А, ~250В | =24В | 1...2 недели | 8561 руб. |
| G22654 | ВЕХА-Щ-ССР =12 | С (симистор 50мА, ~220В) | С (симистор 50мА, ~220В) | Рх10А, ~250В | =12В | 1...2 недели | 8561 руб. |
| G22374 | ВЕХА-Щ-ССК ~220 | С (симистор 50мА, ~220В) | С (симистор 50мА, ~220В) | К (транзистор 200мА, =50В) | ~220В | 1...2 недели | 8232 руб. |
| G22474 | ВЕХА-Щ-ССК ~110 | С (симистор 50мА, ~220В) | С (симистор 50мА, ~220В) | К (транзистор 200мА, =50В) | ~110В | 1...2 недели | 10139 руб. |
| G22574 | ВЕХА-Щ-ССК =24 | С (симистор 50мА, ~220В) | С (симистор 50мА, ~220В) | К (транзистор 200мА, =50В) | =24В | 1...2 недели | 9051 руб. |
| G22674 | ВЕХА-Щ-ССК =12 | С (симистор 50мА, ~220В) | С (симистор 50мА, ~220В) | К (транзистор 200мА, =50В) | =12В | 1...2 недели | 9051 руб. |
| G22394 | ВЕХА-Щ-ССС ~220 | С (симистор 50мА, ~220В) | С (симистор 50мА, ~220В) | С (симистор 50мА, ~220В) | ~220В | 1...2 недели | 8232 руб. |
| G22494 | ВЕХА-Щ-ССС ~110 | С (симистор 50мА, ~220В) | С (симистор 50мА, ~220В) | С (симистор 50мА, ~220В) | ~110В | 1...2 недели | 10139 руб. |
| G22594 | ВЕХА-Щ-ССС =24 | С (симистор 50мА, ~220В) | С (симистор 50мА, ~220В) | С (симистор 50мА, ~220В) | =24В | 1...2 недели | 9051 руб. |
| G22694 | ВЕХА-Щ-ССС =12 | С (симистор 50мА, ~220В) | С (симистор 50мА, ~220В) | С (симистор 50мА, ~220В) | =12В | 1...2 недели | 9051 руб. |
| G22414 | ВЕХА-Щ-ССТ ~220 | С (симистор 50мА, ~220В) | С (симистор 50мА, ~220В) | Т (напряжение =(6..24В), 30 мА) | ~220В | 1...2 недели | 8232 руб. |
| G22514 | ВЕХА-Щ-ССТ ~110 | С (симистор 50мА, ~220В) | С (симистор 50мА, ~220В) | Т (напряжение =(6..24В), 30 мА) | ~110В | 1...2 недели | 10139 руб. |
| G22614 | ВЕХА-Щ-ССТ =24 | С (симистор 50мА, ~220В) | С (симистор 50мА, ~220В) | Т (напряжение =(6..24В), 30 мА) | =24В | 1...2 недели | 9051 руб. |
| G22714 | ВЕХА-Щ-ССТ =12 | С (симистор 50мА, ~220В) | С (симистор 50мА, ~220В) | Т (напряжение =(6..24В), 30 мА) | =12В | 1...2 недели | 9051 руб. |
| G22338 | ВЕХА-Щ-СТ ~220 | С (симистор 50мА, ~220В) | Т (напряжение =(6..24В), 30 мА) | нет | ~220В | 1...2 недели | 7416 руб. |
| G22438 | ВЕХА-Щ-СТ ~110 | С (симистор 50мА, ~220В) | Т (напряжение =(6..24В), 30 мА) | нет | ~110В | 1...2 недели | 9320 руб. |
| G22538 | ВЕХА-Щ-СТ =24 | С (симистор 50мА, ~220В) | Т (напряжение =(6..24В), 30 мА) | нет | =24В | 1...2 недели | 8232 руб. |
| G22638 | ВЕХА-Щ-СТ =12 | С (симистор 50мА, ~220В) | Т (напряжение =(6..24В), 30 мА) | нет | =12В | 1...2 недели | 8232 руб. |
| G22358 | ВЕХА-Щ-СТР ~220 | С (симистор 50мА, ~220В) | Т (напряжение =(6..24В), 30 мА) | Рх10А, ~250В | ~220В | 1...2 недели | 7744 руб. |
| G22458 | ВЕХА-Щ-СТР ~110 | С (симистор 50мА, ~220В) | Т (напряжение =(6..24В), 30 мА) | Рх10А, ~250В | ~110В | 1...2 недели | 9648 руб. |
| G22558 | ВЕХА-Щ-СТР =24 | С (симистор 50мА, ~220В) | Т (напряжение =(6..24В), 30 мА) | Рх10А, ~250В | =24В | 1...2 недели | 8561 руб. |
| G22658 | ВЕХА-Щ-СТР =12 | С (симистор 50мА, ~220В) | Т (напряжение =(6..24В), 30 мА) | Рх10А, ~250В | =12В | 1...2 недели | 8561 руб. |
| G22378 | ВЕХА-Щ-СТК ~220 | С (симистор 50мА, ~220В) | Т (напряжение =(6..24В), 30 мА) | К (транзистор 200мА, =50В) | ~220В | 1...2 недели | 8232 руб. |
| G22478 | ВЕХА-Щ-СТК ~110 | С (симистор 50мА, ~220В) | Т (напряжение =(6..24В), 30 мА) | К (транзистор 200мА, =50В) | ~110В | 1...2 недели | 10139 руб. |
| G22578 | ВЕХА-Щ-СТК =24 | С (симистор 50мА, ~220В) | Т (напряжение =(6..24В), 30 мА) | К (транзистор 200мА, =50В) | =24В | 1...2 недели | 9051 руб. |
| G22678 | ВЕХА-Щ-СТК =12 | С (симистор 50мА, ~220В) | Т (напряжение =(6..24В), 30 мА) | К (транзистор 200мА, =50В) | =12В | 1...2 недели | 9051 руб. |
| G22398 | ВЕХА-Щ-СТС ~220 | С (симистор 50мА, ~220В) | Т (напряжение =(6..24В), 30 мА) | С (симистор 50мА, ~220В) | ~220В | 1...2 недели | 8232 руб. |
| G22498 | ВЕХА-Щ-СТС ~110 | С (симистор 50мА, ~220В) | Т (напряжение =(6..24В), 30 мА) | С (симистор 50мА, ~220В) | ~110В | 1...2 недели | 10139 руб. |
| G22598 | ВЕХА-Щ-СТС =24 | С (симистор 50мА, ~220В) | Т (напряжение =(6..24В), 30 мА) | С (симистор 50мА, ~220В) | =24В | 1...2 недели | 9051 руб. |
| G22698 | ВЕХА-Щ-СТС =12 | С (симистор 50мА, ~220В) | Т (напряжение =(6..24В), 30 мА) | С (симистор 50мА, ~220В) | =12В | 1...2 недели | 9051 руб. |
| G22418 | ВЕХА-Щ-СТТ ~220 | С (симистор 50мА, ~220В) | Т (напряжение =(6..24В), 30 мА) | Т (напряжение =(6..24В), 30 мА) | ~220В | 1...2 недели | 8232 руб. |
| G22518 | ВЕХА-Щ-СТТ ~110 | С (симистор 50мА, ~220В) | Т (напряжение =(6..24В), 30 мА) | Т (напряжение =(6..24В), 30 мА) | ~110В | 1...2 недели | 10139 руб. |
| G22618 | ВЕХА-Щ-СТТ =24 | С (симистор 50мА, ~220В) | Т (напряжение =(6..24В), 30 мА) | Т (напряжение =(6..24В), 30 мА) | =24В | 1...2 недели | 9051 руб. |
| G22718 | ВЕХА-Щ-СТТ =12 | С (симистор 50мА, ~220В) | Т (напряжение =(6..24В), 30 мА) | Т (напряжение =(6..24В), 30 мА) | =12В | 1...2 недели | 9051 руб. |
| G22323 | ВЕХА-Щ-Т ~220 | Т (напряжение =(6..24В), 30 мА) | нет | нет | ~220В | 1...2 недели | 6599 руб. |
| G22423 | ВЕХА-Щ-Т ~110 | Т (напряжение =(6..24В), 30 мА) | нет | нет | ~110В | 1...2 недели | 8504 руб. |
| G22523 | ВЕХА-Щ-Т =24 | Т (напряжение =(6..24В), 30 мА) | нет | нет | =24В | 1...2 недели | 7416 руб. |
| G22623 | ВЕХА-Щ-Т =12 | Т (напряжение =(6..24В), 30 мА) | нет | нет | =12В | 1...2 недели | 7416 руб. |
| G22343 | ВЕХА-Щ-ТР ~220 | Т (напряжение =(6..24В), 30 мА) | нет | Рх10А, ~250В | ~220В | 1...2 недели | 6926 руб. |
| G22443 | ВЕХА-Щ-ТР ~110 | Т (напряжение =(6..24В), 30 мА) | нет | Рх10А, ~250В | ~110В | 1...2 недели | 8832 руб. |
| G22543 | ВЕХА-Щ-ТР =24 | Т (напряжение =(6..24В), 30 мА) | нет | Рх10А, ~250В | =24В | 1...2 недели | 7744 руб. |
| G22643 | ВЕХА-Щ-ТР =12 | Т (напряжение =(6..24В), 30 мА) | нет | Рх10А, ~250В | =12В | 1...2 недели | 7744 руб. |
| G22363 | ВЕХА-Щ-ТК ~220 | Т (напряжение =(6..24В), 30 мА) | нет | К (транзистор 200мА, =50В) | ~220В | 1...2 недели | 7416 руб. |
| G22463 | ВЕХА-Щ-ТК ~110 | Т (напряжение =(6..24В), 30 мА) | нет | К (транзистор 200мА, =50В) | ~110В | 1...2 недели | 9320 руб. |
| G22563 | ВЕХА-Щ-ТК =24 | Т (напряжение =(6..24В), 30 мА) | нет | К (транзистор 200мА, =50В) | =24В | 1...2 недели | 8232 руб. |
| G22663 | ВЕХА-Щ-ТК =12 | Т (напряжение =(6..24В), 30 мА) | нет | К (транзистор 200мА, =50В) | =12В | 1...2 недели | 8232 руб. |
| G22383 | ВЕХА-Щ-ТС ~220 | Т (напряжение =(6..24В), 30 мА) | нет | С (симистор 50мА, ~220В) | ~220В | 1...2 недели | 7416 руб. |
| G22483 | ВЕХА-Щ-ТС ~110 | Т (напряжение =(6..24В), 30 мА) | нет | С (симистор 50мА, ~220В) | ~110В | 1...2 недели | 9320 руб. |
| G22583 | ВЕХА-Щ-ТС =24 | Т (напряжение =(6..24В), 30 мА) | нет | С (симистор 50мА, ~220В) | =24В | 1...2 недели | 8232 руб. |
| G22683 | ВЕХА-Щ-ТС =12 | Т (напряжение =(6..24В), 30 мА) | нет | С (симистор 50мА, ~220В) | =12В | 1...2 недели | 8232 руб. |
| G22403 | ВЕХА-Щ-ТТ ~220 | Т (напряжение =(6..24В), 30 мА) | нет | Т (напряжение =(6..24В), 30 мА) | ~220В | 1...2 недели | 7416 руб. |
| G22503 | ВЕХА-Щ-ТТ ~110 | Т (напряжение =(6..24В), 30 мА) | нет | Т (напряжение =(6..24В), 30 мА) | ~110В | 1...2 недели | 9320 руб. |
| G22603 | ВЕХА-Щ-ТТ =24 | Т (напряжение =(6..24В), 30 мА) | нет | Т (напряжение =(6..24В), 30 мА) | =24В | 1...2 недели | 8232 руб. |
| G22703 | ВЕХА-Щ-ТТ =12 | Т (напряжение =(6..24В), 30 мА) | нет | Т (напряжение =(6..24В), 30 мА) | =12В | 1...2 недели | 8232 руб. |
| G22327 | ВЕХА-Щ-ТР ~220 | Т (напряжение =(6..24В), 30 мА) | Рх10А, ~250В | нет | ~220В | 1...2 недели | 6926 руб. |
| G22427 | ВЕХА-Щ-ТР ~110 | Т (напряжение =(6..24В), 30 мА) | Рх10А, ~250В | нет | ~110В | 1...2 недели | 8832 руб. |
| G22527 | ВЕХА-Щ-ТР =24 | Т (напряжение =(6..24В), 30 мА) | Рх10А, ~250В | нет | =24В | 1...2 недели | 7744 руб. |
| G22627 | ВЕХА-Щ-ТР =12 | Т (напряжение =(6..24В), 30 мА) | Рх10А, ~250В | нет | =12В | 1...2 недели | 7744 руб. |
| G22347 | ВЕХА-Щ-ТРР ~220 | Т (напряжение =(6..24В), 30 мА) | Рх10А, ~250В | Рх10А, ~250В | ~220В | 1...2 недели | 7255 руб. |
| G22447 | ВЕХА-Щ-ТРР ~110 | Т (напряжение =(6..24В), 30 мА) | Рх10А, ~250В | Рх10А, ~250В | ~110В | 1...2 недели | 9159 руб. |
| G22547 | ВЕХА-Щ-ТРР =24 | Т (напряжение =(6..24В), 30 мА) | Рх10А, ~250В | Рх10А, ~250В | =24В | 1...2 недели | 8071 руб. |
| G22647 | ВЕХА-Щ-ТРР =12 | Т (напряжение =(6..24В), 30 мА) | Рх10А, ~250В | Рх10А, ~250В | =12В | 1...2 недели | 8071 руб. |
| G22367 | ВЕХА-Щ-ТРК ~220 | Т (напряжение =(6..24В), 30 мА) | Рх10А, ~250В | К (транзистор 200мА, =50В) | ~220В | 1...2 недели | 7744 руб. |
| G22467 | ВЕХА-Щ-ТРК ~110 | Т (напряжение =(6..24В), 30 мА) | Рх10А, ~250В | К (транзистор 200мА, =50В) | ~110В | 1...2 недели | 9648 руб. |
| G22567 | ВЕХА-Щ-ТРК =24 | Т (напряжение =(6..24В), 30 мА) | Рх10А, ~250В | К (транзистор 200мА, =50В) | =24В | 1...2 недели | 8561 руб. |
| G22667 | ВЕХА-Щ-ТРК =12 | Т (напряжение =(6..24В), 30 мА) | Рх10А, ~250В | К (транзистор 200мА, =50В) | =12В | 1...2 недели | 8561 руб. |
| G22387 | ВЕХА-Щ-ТРС ~220 | Т (напряжение =(6..24В), 30 мА) | Рх10А, ~250В | С (симистор 50мА, ~220В) | ~220В | 1...2 недели | 7744 руб. |
| G22487 | ВЕХА-Щ-ТРС ~110 | Т (напряжение =(6..24В), 30 мА) | Рх10А, ~250В | С (симистор 50мА, ~220В) | ~110В | 1...2 недели | 9648 руб. |
| G22587 | ВЕХА-Щ-ТРС =24 | Т (напряжение =(6..24В), 30 мА) | Рх10А, ~250В | С (симистор 50мА, ~220В) | =24В | 1...2 недели | 8561 руб. |
| G22687 | ВЕХА-Щ-ТРС =12 | Т (напряжение =(6..24В), 30 мА) | Рх10А, ~250В | С (симистор 50мА, ~220В) | =12В | 1...2 недели | 8561 руб. |
| G22407 | ВЕХА-Щ-ТРТ ~220 | Т (напряжение =(6..24В), 30 мА) | Рх10А, ~250В | Т (напряжение =(6..24В), 30 мА) | ~220В | 1...2 недели | 7744 руб. |
| G22507 | ВЕХА-Щ-ТРТ ~110 | Т (напряжение =(6..24В), 30 мА) | Рх10А, ~250В | Т (напряжение =(6..24В), 30 мА) | ~110В | 1...2 недели | 9648 руб. |
| G22607 | ВЕХА-Щ-ТРТ =24 | Т (напряжение =(6..24В), 30 мА) | Рх10А, ~250В | Т (напряжение =(6..24В), 30 мА) | =24В | 1...2 недели | 8561 руб. |
| G22707 | ВЕХА-Щ-ТРТ =12 | Т (напряжение =(6..24В), 30 мА) | Рх10А, ~250В | Т (напряжение =(6..24В), 30 мА) | =12В | 1...2 недели | 8561 руб. |
| G22331 | ВЕХА-Щ-ТК ~220 | Т (напряжение =(6..24В), 30 мА) | К (транзистор 200мА, =50В) | нет | ~220В | 1...2 недели | 7416 руб. |
| G22431 | ВЕХА-Щ-ТК ~110 | Т (напряжение =(6..24В), 30 мА) | К (транзистор 200мА, =50В) | нет | ~110В | 1...2 недели | 9320 руб. |
| G22531 | ВЕХА-Щ-ТК =24 | Т (напряжение =(6..24В), 30 мА) | К (транзистор 200мА, =50В) | нет | =24В | 1...2 недели | 8232 руб. |
| G22631 | ВЕХА-Щ-ТК =12 | Т (напряжение =(6..24В), 30 мА) | К (транзистор 200мА, =50В) | нет | =12В | 1...2 недели | 8232 руб. |
| G22351 | ВЕХА-Щ-ТКР ~220 | Т (напряжение =(6..24В), 30 мА) | К (транзистор 200мА, =50В) | Рх10А, ~250В | ~220В | 1...2 недели | 7744 руб. |
| G22451 | ВЕХА-Щ-ТКР ~110 | Т (напряжение =(6..24В), 30 мА) | К (транзистор 200мА, =50В) | Рх10А, ~250В | ~110В | 1...2 недели | 9648 руб. |
| G22551 | ВЕХА-Щ-ТКР =24 | Т (напряжение =(6..24В), 30 мА) | К (транзистор 200мА, =50В) | Рх10А, ~250В | =24В | 1...2 недели | 8561 руб. |
| G22651 | ВЕХА-Щ-ТКР =12 | Т (напряжение =(6..24В), 30 мА) | К (транзистор 200мА, =50В) | Рх10А, ~250В | =12В | 1...2 недели | 8561 руб. |
| G22371 | ВЕХА-Щ-ТКК ~220 | Т (напряжение =(6..24В), 30 мА) | К (транзистор 200мА, =50В) | К (транзистор 200мА, =50В) | ~220В | 1...2 недели | 8232 руб. |
| G22471 | ВЕХА-Щ-ТКК ~110 | Т (напряжение =(6..24В), 30 мА) | К (транзистор 200мА, =50В) | К (транзистор 200мА, =50В) | ~110В | 1...2 недели | 10139 руб. |
| G22571 | ВЕХА-Щ-ТКК =24 | Т (напряжение =(6..24В), 30 мА) | К (транзистор 200мА, =50В) | К (транзистор 200мА, =50В) | =24В | 1...2 недели | 9051 руб. |
| G22671 | ВЕХА-Щ-ТКК =12 | Т (напряжение =(6..24В), 30 мА) | К (транзистор 200мА, =50В) | К (транзистор 200мА, =50В) | =12В | 1...2 недели | 9051 руб. |
| G22391 | ВЕХА-Щ-ТКС ~220 | Т (напряжение =(6..24В), 30 мА) | К (транзистор 200мА, =50В) | С (симистор 50мА, ~220В) | ~220В | 1...2 недели | 8232 руб. |
| G22491 | ВЕХА-Щ-ТКС ~110 | Т (напряжение =(6..24В), 30 мА) | К (транзистор 200мА, =50В) | С (симистор 50мА, ~220В) | ~110В | 1...2 недели | 10139 руб. |
| G22591 | ВЕХА-Щ-ТКС =24 | Т (напряжение =(6..24В), 30 мА) | К (транзистор 200мА, =50В) | С (симистор 50мА, ~220В) | =24В | 1...2 недели | 9051 руб. |
| G22691 | ВЕХА-Щ-ТКС =12 | Т (напряжение =(6..24В), 30 мА) | К (транзистор 200мА, =50В) | С (симистор 50мА, ~220В) | =12В | 1...2 недели | 9051 руб. |
| G22411 | ВЕХА-Щ-ТКТ ~220 | Т (напряжение =(6..24В), 30 мА) | К (транзистор 200мА, =50В) | Т (напряжение =(6..24В), 30 мА) | ~220В | 1...2 недели | 8232 руб. |
| G22511 | ВЕХА-Щ-ТКТ ~110 | Т (напряжение =(6..24В), 30 мА) | К (транзистор 200мА, =50В) | Т (напряжение =(6..24В), 30 мА) | ~110В | 1...2 недели | 10139 руб. |
| G22611 | ВЕХА-Щ-ТКТ =24 | Т (напряжение =(6..24В), 30 мА) | К (транзистор 200мА, =50В) | Т (напряжение =(6..24В), 30 мА) | =24В | 1...2 недели | 9051 руб. |
| G22711 | ВЕХА-Щ-ТКТ =12 | Т (напряжение =(6..24В), 30 мА) | К (транзистор 200мА, =50В) | Т (напряжение =(6..24В), 30 мА) | =12В | 1...2 недели | 9051 руб. |
| G22335 | ВЕХА-Щ-ТС ~220 | Т (напряжение =(6..24В), 30 мА) | С (симистор 50мА, ~220В) | нет | ~220В | 1...2 недели | 7416 руб. |
| G22435 | ВЕХА-Щ-ТС ~110 | Т (напряжение =(6..24В), 30 мА) | С (симистор 50мА, ~220В) | нет | ~110В | 1...2 недели | 9320 руб. |
| G22535 | ВЕХА-Щ-ТС =24 | Т (напряжение =(6..24В), 30 мА) | С (симистор 50мА, ~220В) | нет | =24В | 1...2 недели | 8232 руб. |
| G22635 | ВЕХА-Щ-ТС =12 | Т (напряжение =(6..24В), 30 мА) | С (симистор 50мА, ~220В) | нет | =12В | 1...2 недели | 8232 руб. |
| G22355 | ВЕХА-Щ-ТСР ~220 | Т (напряжение =(6..24В), 30 мА) | С (симистор 50мА, ~220В) | Рх10А, ~250В | ~220В | 1...2 недели | 7744 руб. |
| G22455 | ВЕХА-Щ-ТСР ~110 | Т (напряжение =(6..24В), 30 мА) | С (симистор 50мА, ~220В) | Рх10А, ~250В | ~110В | 1...2 недели | 9648 руб. |
| G22555 | ВЕХА-Щ-ТСР =24 | Т (напряжение =(6..24В), 30 мА) | С (симистор 50мА, ~220В) | Рх10А, ~250В | =24В | 1...2 недели | 8561 руб. |
| G22655 | ВЕХА-Щ-ТСР =12 | Т (напряжение =(6..24В), 30 мА) | С (симистор 50мА, ~220В) | Рх10А, ~250В | =12В | 1...2 недели | 8561 руб. |
| G22375 | ВЕХА-Щ-ТСК ~220 | Т (напряжение =(6..24В), 30 мА) | С (симистор 50мА, ~220В) | К (транзистор 200мА, =50В) | ~220В | 1...2 недели | 8232 руб. |
| G22475 | ВЕХА-Щ-ТСК ~110 | Т (напряжение =(6..24В), 30 мА) | С (симистор 50мА, ~220В) | К (транзистор 200мА, =50В) | ~110В | 1...2 недели | 10139 руб. |
| G22575 | ВЕХА-Щ-ТСК =24 | Т (напряжение =(6..24В), 30 мА) | С (симистор 50мА, ~220В) | К (транзистор 200мА, =50В) | =24В | 1...2 недели | 9051 руб. |
| G22675 | ВЕХА-Щ-ТСК =12 | Т (напряжение =(6..24В), 30 мА) | С (симистор 50мА, ~220В) | К (транзистор 200мА, =50В) | =12В | 1...2 недели | 9051 руб. |
| G22395 | ВЕХА-Щ-ТСС ~220 | Т (напряжение =(6..24В), 30 мА) | С (симистор 50мА, ~220В) | С (симистор 50мА, ~220В) | ~220В | 1...2 недели | 8232 руб. |
| G22495 | ВЕХА-Щ-ТСС ~110 | Т (напряжение =(6..24В), 30 мА) | С (симистор 50мА, ~220В) | С (симистор 50мА, ~220В) | ~110В | 1...2 недели | 10139 руб. |
| G22595 | ВЕХА-Щ-ТСС =24 | Т (напряжение =(6..24В), 30 мА) | С (симистор 50мА, ~220В) | С (симистор 50мА, ~220В) | =24В | 1...2 недели | 9051 руб. |
| G22695 | ВЕХА-Щ-ТСС =12 | Т (напряжение =(6..24В), 30 мА) | С (симистор 50мА, ~220В) | С (симистор 50мА, ~220В) | =12В | 1...2 недели | 9051 руб. |
| G22415 | ВЕХА-Щ-ТСТ ~220 | Т (напряжение =(6..24В), 30 мА) | С (симистор 50мА, ~220В) | Т (напряжение =(6..24В), 30 мА) | ~220В | 1...2 недели | 8232 руб. |
| G22515 | ВЕХА-Щ-ТСТ ~110 | Т (напряжение =(6..24В), 30 мА) | С (симистор 50мА, ~220В) | Т (напряжение =(6..24В), 30 мА) | ~110В | 1...2 недели | 10139 руб. |
| G22615 | ВЕХА-Щ-ТСТ =24 | Т (напряжение =(6..24В), 30 мА) | С (симистор 50мА, ~220В) | Т (напряжение =(6..24В), 30 мА) | =24В | 1...2 недели | 9051 руб. |
| G22715 | ВЕХА-Щ-ТСТ =12 | Т (напряжение =(6..24В), 30 мА) | С (симистор 50мА, ~220В) | Т (напряжение =(6..24В), 30 мА) | =12В | 1...2 недели | 9051 руб. |
| G22339 | ВЕХА-Щ-ТТ ~220 | Т (напряжение =(6..24В), 30 мА) | Т (напряжение =(6..24В), 30 мА) | нет | ~220В | 1...2 недели | 7416 руб. |
| G22439 | ВЕХА-Щ-ТТ ~110 | Т (напряжение =(6..24В), 30 мА) | Т (напряжение =(6..24В), 30 мА) | нет | ~110В | 1...2 недели | 9320 руб. |
| G22539 | ВЕХА-Щ-ТТ =24 | Т (напряжение =(6..24В), 30 мА) | Т (напряжение =(6..24В), 30 мА) | нет | =24В | 1...2 недели | 8232 руб. |
| G22639 | ВЕХА-Щ-ТТ =12 | Т (напряжение =(6..24В), 30 мА) | Т (напряжение =(6..24В), 30 мА) | нет | =12В | 1...2 недели | 8232 руб. |
| G22359 | ВЕХА-Щ-ТТР ~220 | Т (напряжение =(6..24В), 30 мА) | Т (напряжение =(6..24В), 30 мА) | Рх10А, ~250В | ~220В | 1...2 недели | 7744 руб. |
| G22459 | ВЕХА-Щ-ТТР ~110 | Т (напряжение =(6..24В), 30 мА) | Т (напряжение =(6..24В), 30 мА) | Рх10А, ~250В | ~110В | 1...2 недели | 9648 руб. |
| G22559 | ВЕХА-Щ-ТТР =24 | Т (напряжение =(6..24В), 30 мА) | Т (напряжение =(6..24В), 30 мА) | Рх10А, ~250В | =24В | 1...2 недели | 8561 руб. |
| G22659 | ВЕХА-Щ-ТТР =12 | Т (напряжение =(6..24В), 30 мА) | Т (напряжение =(6..24В), 30 мА) | Рх10А, ~250В | =12В | 1...2 недели | 8561 руб. |
| G22379 | ВЕХА-Щ-ТТК ~220 | Т (напряжение =(6..24В), 30 мА) | Т (напряжение =(6..24В), 30 мА) | К (транзистор 200мА, =50В) | ~220В | 1...2 недели | 8232 руб. |
| G22479 | ВЕХА-Щ-ТТК ~110 | Т (напряжение =(6..24В), 30 мА) | Т (напряжение =(6..24В), 30 мА) | К (транзистор 200мА, =50В) | ~110В | 1...2 недели | 10139 руб. |
| G22579 | ВЕХА-Щ-ТТК =24 | Т (напряжение =(6..24В), 30 мА) | Т (напряжение =(6..24В), 30 мА) | К (транзистор 200мА, =50В) | =24В | 1...2 недели | 9051 руб. |
| G22679 | ВЕХА-Щ-ТТК =12 | Т (напряжение =(6..24В), 30 мА) | Т (напряжение =(6..24В), 30 мА) | К (транзистор 200мА, =50В) | =12В | 1...2 недели | 9051 руб. |
| G22399 | ВЕХА-Щ-ТТС ~220 | Т (напряжение =(6..24В), 30 мА) | Т (напряжение =(6..24В), 30 мА) | С (симистор 50мА, ~220В) | ~220В | 1...2 недели | 8232 руб. |
| G22499 | ВЕХА-Щ-ТТС ~110 | Т (напряжение =(6..24В), 30 мА) | Т (напряжение =(6..24В), 30 мА) | С (симистор 50мА, ~220В) | ~110В | 1...2 недели | 10139 руб. |
| G22599 | ВЕХА-Щ-ТТС =24 | Т (напряжение =(6..24В), 30 мА) | Т (напряжение =(6..24В), 30 мА) | С (симистор 50мА, ~220В) | =24В | 1...2 недели | 9051 руб. |
| G22699 | ВЕХА-Щ-ТТС =12 | Т (напряжение =(6..24В), 30 мА) | Т (напряжение =(6..24В), 30 мА) | С (симистор 50мА, ~220В) | =12В | 1...2 недели | 9051 руб. |
| G22419 | ВЕХА-Щ-ТТТ ~220 | Т (напряжение =(6..24В), 30 мА) | Т (напряжение =(6..24В), 30 мА) | Т (напряжение =(6..24В), 30 мА) | ~220В | 1...2 недели | 8232 руб. |
| G22519 | ВЕХА-Щ-ТТТ ~110 | Т (напряжение =(6..24В), 30 мА) | Т (напряжение =(6..24В), 30 мА) | Т (напряжение =(6..24В), 30 мА) | ~110В | 1...2 недели | 10139 руб. |
| G22619 | ВЕХА-Щ-ТТТ =24 | Т (напряжение =(6..24В), 30 мА) | Т (напряжение =(6..24В), 30 мА) | Т (напряжение =(6..24В), 30 мА) | =24В | 1...2 недели | 9051 руб. |
| G22719 | ВЕХА-Щ-ТТТ =12 | Т (напряжение =(6..24В), 30 мА) | Т (напряжение =(6..24В), 30 мА) | Т (напряжение =(6..24В), 30 мА) | =12В | 1...2 недели | 9051 руб. |
Отзывы на этот товар пока отсутствуют.



