Клапан соленоидный фланцевый нормально открытый непрямого действия с поршнем, для пара AR-YCP32F предназначен для управления потоком рабочей среды в трубопроводе
Особенности:
- Долгий срок службы уплотнителя PTFE в среде пара
- Конструкция предусматривает долгосрочную эксплуатацию в системе паротрубопроводов
- Защита трубопровода от гидравлических ударов благодаря специальной конструкции клапана
- Работа при высоком давлении до 1,6 МПа
Для защиты клапана от попадания инородных частиц необходима установка
фильтра механической очистки перед входным отверстием соленоидного клапана
Принцип действия и область применения:
Нормально открытый соленоидный клапан – это клапан, который при отсутствии напряжения на его индукционной катушке открыт для потока рабочей среды через него. При подаче напряжения на катушку магнитный клапан этого типа закрывается и остается закрытым все время, пока напряжение подается на катушку. При обрыве провода управляющего напряжения клапан будет открыт.
В большинстве случаев подходит для эксплуатации в системах водоснабжения, теплоснабжения, вентиляции и пневмоуправления. Особенно актуально применение данного типа клапана, когда клапан должен быть открыт большую часть времени либо когда он обязательно должен быть открыт при отключении электропитания системы.
Технические характеристики:
Параметр
| Значение
|
| Рабочая среда | Пар, вода, горячая вода, масла, спирт |
| Материал | Корпуса: нержавеющая сталь
Уплотнения: PTFE |
| Температура рабочей среды | −20...+180°С |
| Температура окружающей среды | −30…+50°С |
| Рабочее давление | 0,05…1,6 MПa |
| Диаметр условного прохода | 25...50 мм |
| Присоединение | Фланцевое F1"...F2"
|
| Катушка | AS21HT, IP65
|
| Питание | ~220 В, ~110 В, ~24 В
=24 В, =12 В |
Мощность
| 22 ВА (АС), 15 Вт (DC)
|
Модификации:
| Модель | Ду, мм
| Kv, м³/ч
| Присоединение
| Pmin, МПа
| Pmax, МПа
| Вес, г |
AR-YCP32-25F-1-FSP
| 25
| 10
| F1"
| 0,05
| 1,6
| 3300 |
AR-YCP32-32F-1.1/4-FSP
| 32
| 20
| F1¼"
| 5100 |
AR-YCP32-40F-1.1/2-FSP
| 40
| 25
| F1½"
| 6200 |
AR-YCP32-50F-2-FSP
| 50
| 41
| F2"
| 8100 |
Расшифровка обозначения на примере клапана AR-YCP32-25F-1-XYZ:
AR-YCP32 – модель клапана.
25 – Ду, мм (диаметр условного отверстия).
1 – размер резьбы в дюймах.
X – присоединение: F – фланцевое.
Y – материал корпуса: S – нержавеющая сталь.
Z – материал уплотнения: P – PTFE.
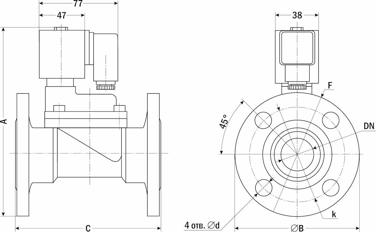
| Габаритные размеры |
 |
Размер, мм
| AR-YCP32-25F
| AR-YCP32-32F
| AR-YCP32-40F
| AR-YCP32-50F
|
| DN | 25 | 32 | 40 | 50 |
| A | 185 | 205 | 219 | 220 |
| ∅B | 112 | 132 | 142 | 158 |
| C | 125 | 155 | 160 | 181 |
| D | 56 | 66 | 71 | 79 |
| F | F1" | F1¼" | F1½" | F2" |
| ∅d | 14 | 18 | 18 | 18 |
| k | 85 | 100 | 110 | 125 |
Версия: 2025-10-29-СДГ