| Параметр | Значение |
| Рабочая среда
| Сжатый воздух
|
| Рабочее давление
| 0,05...1 МПа |
| Максимальное давление
| 1,5 МПа
|
| Диапазон регулировки
| 0,05...0,85 МПа |
| Тонкость очистки
| 5 мкм или 25 мкм |
| Присоединение
| G¼"...G1"
|
| Присоединение манометра
| G⅛"...G¼"
|
| Расход воздуха
| 550...5500 л/мин
|
| Рабочая температура | +5...+60°С
|
| Модель
| Расход воздуха, л/мин | Присоединение | Присоединение манометра | Габаритные размеры, мм | Вес, г
|
| ФР-2000А-14
| 550
| G¼" | G⅛"
| 180×54×83 | 360
|
| ФР-3000А-14
| 2000
| G¼" | G⅛"
| 244×54×92 | 560
|
| ФР-3000А-38
| 2000
| G⅜" | G⅛"
| 244×54×92 | 560
|
| ФР-4000А-12
| 4000
| G½" | G¼"
| 299×70×112 | 1150
|
| ФР-4000А-34
| 4500
| G¾" | G¼"
| 288×75×117 | 1210
|
| ФР-5000А-34
| 5500
| G¾" | G¼"
| 366×90×115 | 1700
|
| ФР-5000А-1
| 5500
| G1" | G¼"
| 366×90×115 | 1700
|
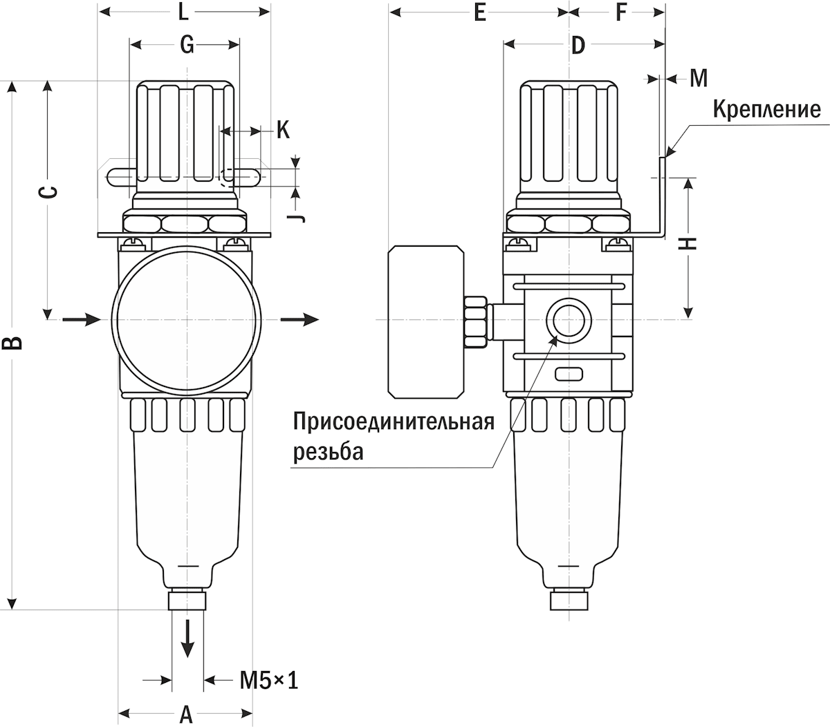
| Габаритные размеры |
![]() |
| ФР-2000А |
![]() |
| ФР-3000А, ФР-4000А, ФР-5000А |
| Модель
| ||||||||||||||
| Размеры,мм | ||||||||||||||
| A | B | C | D | d | E | F | G | H | J | K | L | M | N* | |
| ФР-2000А | 40 | 180 | 73 | 52 | - | 49 | 34 | 32,5 | 43,5 | 5 | 15 | 54 | 2 | 42 |
| ФР-3000А | 53 | 244 | 87 | 66 | 10 | 53 | 39 | 35 | 46 | 6 | 11 | 54 | 2 | 42 |
| ФР-4000А-12 | 70 | 299 | 108 | 80 | 10 | 63 | 49 | 44 | 50 | 8 | 19 | 70 | 2 | 52,5 |
| ФР-4000А-34 | 75 | 288 | 110 | 80 | 8 | 68 | 49 | 44 | 55,5 | 8 | 19 | 70 | 2 | 52,5 |
| ФР-5000А | 90 | 366 | 116 | 80 | 8/10 | 66 | 49 | 44 | 59 | 8 | 19 | 70 | 2 | 52,5 |
| Документ | Дата изменения | Размер | Файл |
| Руководство по эксплуатации | 23.09.2025 | 0.62 Мб |
| Артикул | Модель, расход | Присоед.размер | Тонкость очистки, мкм | Срок поставки | Стоимость |
|---|---|---|---|---|---|
| Артикул | Модель | Модель, расход | Присоед.размер | Тонкость очистки, мкм | Срок поставки | Стоимость |
|---|
| Артикул | Свойства | Срок поставки | Стоимость | |||
|---|---|---|---|---|---|---|
| Артикул | Свойства | Срок поставки | Стоимость | |||
|---|---|---|---|---|---|---|
| Артикул | Модель | Модель, расход | Присоед.размер | Тонкость очистки, мкм | Срок поставки | Стоимость |
|---|---|---|---|---|---|---|
| O99280 | ФР-2000А-14-5 | ФР-2000А, 550 л/мин | 1/4" | 5 | Со склада | 2730 руб. |
| O99288 | ФР-2000А-14-25 | ФР-2000А, 550 л/мин | 1/4" | 25 | Со склада | 2574 руб. |
| O99281 | ФР-3000А-14-5 | ФР-3000А, 2000 л/мин | 1/4" | 5 | Со склада | 4251 руб. |
| O99289 | ФР-3000А-14-25 | ФР-3000А, 2000 л/мин | 1/4" | 25 | Со склада | 4017 руб. |
| O99282 | ФР-3000А-38-5 | ФР-3000А, 2000 л/мин | 3/8" | 5 | Со склада (комплектация 1..72 часа) | 4251 руб. |
| O99290 | ФР-3000А-38-25 | ФР-3000А, 2000 л/мин | 3/8" | 25 | Со склада | 4017 руб. |
| O99283 | ФР-4000А-12-5 | ФР-4000А, 4000 л/мин | 1/2" | 5 | Со склада | 6162 руб. |
| O99291 | ФР-4000А-12-25 | ФР-4000А, 4000 л/мин | 1/2" | 25 | Со склада | 5655 руб. |
| O99284 | ФР-4000А-34-5 | ФР-4000А, 4500 л/мин | 3/4" | 5 | Со склада (комплектация 1..72 часа) | 6162 руб. |
| O99292 | ФР-4000А-34-25 | ФР-4000А, 4500 л/мин | 3/4" | 25 | Со склада | 5655 руб. |
| O99285 | ФР-5000А-34-5 | ФР-5000А, 5500 л/мин | 3/4" | 5 | Со склада (комплектация 1..72 часа) | 7917 руб. |
| O99293 | ФР-5000А-34-25 | ФР-5000А, 5500 л/мин | 3/4" | 25 | Со склада | 7332 руб. |
| O99286 | ФР-5000А-1-5 | ФР-5000А, 5500 л/мин | 1" | 5 | Со склада (комплектация 1..72 часа) | 7917 руб. |
| O99294 | ФР-5000А-1-25 | ФР-5000А, 5500 л/мин | 1" | 25 | Со склада | 7332 руб. |
| Артикул | Модель | Модель, расход | Присоед.размер | Тонкость очистки, мкм | Срок поставки | Стоимость |
|---|---|---|---|---|---|---|
| O99279 | ФР-2000А-18-5 | ФР-2000А, 500 л/мин | 1/8" | 5 | 120 дней | 2730 руб. |
| O99287 | ФР-2000А-18-25 | ФР-2000А, 500 л/мин | 1/8" | 25 | Снято с производства | 2574 руб. |
| O99280 | ФР-2000А-14-5 | ФР-2000А, 550 л/мин | 1/4" | 5 | Со склада | 2730 руб. |
| O99288 | ФР-2000А-14-25 | ФР-2000А, 550 л/мин | 1/4" | 25 | Со склада | 2574 руб. |
| O99281 | ФР-3000А-14-5 | ФР-3000А, 2000 л/мин | 1/4" | 5 | Со склада | 4251 руб. |
| O99289 | ФР-3000А-14-25 | ФР-3000А, 2000 л/мин | 1/4" | 25 | Со склада | 4017 руб. |
| O99282 | ФР-3000А-38-5 | ФР-3000А, 2000 л/мин | 3/8" | 5 | Со склада (комплектация 1..72 часа) | 4251 руб. |
| O99290 | ФР-3000А-38-25 | ФР-3000А, 2000 л/мин | 3/8" | 25 | Со склада | 4017 руб. |
| O99283 | ФР-4000А-12-5 | ФР-4000А, 4000 л/мин | 1/2" | 5 | Со склада | 6162 руб. |
| O99291 | ФР-4000А-12-25 | ФР-4000А, 4000 л/мин | 1/2" | 25 | Со склада | 5655 руб. |
| O99284 | ФР-4000А-34-5 | ФР-4000А, 4500 л/мин | 3/4" | 5 | Со склада (комплектация 1..72 часа) | 6162 руб. |
| O99292 | ФР-4000А-34-25 | ФР-4000А, 4500 л/мин | 3/4" | 25 | Со склада | 5655 руб. |
| O99285 | ФР-5000А-34-5 | ФР-5000А, 5500 л/мин | 3/4" | 5 | Со склада (комплектация 1..72 часа) | 7917 руб. |
| O99293 | ФР-5000А-34-25 | ФР-5000А, 5500 л/мин | 3/4" | 25 | Со склада | 7332 руб. |
| O99286 | ФР-5000А-1-5 | ФР-5000А, 5500 л/мин | 1" | 5 | Со склада (комплектация 1..72 часа) | 7917 руб. |
| O99294 | ФР-5000А-1-25 | ФР-5000А, 5500 л/мин | 1" | 25 | Со склада | 7332 руб. |
Отзывы на этот товар пока отсутствуют.





