Индуктивный бесконтактный датчик AR-LM30-2015 применяется в качестве конечного выключателя, датчика положения, датчика оборотов и количества продукции в автоматических линиях, станках и т. п., а также для мониторинга промежуточных или конечных положений металлических частей, узлов и механизмов.
Датчик реагирует на приближение металлического предмета (объекта) к его чувствительной части, которая расположена с торца и защищена пластиковым колпачком
Особенности:
-
Реагирует только на металлические объекты
- Отсутствие механического контакта с объектом увеличивает ресурс работы, повышает степень надежности оборудования.
- Высокая частота переключения позволяет применять датчики в качестве первичных датчиков скорости в комплексе со счетчиками импульсов и тахометрами
-
Нечувствительность к диэлектрикам – обладает высокой защищенностью от помех (рук оператора, эмульсии, воды, смазки и т.д.).
-
Индикатор срабатывания
- Неутопленный
- Установка в отверстие или паз на поверхности с помощью резьбы, нарезанной на корпусе, и двух гаек.
- Для питания датчиков используются Блоки питания
Технические характеристики:
| Параметр | Значение
|
| AR-LM30-2015AA | AR-LM30-2015DA |
| Расстояние срабатывания | 15 мм |
| Схема подключения | 2-проводная |
| Контакт | НО |
| Максимальный ток нагрузки | 200 мА |
| Максимальная частота переключения | 200 Гц |
| Диапазон рабочих температур | −20...+70°С |
| Питание | ~90…250 | =6...36 |
| Степень пылевлагозащиты | IP67 |
| Длина провода | 1,95 м
погрешность длины провода ±3% |
| Резьба | М30×1,5 |
| Материал корпуса | Никелированная латунь |
| Материал активной части | Ударопрочный конструкционный пластик |
| Габаритные размеры | 41×36×75 мм | 41×36×80 мм |
| Вес | 142 г |
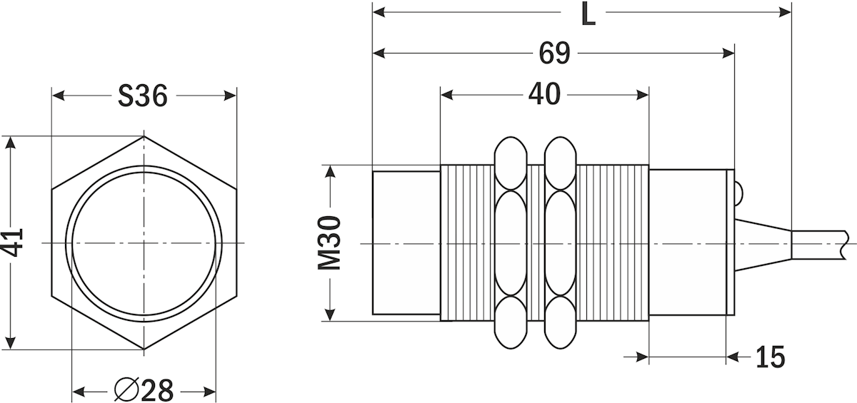
| Габаритные размеры |
 |
| Модель | Размер L, мм |
| AR-LM30-2015AA | 75 |
| AR-LM30-2015DA | 80 |
Версия: 2025-11-25-СДГ