Индуктивный бесконтактный датчик AR-LM12-3002 применяется в качестве конечного выключателя, датчика положения, датчика оборотов и количества продукции в автоматических линиях, станках и т. п., а также для мониторинга промежуточных или конечных положений металлических частей, узлов и механизмов.
Датчик реагирует на приближение металлического предмета (объекта) к его чувствительной части, которая расположена с торца и защищена пластиковым колпачкомОсобенности:
-
Реагирует только на металлические объекты
- Отсутствие механического контакта с объектом увеличивает ресурс работы, повышает степень надежности оборудования.
- Высокая частота переключения позволяет применять датчики в качестве первичных датчиков скорости в комплексе со счетчиками импульсов и тахометрами
-
Нечувствительность к диэлектрикам – обладает высокой защищенностью от помех (рук оператора, эмульсии, воды, смазки и т.д.).
-
Индикатор срабатывания
- Утопленный
- Установка в отверстие или паз на поверхности с помощью резьбы, нарезанной на корпусе, и двух гаек.
- Датчики могут применяться для управления релейными модулями МР85
- Для питания датчиков используются Блоки питания
Технические характеристики:
| Параметр | Значение
|
| Расстояние срабатывания | 2 мм |
| Схема подключения | 4-проводная, NPN или PNP |
Типы выходных устройств
| Транзисторный ключ NPN или PNP
|
| Контакт | НО+НЗ |
| Максимальный ток нагрузки | 200 мА |
| Максимальная частота переключения | 200 Гц |
| Диапазон рабочих температур | −20...+70°С |
| Питание | =6...36 В
|
| Степень пылевлагозащиты | IP67 |
Длина провода
| 1,78 м
погрешность длины провода ±3%
|
Резьба
| М12×1
|
| Материал корпуса | Никелированная латунь |
| Материал активной части | Ударопрочный конструкционный пластик |
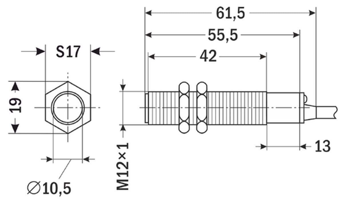
| Габаритные размеры | ∅ 21,5×57 мм |
| Вес | 69 г |
Модель
| Тип
| Контакт |
AR-LM12-3002NC
| NPN
| НО+НЗ |
AR-LM12-3002PC
| PNP
| НО+НЗ |
Габаритные размеры
|
 |
Версия: 2024-11-20-СДГ