Счетчик импульсов СИ-206-М1 с ручным сбросом показаний и блокировкой для защиты от сброса показаний предназначен для суммирования электрических импульсов практически прямоугольной формы
Особенности:
- Электромеханический счетчик
- Подсчитывает количество собственных включений (подач напряжения на вход)
- Блокировка для защиты от сброса
Технические характеристики:
Параметр
| Значение |
Диапазон счета
| 0…999 999 |
Напряжение питания
| ~220 В, ~110 В или =24 В
|
Колебание напряжения питания
| ±10%
|
Потребляемая мощность
| для счетчиков переменного тока | 4 Вт
|
| для счетчиков постоянного тока | 3 Вт |
Предел допускаемой основной абсолютной погрешности при непрерывном счете
| ≤10 единиц от контрольного числа
(контрольное число 105−1) |
Быстродействие
| до 20 имп./с
|
Минимальная длительность импульса
| 20 мс
|
Минимальная длительность паузы
| 25 мс
|
Количество разрядов
| 6
|
Срок службы
| ≥ 6 лет
|
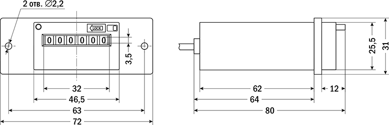
| Высота символов | 3,5 мм |
| Размер монтажного отверстия | 47×26 мм |
| Габаритные размеры | 31×72×80 мм |
Вес
| 170 г
|
| Габаритные размеры |
 |
Версия: 2022-11-17-ЛВС