Твердотельные реле серии ARC-SAG-3 предназначены для бесконтактной коммутации нагревательных элементов, ламп, сварочных агрегатов и других устройств
Особенности:
- Управляются постоянным или переменным током в зависимости от модели
- В сборе с радиатором охлаждения и вентилятором
- Питание вентилятора от сети ~220 В
- Светодиодная индикация состояния выхода
- Высокое быстродействие, время переключения ≤ 10 мс
- Защита реле с помощью быстрых предохранителей (приобретаются отдельно)
- Гальваническая развязка входной и выходной цепей
- Низкий уровень электромагнитных помех благодаря применяемому методу определения перехода напряжения через ноль
Технические характеристики:
| Параметр | Значение |
| ARC-SAG-3-40DA | ARC-SAG-3-40AA
|
Ток нагрузки
| 40 А
|
| Напряжение нагрузки | ~40...440 В |
| Напряжение управления | =4...32 В | ~90...250 В |
Пороги вкл./выкл. управляющего сигнала
| =3,5 В/=2 В
| ~80 В/~40 В
|
| Входной ток | 25 мА
|
Падение напряжения на реле в коммутируемой цепи
| ≤ 1,6 В
|
Ток утечки в коммутируемой цепи
| ≤ 10 мА |
Время переключения реле
| ≤ 10 мс |
Сопротивление изоляции
| 100 МОм (при =500 В)
|
Электрическая прочность изоляции
| 2500 В в течение 1 м (стандарт UL1577)
|
| Количество фаз | 3
|
Питание вентилятора радиатора
| ~220 В
|
| Условия эксплуатации | −30...+80°С, 45...85%RH |
| Температура хранения | −30...+100°С |
Монтаж
| На DIN-рейку |
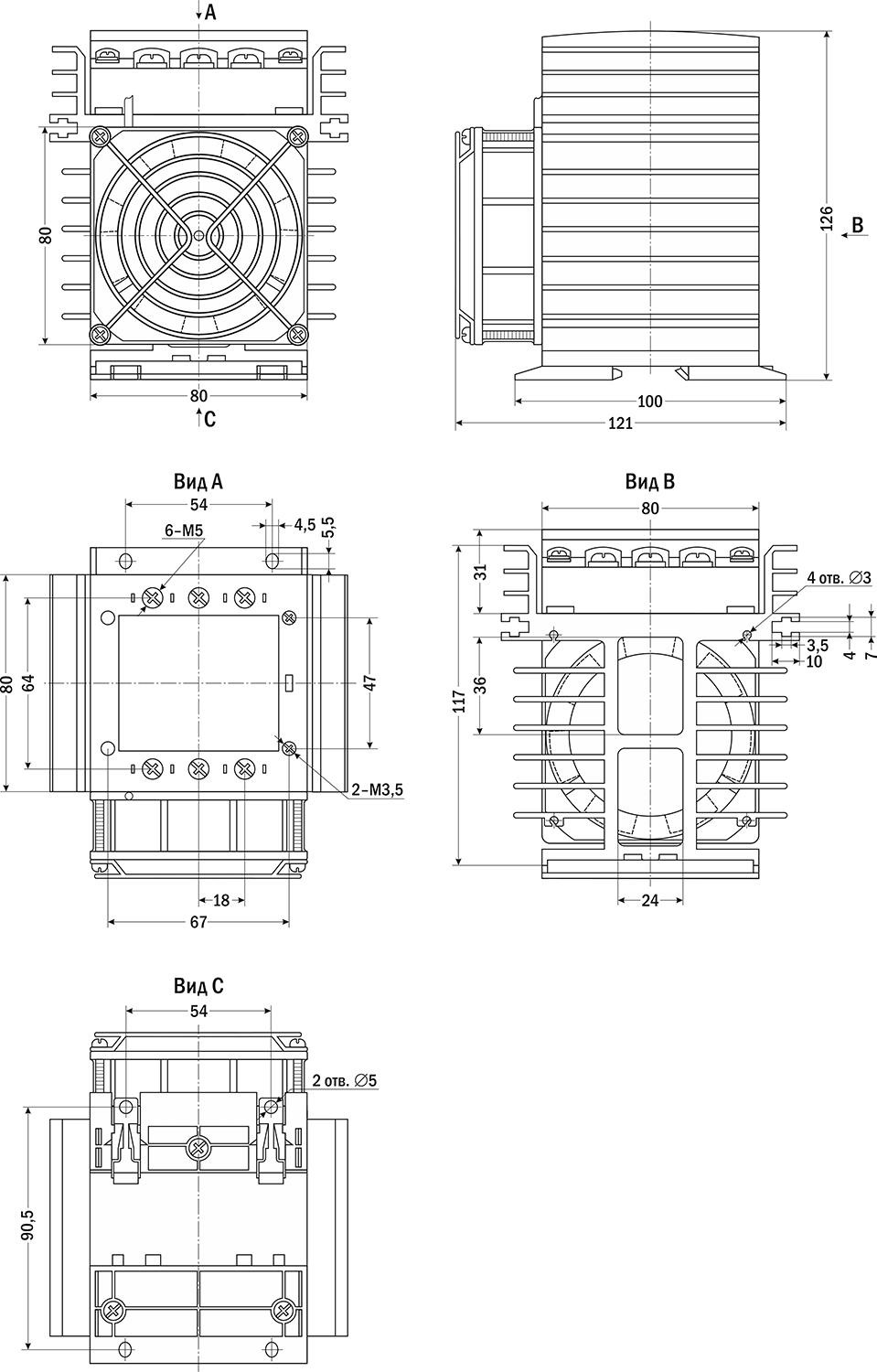
Габаритные размеры
| 121×110×126 мм
|
Вес
| 1266 г |
| Габаритные размеры |
 |
Версия: 2022-12-07-ЛВС