Пневматический клапан нормально закрытый одностороннего действия с поршнем ПК31-1 предназначен для управления потоком рабочей среды в трубопроводе
Особенности:
- Клапан нормально закрытый одностороннего действия
- Работа при высоких температурах до +200°C
- Пневмопривод в комплекте
- Срабатывание при нулевом давлении
- Плавное открытие/закрытие клапана с защитой трубопровода от гидравлических ударов
- Долгий срок службы
- Параметры рабочего давления приведены для установки клапана по направлению потока. При установке в обратном направлении максимальное давление снизится
Принцип действия и область применения: Нормально закрытый пневматический клапан одностороннего действия с поршнем – это клапан, в котором открытое положение сохраняется при подаче управляющего давления на него. При снятии управляющего давления под действием пружины клапан автоматически закрывается и перекрывает поток рабочей среды в трубопроводе.
В большинстве случаев подходит для эксплуатации в системах водоснабжения, теплоснабжения, вентиляции и пневмоуправления. Особенно актуально применение данного типа клапана, когда клапан должен быть закрыт большую часть времени либо когда он обязательно должен быть закрыт при снятии управляющего давления.
Для защиты клапана от попадания инородных частиц необходима установка
фильтра механической очистки перед входным отверстием соленоидного клапана.
Технические характеристики:
Параметр
| Значение
|
| Рабочая среда | Пар, воздух, инертные газы, вода, горячая вода, масла |
| Материал | Корпуса клапана: латунь
Корпуса привода: алюминий
Уплотнения: PTFE |
| Температура рабочей среды клапана | −60...+200°C |
| Рабочее давление среды | 0...0,8 МПа |
| Диаметр условного прохода | 15...50 мм
|
| Присоединение | Резьбовое G½"...G2" |
Управляющая среда
| Воздух, нейтральные газы
|
Управляющее давление
| 0,4...0,8 МПа
|
Присоединение воздуховодов
| Резьбовое G⅛"
|
Модификации:
Модель
| Ду, мм | Дэф,
мм
| Диаметр привода, мм
| Kv, м³/ч
| Присоединение | Присоединение воздуховодов
| Вес,
г
|
| ПК31-1-15/13 GBP | 15 | 13
| 32 | 4
| ½"
|
⅛"
| 210 |
| ПК31-1-20/16 GBP | 20 | 16
| 32 | 5
| ¾"
| 289 |
| ПК31-1-25/22 GBP | 25 | 22
| 39 | 10
| 1"
| 478 |
| ПК31-1-32/27 GBP | 32 | 27 | 47 | 20 | 1¼" | 790 |
| ПК31-1-40/33 GBP | 40 | 34
| 55
| 25
| 1½"
| 1162 |
| ПК31-1-50/43 GBP | 50 | 43
| 69 | 40
| 2"
| 1724 |
Расшифровка обозначения на примере клапана ПК31-1-15/13 XYZ:
ПК31– модель клапана.
1 – тип клапана: одностороннего действия.
15 – Ду, мм (диаметр условного прохода).
13 – Дэф, мм (эффективный диаметр).
X – присоединение: G – трубная резьба.
Y – материал корпуса: B – латунь.
Z – материал уплотнения: P – PTFE.
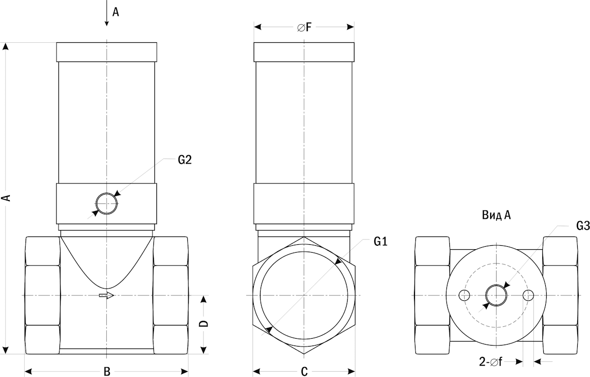
| Габаритные размеры |
 |
Модель
| Размеры, мм
|
A
| B
| C
| D
| F
| f | G1
| G2
| G3
|
| ПК31-1-15/13 | 95 | 45 | 25 | 14 | 32 | - | G½"
| G⅛"
| G⅛" |
| ПК31-1-20/16 | 100 | 50 | 32 | 16 | 32 | - | G¾"
| G⅛"
| G⅛" |
| ПК31-1-25/22 | 114 | 65 | 39 | 21 | 39 | - | G1"
| G⅛"
| G⅛" |
| ПК31-1-32/27 | 147 | 73 | 48 | 26 | 47 | 5 | G1¼" | G⅛" | G⅛" |
| ПК31-1-40/34 | 167 | 81 | 54 | 31 | 55 | 5 | G1½"
| G⅛"
| G⅛" |
| ПК31-1-50/43 | 178 | 99 | 66 | 33 | 69 | 6 | G2"
| G⅛"
| G⅛"
|
Версия: 2026-01-19-СДГ