| Параметр | Значение |
| Быстродействие
| 0,01...100 мм/с |
| Реле | ~15 А, 250 В; =0,3 A, 250 В |
| Контакт | 1НО+1НЗ |
| Рабочая частота
| Механическая 600 опер./мин
Электрическая 60 опер./мин |
| Температура | −25...+80°C |
| Влажность
| ≤ 85%RH |
| Корпус
| Пластик
|
| Износостойкость | Механическая ≥5 млн срабатываний
Электрическая ≥100 000 срабатываний |
| Степень пылевлагозащиты | IP40 |
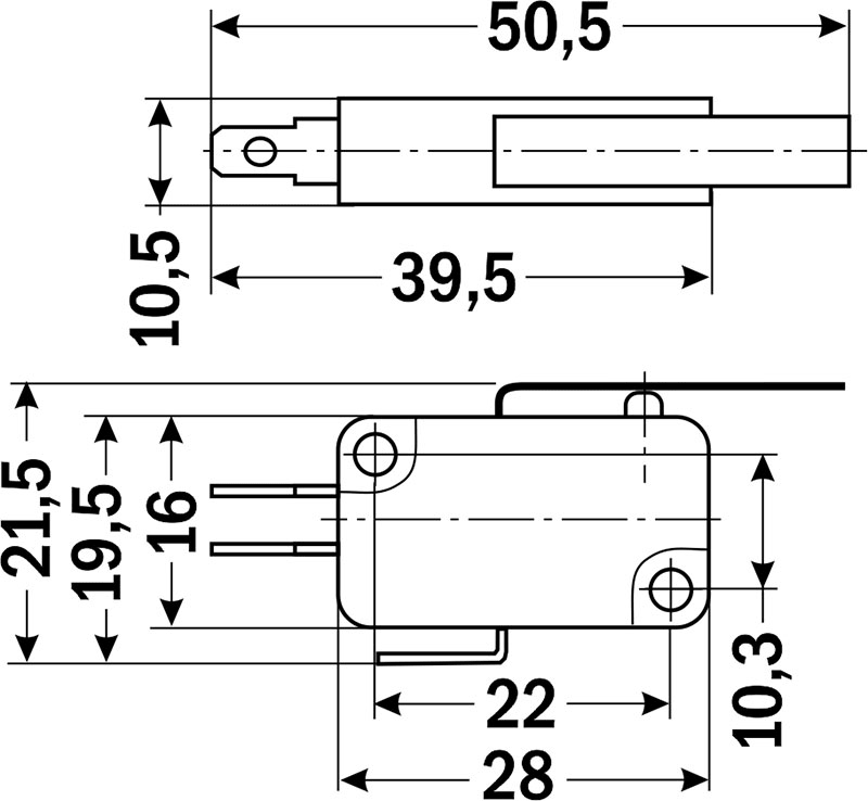
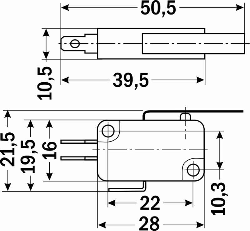
| Габаритные размеры
| 21,5×50,5×10,5 мм
|
| Вес
| 7 г
|
| Габаритные размеры
|
|
| Документ | Дата изменения | Размер | Файл |
| Сертификат соответствия | 11.10.2022 | 0.46 Мб | |
| Приложение к сертификату соответствия | 21.10.2015 | 0.53 Мб | |
| Руководство по эксплуатации | 16.12.2025 | 0.27 Мб |
Отзывы на этот товар пока отсутствуют.


