Прибор для преобразования энергии сжатого воздуха в механическое линейное перемещение
Особенности:
- Два возможных исполнения: с направляющей пластиной (ARP-CY-3R) и без нее (ARP-CY-3B)
- Направляющая пластина (только у ARP-CY-3R) обеспечивает дополнительную жесткость конструкции, минимизируя изгиб
- Компактность: длина хода сопоставима с габаритами изделия
- Фиксированная величина усилия: не меняется в зависимости от направления движения
- Долгий срок службы
Принцип действия и область применения: Бесштоковый магнитный пневмоцилиндр ARP-CY-3B/R представляет собой трубу, в которой установлен цилиндрический поршень. На внешней поверхности поршня вырезаны канавки, в которых расположены магнитные кольца. По трубе перемещается подвижная платформа, на внутренней поверхности которой установлены ответные магнитные кольца. Таким образом платформа и поршень не имеют механического соединения, а движение происходит за счет взаимодействия постоянных магнитов.
Бесштоковые магнитные пневмоцилиндры позволяют экономить место и могут применяться для решения разнообразных задач. Например, бесштоковый пневмоцилиндр подходит для установки в компактных пневмосистемах, в которых нет места для выдвижения штока.
Бесштоковые пневмоцилиндры характеризуются высокой степенью надежности благодаря отсутствию внешних потерь сжатого воздуха.

Для остановки пневмоцилиндра в требуемых положениях рекомендуется использовать магнитные датчики, например
ДМ-73Z.
Технические характеристики:
| Параметр | Значение |
Тип цилиндра
| Двустороннего действия
|
Рабочая среда
| Сжатый очищенный воздух
|
Рабочее давление
| 0,16...0,7 МПа
|
Максимальное давление
| 1,05 МПа
|
Диаметр поршня
| 6...20 мм
|
Присоединение
- ∅ 6 мм
- ∅ 10...16 мм
- ∅ 20 мм
|
M3×0,5
M5×0,8
Rc⅛"
|
Скорость хода
| 50...500 мм/с
|
Длина хода
| 150...500 мм
|
Температура
| −10...+60°С
|
Материал корпуса
| Алюминий
|
Материал направляющей пластины
| Алюминий
|
Материал поршня
- ∅ 6 мм
- ∅ 10...20 мм
|
Латунь
Алюминий
|
Материал уплотнения
| NBR/Смола
|
Модификации:
Модель
| Диаметр, мм
| Длина хода, мм
| Макс. усилие при 0,7 МПа, Н
| Р мин., МПа
| Р макс., МПа
| Направляющая
пластина | Вес, г |
ARP-CY-3B-6×150
| 6
| 150
| 19,6
| 0,16
| 0,7
| – | 75 |
ARP-CY-3B-10×200
| 10
| 200
| 53,9
| – | 164 |
| ARP-CY-3R-10×300 | 10 | 300 | 53,9 | + | 372 |
| ARP-CY-3B-15×300 | 15 | 300 | 137 | – | 396 |
| ARP-CY-3R-16×400 | 16 | 400 | 137 | +
| 688 |
| ARP-CY-3B-20×400 | 20 | 400 | 231 | – | 756 |
ARP-CY-3R-20×500
| 20
| 500
| 231
| + | 1013 |
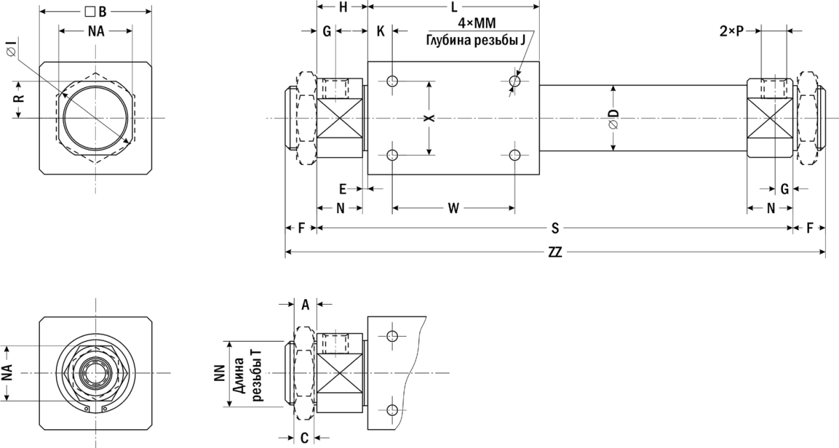
Габаритные размеры
ARP-CY-3B
|
 |
| Модель | A | B | C | D | E | F | G | H | I | J | K | L | MM | N | NA | NN |
| ARP-CY-3B-6 | 4 | 17 | 4,7 | 8,3 | 4 | 8 | 5 | 13,5 | - | 4 | 5 | 35 | M3×0,5 | 9,5 | 10 | М6×1 |
| ARP-CY-3B-10 | 4 | 25 | 4,8 | 12 | 3,5 | 9 | 5 | 13 | - | 4,5 | 4 | 38 | M3×0,5 | 9,5 | 14 | М10×1 |
| ARP-CY-3B-15 | 4 | 35 | 5 | 18 | 2,5 | 10 | 5,5 | 12,5 | - | 6 | 11 | 57 | M3×0,5 | 10 | 14 | М10×1 |
| ARP-CY-3B-20 | 8 | 36 | 6,6 | 23 | 5 | 13 | 7,5 | 20 | 29 | 7 | 8 | 66 | M3×0,5 | 15 | 24 | М20×1,5 |
| Модель | R | S | T | W | X | ZZ | P |
| ARP-CY-3B-6 | - | 213 | 6,5 | 25 | 10 | 229 | M3×0,5 |
| ARP-CY-3B-10 | - | 270 | 7,5 | 30 | 16 | 280 | M5×0,8 |
| ARP-CY-3B-15 | - | 380 | 8 | 35 | 19 | 400 | M5×0,8 |
| ARP-CY-3B-20 | 12,5 | 503 | 10 | 50 | 25 | 529 | Rc⅛" |
Габаритные размеры
ARP-CY-3R
|
 |
| Модель | A | B | C | CB | CR | D | F | G | GP | GW | H | HA | HB | HC | HP | HR | HS | HT |
| ARP-CY-3R-10 | 9 | 6,5 | 3,2 | 2 | 0,5 | 12 | 6,5 | 4 | 26 | 25,5 | 26 | 24 | 14 | 25 | 14 | 24 | 5 | 14 |
| ARP-CY-3R-16 | 10,5 | 8 | 4,2 | 2 | 0,5 | 18 | 8 | 5 | 33 | 31,5 | 32 | 30 | 17 | 31 | 17 | 30 | 8,5 | 17 |
| ARP-CY-3R-20 | 9 | 9,5 | 5,2 | 3 | 1 | 21,6 | 9 | 6 | 39 | 37,5 | 39 | 36 | 21 | 38 | 24 | 36 | 7,5 | 26 |
| Модель | JxE | K | L | LD | M | MM | N | PW | Q | QW | T | TC | W | WP | WS | X |
| ARP-CY-3R-10 | M4×0,7×6 | 9 | 38 | 3,5 | 4 | М3×0,5 | 4,5 | 26 | 368 | 14 | 17,5 | 14 | 20 | 13 | 8 | 15 |
| ARP-CY-3R-16 | M5×0,8×7 | 14 | 53 | 4,3 | 5 | М4×0,7 | 6 | 32 | 486 | 18 | 19 | 17 | 25 | 16 | 7 | 18 |
| ARP-CY-3R-20 | M6×1×6 | 11 | 62 | 5,4 | 5 | М4×0,7 | 7 | 38 | 595 | 17 | 20,5 | 20 | 40 | 19 | 7 | 22 |
| Модель | Y | Z | P |
| ARP-CY-3R-10 | 39,5 | 376 | M5×0,8 |
| ARP-CY-3R-16 | 54,5 | 494 | M5×0,8 |
| ARP-CY-3R-20 | 64 | 607 | Rc⅛" |
Версия: 2021-08-20-КВА