Блок индикации положения БИП предназначен для визуальной индикации положения пневмопривода и для сигнализации достижения им конечных положений
Особенности:
- Наличие концевых выключателей
- Легкая установка и настройка
Технические характеристики:
| Параметр | БИП-210
| БИП-310 | БИП-410 |
Для привода ППР
| 040...400 |
Концевые выключатели
| ~3 А, 250 В;
=0,2 А, 250 В;
=4 А, 30 В
| ~16(3) А, 250 В;
=0,3 А, 250 В | ~10 А, 250 В;
=0,3 А, 250 В;
=10 А, 24 В |
Угол поворота индикатора
| 0…90°
|
Кабельный ввод
| G½"
| G½" | G¾" |
Степень защиты
| IP67
| IP67 | IP67, ExdIIBT4 |
Температура эксплуатации
| −35...+70°C
|
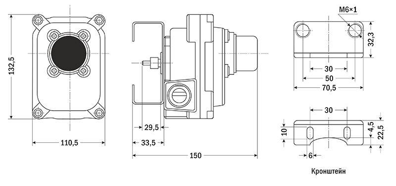
Габаритные размеры
| 112×101,5×110 мм | 132,5×110,5×150 мм | 140,5×153×160 мм |
Габаритные размеры
|
 |
| БИП-210 |
 |
| БИП-310 |
 |
| БИП-410 |
Версия: 2026-02-05-СДГ