Блок резервирования БР24А предназначен:
- для резервирования двух блоков питания или источников бесперебойного питания на одну нагрузку;
- для корректной работы блоков питания при параллельном подключении, также и при двухкратном наращивании выходной мощности.
Прибор является частью «Экосистемы-210» компании ОВЕН и рекомендуется для совместного применения с блоками питания производства ОВЕН в системах АСУ ТП, а также прочих отраслях в промышленности.
Основные функции
- Обеспечение резервированного питания.
- Диапазон входных напряжений постоянного тока (Uвход) от 10,5 до 28 В.
- Номинальный Iвход – две линии до 10 А.
- Режим статического резервирования Istat.boost 125 %– две линии до 12,5 А.
- Светодиодная индикация, наличие дискретного выхода типа «сухой контакт»;
- Защита от перенапряжения на выходе, защита входа по току, от переполюсовки;
- Расширенный климатический диапазон: -40…+70 °С – без снижения рабочих характеристик.
- Удобный монтаж в шкаф автоматики: корпус шириной 35 мм.
Технические характеристики:
| Параметр | Значение |
| Общие сведения |
| Диапазон входных напряжений постоянного тока (UВХОД) | От 10,5 до 28 В |
| Номинальный входной ток | Две линии до 10 А |
| Статичный Boost | Две линии до 12,5 А |
| Падение напряжения вход/выход, типовое | 0,1 В при Iвыход = 10 А |
| Защиты |
| Защита от переполюсовки | Есть, до 30 В в течение 10 минут |
| Защита входа по току | Силовой автоматический выключатель, 16 A (характеристика B,C) |
| Защита от перенапряжения на выходе (OVP) | Есть, до 36 В |
| Характеристики выхода |
| КПД | 98,5 % при 12 B DC 99 % при 24 В DC |
| Номинальное напряжение | Uвход–0,1 B при Iвыхода=10 А |
| Номинальный ток на выходе* | 10 А |
| Статичный Boost | 12,5 А |
| Возможность последовательного подключения | Нет |
| Безопасность и ЭМС |
| Устойчивость к механическим воздействиям по ГОСТ Р 52931-2008 | N1 |
| Степень защиты по ГОСТ 14254–2015 | IP20 |
| Класс защиты от поражения электрическим током по ГОСТ 12.2.007.0 | III |
| Электрическая прочность изоляции (вход-корпус, выход-корпус) | 500 В |
| Дискретные выходы |
| Коммутационный контакт | Сухой контакт |
| Максимальная нагрузка на контакт | 30 В DC,100 мА |
| Функции | Сигнализация «Резервирование OK» |
| Рабочие условия эксплуатации |
| Рабочий диапазон температур окружающей среды (Токруж) | -40...+70°С |
| Относительная влажность воздуха | от 30 до 98 % без конденсации влаги |
| Атмосферное давление | 84…106,7 кПа |
| Прочее |
| Срок эксплуатации | 10 лет |
| Срок гарантийного обслуживания | 2 года |
| Срок хранения | > 2 лет |
| Средняя наработка на отказ | 70 000 ч |
| Вес |
| без упаковки | < 0,20 кг |
| в упаковке | < 0,25 кг |
ПРИМЕЧАНИЕ
* При параллельном подключении с целью двухкратного наращивания мощности выходной ток может быть до 20 А |
Индикация
|
Лицевая панель блока резервирования БР24А |
Светодиод
| Состояние
| Значение
|
| РАБОТА (зеленый) | Светится | Источник питания, подключенный к каналу 1 или каналу 2, исправен |
| РАБОТА (желтый) | Светится | Переполюсовка в канале 1 или канале 2 |
| РАБОТА (красный) | Светится | Переполюсовка в каналах 1 и 2 |
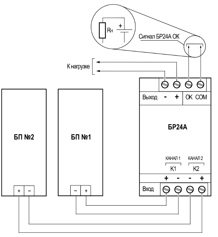
Назначение контактов и схема подключения БР24А
|
|
| При параллельном подключении с целью двухкратного наращивания мощности следует учесть, что если один из источников питания выйдет из строя, то второй источник не сможет обеспечить двухкратную нагрузку и уйдет в защиту. |
| Сигнал | Значение |
| БР24А ОК (замкнут) | Выход прибора работает. Работают оба входных канала или любой из каналов |
| Габаритные размеры |
|
Версия: 2026-04-11-СДГ