Кабельные вводы предназначены для прокладки и герметизации большого количества кабелей и обеспечения защиты от пыли и влаги в местах ввода.
Преимущества:
- Материалы, из которых сделан кабельный ввод, не подвержены коррозии и устойчивы к внешним воздействиям
- Простота в монтаже и использовании
- Экономия времени и места - скорость монтажа выше чем у стандартных сальников, экономия места составляет до 50%
- Степень защиты IP65
Технические характеристики:
| Параметр | Значение |
| Количество кабелей | 121 |
| Диаметр кабелей | 119 × (1,5...2,6 мм), 2 × (2,5...5 мм) |
| Материал | PA66 |
| Температура эксплуатации | −40...+90°C |
| Класс огнезащиты | UL94-V0, самозатухающий |
| Степень защиты | IP65 |
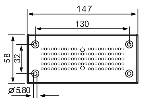
| Габаритные размеры |
 |
Версия: 2025-11-27-СДГ