Щеточные кабельные вводы предназначены для защиты от проникновения пыли и мелких частиц внутрь шкафа. Обеспечивают частичную фиксацию кабеля, вводимого в шкаф. Конструкция состоит из двух частей, что позволяет монтировать кабельную продукцию с имеющимися разъемами, портами, коннекторами.
Преимущества
- Щеточный ввод подходит для монтажа нескольких кабелей с разными диаметрами
- Материалы, из которых сделан кабельный ввод, не подвержены коррозии и устойчивы к внешним воздействиям
- Нейлоновая щетка высокой плотности
- Простота в монтаже и использовании
- Экономия времени и места- скорость монтажа выше чем у стандартных сальников, экономия места составляет до 50%
Технические характеристики:
| Параметр | Значение |
| Материал рамки | PA |
| Температура эксплуатации | −20...+90°C |
| Степень защиты | IP20 |
| Высота рамки | 10 мм |
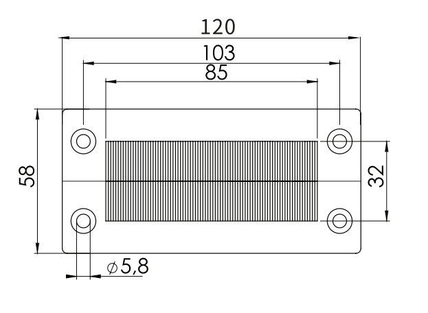
| Габаритные размеры | 120×58×10 мм |
| Размер выреза | 36×86 мм |
| Габаритные размеры |
 |
Версия: 2025-10-07-КВА