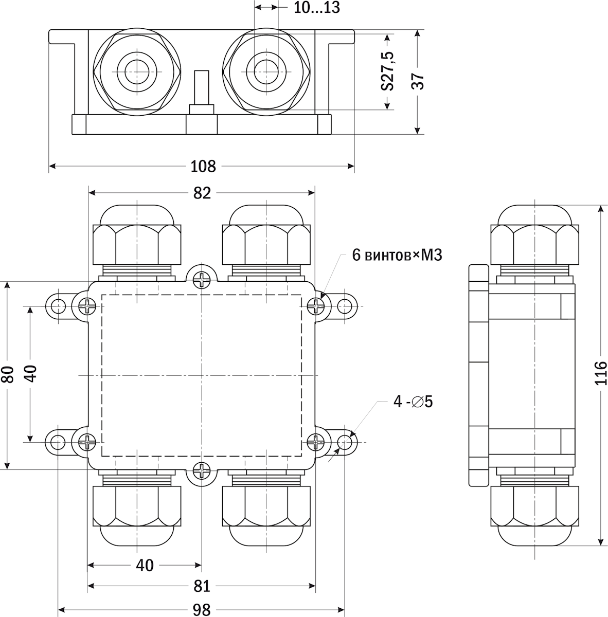
| Параметр | Значение |
| Материал корпуса
| Поликарбонат
|
| Конструкция
| Квадратная с крышкой
|
| Крепление крышки | Винтовое М3 |
| Крепление коробки | Винтовое на поверхность |
| Температура эксплуатации | −40...+105°C |
| Количество входов | 4 |
| Номинальный ток | 24 А |
| Номинальное напряжение
| 450 В
|
| Сечение жил кабеля | 0,5...6 мм² |
| Диаметр кабеля | 10...13 мм |
| Степень пылевлагозащиты | IP68 |
| Глубина погружения | до 5 м |
| Габаритные размеры | 116×108×37 мм |
| Вес | 117 г |
Отзывы на этот товар пока отсутствуют.



