Антивандальная металлическая светодиодная лампа ARG2-V-10N1B изготовлена из хромированной латуни, надежно защищена от неблагоприятных условий среды, соответствует степеням защиты IP52 и IK09. Предназначена для эксплуатации в пультах управления, в оборудовании пищевой промышленности (в т.ч. вендинговом), на конвейерах различных производственных линий, а также в сфере обслуживания и транспорта (в лифтах, эскалаторах и пр.). Индикаторную лампу можно использовать в широком температурном диапазоне, в условиях повышенных нагрузок (например, при большой проходимости людей) и при высокой вероятности повреждения от условий эксплуатации или в результате умышленных действий.
Прежнее название: AR-AD22C-10T
Особенности:
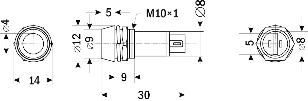
- Диаметр светящейся части: 4 мм
- Монтаж в плоские панели толщиной до 4,5 мм, фиксация стопорной гайкой
- Надежная защита от неблагоприятных условий среды, соответствие стандартам пылевлагозащиты IP52 и защиты от механических воздействий IK09
Технические характеристики:
| Параметр | Значение |
| Цвет | Красный или зеленый |
| Питание | ≅220 В |
Присоединение
| 2 клеммы под пайку |
Материал корпуса
| Хромированная латунь
|
| Монтаж | В отверстие панели |
| Диаметр монтажного отверстия | 10 мм |
| Толщина панели |
|
| Сечение присоединяемых проводов | ≤2,5 мм² |
| Степень пылевлагозащиты* |
|
| Степень защиты от внешних механических воздействий* |
|
| Температурный диапазон эксплуатации |
|
| Ресурс работы светодиода |
|
| Габаритные размеры выступающей части | ∅12×5 мм |
| Максимальные габаритные размеры | 14×12×30 мм |
| Монтажная глубина** | 25 мм |
| Вес | 8 г |
* Со стороны лицевой панели
Модификации:
| Модификация | Цвет | Питание |
| ARG2-V-10N1B-U-R | красный | ≅220 В |
| ARG2-V-10N1B-U-G | зеленый |
| Схема установки |
Вариант 1 Вариант 2
 |
| Габаритные размеры |
 |
Версия: 2025-11-19-СДГ