Радиатор предназначен для использования с твердотельными реле ARC-SSR или аналогичными.
Без отвода тепла твердотельное реле способно коммутировать заявленный номинальный ток при температуре не более +40ºС. При увеличении температуры снижается пропускная способность реле из расчета 20...25% на каждые 10ºС. При температуре около +80ºС пропускная способность сводится к нулю, реле выходит из строя. Поэтому при коммутации тока более 5 А необходимо дополнительное охлаждение – с помощью радиатора. При выборе радиатора для твердотельных реле не существует однозначного соответствия между типом радиатора и мощностью реле. На охлаждение влияет множество факторов: место установки, температура окружающей среды, циркуляция воздушных потоков, нагрузка на твердотельном реле и т.д. В некоторых случаях для более эффективного охлаждения (высокая температура воздуха, монтаж реле в закрытом шкафу и пр.) необходимо использовать радиатор большего размера и/или устанавливать вентилятор.
Для обеспечения эффективного теплоотвода необходимо использовать теплопроводящую пасту, например КПТ-А-10, КПТ-А-20. Паста заполняет воздушные пустоты между поверхностью радиатора и основанием реле, повышая эффективность теплоотдачи.
Для максимально плотного прилегания поверхностей реле и радиатора необходимо использовать крепежные винты.
Радиатор охлаждения должен располагаться таким образом, чтобы потоки естественной циркуляции воздуха проходили вдоль ребер охлаждения радиатора.
При необходимости просверлите на установочной поверхности радиатора дополнительные монтажные отверстия с резьбой.
Технические характеристики:
| Параметр | Значение |
|
| однофазные реле до 16 А без
принудительного охлаждения
|
|
| алюминиевый сплав
|
|
| на плоскость
на DIN-рейку ТН35
|
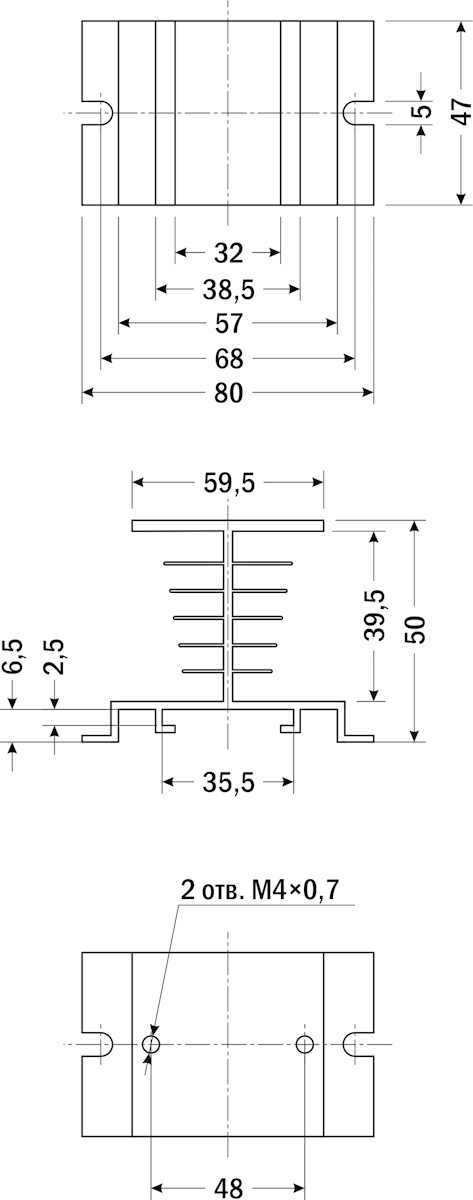
Расстояние между монтажными отверстиями для крепления реле
| 48 мм
2 отв., М4×0,7 |
| Расстояние между монтажными отверстиями для крепления радиатора на плоскость | 68 мм
2 места, ∅ 5 мм |
| Габаритные размеры | 50×80×50 мм |
| Вес | 65 г |
| Габаритные размеры |
 |
Версия: 2026-02-05-СДГ