Особенности:
| Параметр | Значение |
| Диапазон регулирования температуры | +10…+30ºС |
| Дифференциал | +0,5…1ºС |
| Реле | ~10 А, 220 В
|
| Габаритные размеры | 84×84×40 мм |
| Вес
| 116 г
|
| Габаритные размеры |
|
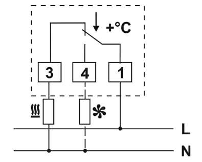
| Схема | Размер | Файл |
| Схема подключения | 0.03 Мб |
| Документ | Дата изменения | Размер | Файл |
| Руководство по эксплуатации | 13.01.2015 | 0.24 Мб | |
| Декларация о соответствии | 23.05.2016 | 0.77 Мб |
Отзывы на этот товар пока отсутствуют.
