| Параметр | Значение | ||
| ВЬЮГА-1.230 | ВЬЮГА-1.24 | ||
| Питание | |||
| Диапазон напряжения питания | ~90…264 В
(номинальное ~230 В, при 47…63 Гц) | =19…30 В
(номинальное =24 В) | |
| Гальваническая развязка | Есть | ||
| Электрическая прочность изоляции между входом питания и другими цепями прибора | 2830 В | 1780 В | |
| Потребляемая мощность, не более | 17 ВА | 10 Вт | |
| Встроенный источник питания | Есть | — | |
| Выходное напряжение встроенного источника питания постоянного тока | 24 ± 3 В | — | |
| Ток нагрузки встроенного источника питания, не более | 100 мА | — | |
| Электрическая прочность изоляции между встроенным источником питания и другими цепями прибора | 1780 В | — | |
| Дискретные входы | |||
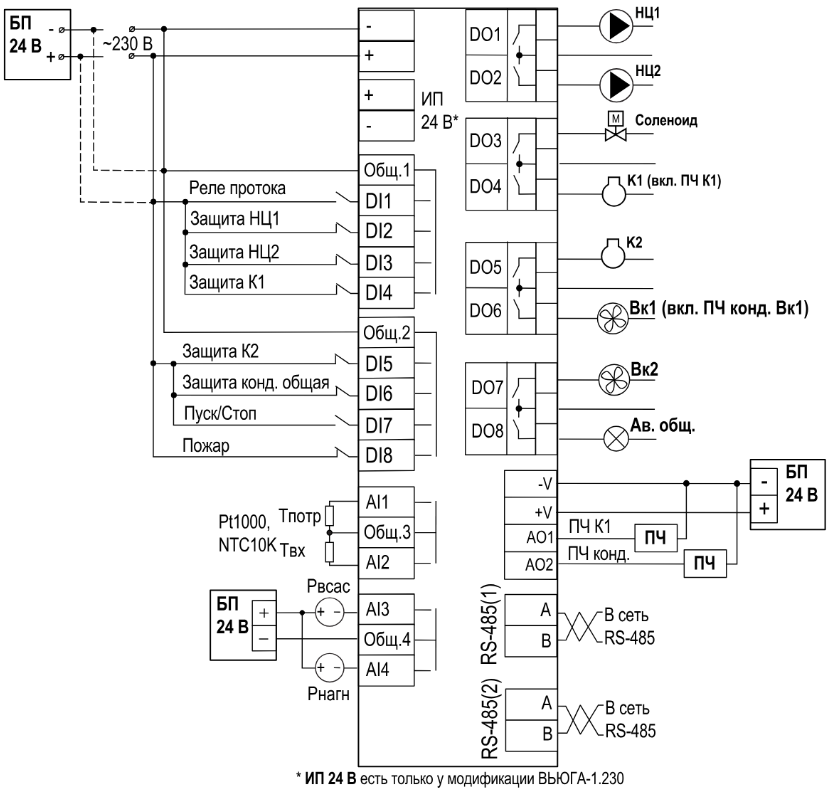
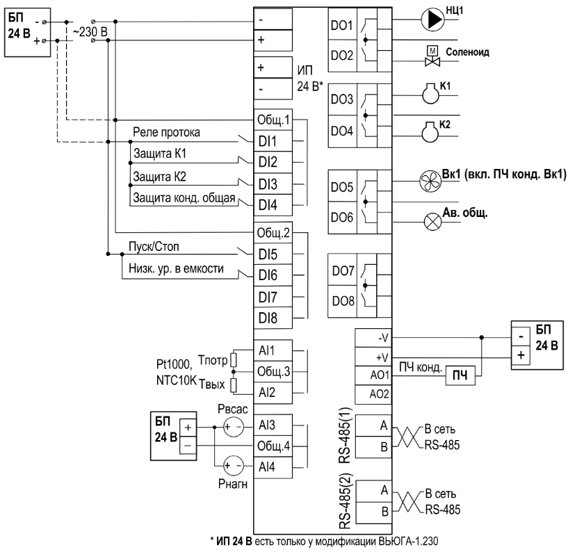
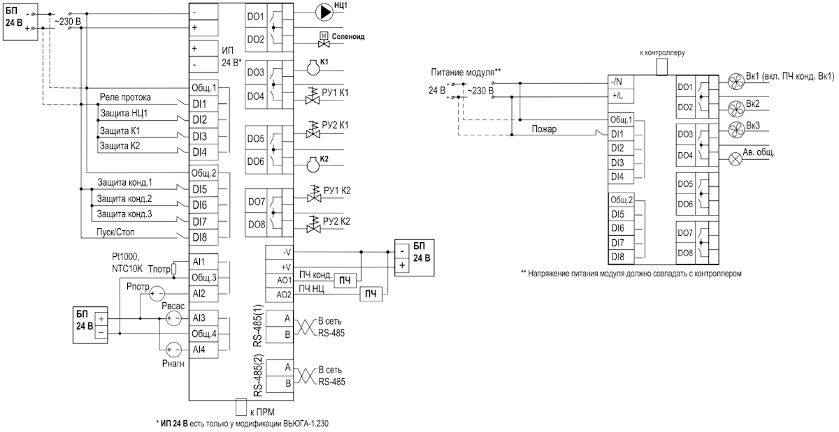
| Количество входов | 8 | ||
| Напряжение «логической единицы» | 159…264 В
(переменный ток) | 15…30 В
(постоянный ток) | |
| Ток «логической единицы» | 0,75…1,5 мА | 2…5 мА | |
| Напряжение «логического нуля» | 0…40 В | -3…+5 В | |
| Подключаемые входные устройства | Датчики типа «сухой контакт», коммутационные устройства (контакты реле, кнопок и т. д.) | ||
| Гальваническая развязка | Групповая, по 4 входа (1–4 и 5–8, «общий минус») | ||
| Электрическая прочность изоляции между дискретными входами и другими цепями прибора | 2830 В | ||
| Аналоговые входы | |||
| Количество входов | 4 | ||
| Тип измеряемых сигналов | РТ1000 α = 0,00385 "1/°C (-200...+ 850 °C);
4...20 мА; NTC10K: R25 = 10 кОм, "B25/100 =" "3950 (-20… +125 °С) | ||
| Предел основной приведенной погрешности | ±1,0 % | ||
| Время опроса входов, не более | 10 мс | ||
| Гальваническая развязка | Отсутствует | ||
| Дискретные выходы | |||
| Количество выходных устройств, тип | 8 шт., электромагнитное реле (нормально-разомкнутые контакты) | ||
| Коммутируемое напряжение в нагрузке: | |||
| - для цепи постоянного тока, не более | 30 В (резистивная нагрузка) | ||
| - для цепи переменного тока, не более | 250 В (резистивная нагрузка) | ||
| Допустимый ток нагрузки, не более | 5 А при напряжении не более 250 В переменного тока и cosϕ>0,95;
3 А при напряжении не более 30 В постоянного тока | ||
| Гальваническая развязка | Групповая по 2 реле (1–2; 3–4; 5–6; 7–8) | ||
| Электрическая прочность изоляции между выходом и другими цепями прибора | 2830 В | ||
| Аналоговые выходы | |||
| Количество выходных устройств, тип выходного сигнала | 2 ЦАП, напряжение | ||
| Диапазон генерации напряжения | 0…10 В | ||
| Напряжение питания | 15…30 В, питание внешнее | ||
| Внешняя нагрузка, не менее | 2 кОм | ||
| Гальваническая развязка | Есть (групповая) | ||
| Электрическая прочность изоляции | 2830 В | ||
| Интерфейсы связи | |||
| Тип интерфейса, количество интерфейсных плат | RS-485, 2 шт. | ||
| Протокол связи | Modbus-RTU и Modbus-ASCII | ||
| Режим работы | Slave | ||
| Скорость передачи данных | 9600, 14400, 19200, 38400, 57600, 115200 бит/с | ||
| Электрическая прочность изоляции между RS-485 и другими цепями | 1500 В | ||
| Индикация и элементы управления | |||
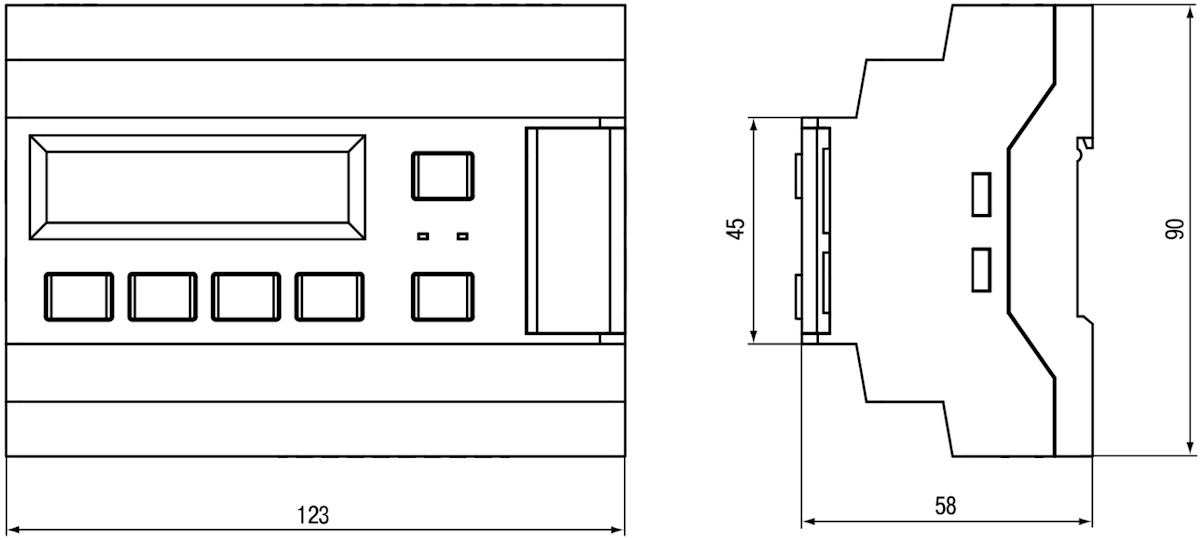
| Тип дисплея | Монохромный текстовый ЖКИ с подсветкой, 2 строки по 16 символов | ||
| Размеры дисплея | 60×15 мм | ||
| Индикаторы | Два светодиодных индикатора (красный и зеленый) | ||
| Кнопки | 6 шт. | ||
| Корпус | |||
| Тип корпуса | Для крепления на DIN-рейку (35 мм) | ||
| Габаритные размеры | 123×90×58 мм | ||
| Степень защиты корпуса по ГОСТ 14254–2015 | IP20 | ||
| Масса прибора, не более (для всех вариантов исполнений) | 0,6 кг | ||
| Средний срок службы | 10 лет | ||
| Модификации |
![]() |
Отзывы на этот товар пока отсутствуют.
