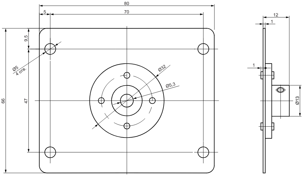
МФ-5-НС – фланец из нержавеющей стали для совместного использования с канальными датчиками температуры с диаметром монтажной части 5 мм, предназначенными для систем отопления, вентиляции и кондиционирования (HVAC). С помощью фланца и двух винтов можно зафиксировать датчик температуры, а также регулировать глубину его погружения в канале вентиляционной системы.
Технические характеристики:
| Параметр | Значение |
| Материал | AISI 304 |
| Диаметр проходного сечения измерительной части датчика | 5,3 мм |
| Габаритные размеры |
 |
Версия: 2026-02-21-СДГ