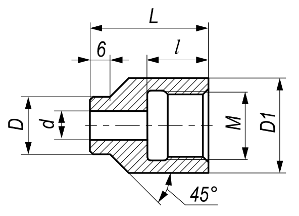
| Конструктивное исполнение | Модель (обозначение при заказе) | M, мм | D, мм | D1, мм | d, мм | L, мм | l, мм | Материал | Применение | 
|  			 
          
         
           Прямая  |  			 			 
           Б.П.2.20×1,5.L.2  |  			М20×1,5 | 27 | 35 | 13 | Популярная длина 40 мм. Диапазон заказа длин: 35...100 мм с шагом 5 мм 
           | 16 | Сталь AISI 304 |  			 
           В бобышку Б.П.2 устанавливаются датчики температуры с подвижным штуцером модели 035, 045, 055, 095 и т.п.  |  		
| Б.П.2.20×1,5.L.1 
           |  			 			16 | Сталь 20 | |||||||
| Б.П.2.27×2.L.2 
           |  			М27×2 | 27 | 35 | 13 | Популярная длина: 40 мм, 60 мм, 80 мм. Диапазон заказа длин: 40...100 мм с шагом 5 мм 
           | 16 | Сталь AISI 304 | ||
| Б.П.2.27×2.L.1 | 16 | Сталь 20 | |||||||
| Б.П.2.27×1,5.L.2     
           |  			М27×1,5 | 20 | 28 | 13 | 16 | Сталь AISI 304 | |||
| Б.П.2.27×1,5.L.1 | 16 | Сталь 20 | |||||||
| Б.П.2.16×1,5.L.2 
           |  			М16×1,5 | 20 | 28 | 13 | 16 | Сталь AISI 304 | |||
| Б.П.2.16×1,5.L.1 | 16 | Сталь 20 | |||||||
| Б.П.2.G1/2.L.2 
           |  			G½" | 20 | 28 | 13 | 16 | Сталь AISI 304 | |||
| Б.П.2.G1/2.L.1 | 16 | Сталь 20 | 
| Артикул | Присоединение | Высота бобышки, мм | Материал | Срок поставки | Стоимость | 
|---|---|---|---|---|---|
| Артикул | Присоединение | Высота бобышки, мм | Материал | Срок поставки | Стоимость | 
|---|
| Артикул | Свойства | Срок поставки | Стоимость | ||
|---|---|---|---|---|---|
| Артикул | Свойства | Срок поставки | Стоимость | ||
|---|---|---|---|---|---|
| Артикул | Присоединение | Высота бобышки, мм | Материал | Срок поставки | Стоимость | 
|---|---|---|---|---|---|
| O90635 | М16х1,5 | 30 | Сталь AISI 304 | 2...4 недели | 1278 руб. | 
| O90636 | М20х1,5 | 30 | Сталь AISI 304 | 2...4 недели | 894 руб. | 
| O90637 | М27х1,5 | 30 | Сталь AISI 304 | 2...4 недели | 1278 руб. | 
| O90638 | М27х2 | 30 | Сталь AISI 304 | 2...4 недели | 1278 руб. | 
| O90639 | G1/2 | 30 | Сталь AISI 304 | 2...4 недели | 1056 руб. | 
| O90640 | М16х1,5 | 35 | Сталь AISI 304 | 2...4 недели | 1278 руб. | 
| O90641 | М20х1,5 | 35 | Сталь AISI 304 | 2...4 недели | 894 руб. | 
| O90642 | М27х1,5 | 35 | Сталь AISI 304 | 2...4 недели | 1278 руб. | 
| O90643 | М27х2 | 35 | Сталь AISI 304 | 2...4 недели | 1278 руб. | 
| O90644 | G1/2 | 35 | Сталь AISI 304 | 2...4 недели | 1056 руб. | 
| O90645 | М16х1,5 | 40 | Сталь AISI 304 | 2...4 недели | 1278 руб. | 
| O90646 | М20х1,5 | 40 | Сталь AISI 304 | 2...4 недели | 894 руб. | 
| O90647 | М27х1,5 | 40 | Сталь AISI 304 | 2...4 недели | 1278 руб. | 
| O90648 | М27х2 | 40 | Сталь AISI 304 | 2...4 недели | 1278 руб. | 
| O90649 | G1/2 | 40 | Сталь AISI 304 | 2...4 недели | 1056 руб. | 
| O90650 | М16х1,5 | 45 | Сталь AISI 304 | 2...4 недели | 1524 руб. | 
| O90651 | М20х1,5 | 45 | Сталь AISI 304 | 2...4 недели | 1278 руб. | 
| O90652 | М27х1,5 | 45 | Сталь AISI 304 | 2...4 недели | 1524 руб. | 
| O90653 | М27х2 | 45 | Сталь AISI 304 | 2...4 недели | 1524 руб. | 
| O90654 | G1/2 | 45 | Сталь AISI 304 | 2...4 недели | 1404 руб. | 
| O90655 | М16х1,5 | 50 | Сталь AISI 304 | 2...4 недели | 1524 руб. | 
| O90656 | М20х1,5 | 50 | Сталь AISI 304 | 2...4 недели | 1278 руб. | 
| O90657 | М27х1,5 | 50 | Сталь AISI 304 | 2...4 недели | 1524 руб. | 
| O90658 | М27х2 | 50 | Сталь AISI 304 | 2...4 недели | 1524 руб. | 
| O90659 | G1/2 | 50 | Сталь AISI 304 | 2...4 недели | 1404 руб. | 
| O90660 | М16х1,5 | 55 | Сталь AISI 304 | 2...4 недели | 1524 руб. | 
| O90661 | М20х1,5 | 55 | Сталь AISI 304 | 2...4 недели | 1278 руб. | 
| O90662 | М27х1,5 | 55 | Сталь AISI 304 | 2...4 недели | 1524 руб. | 
| O90663 | М27х2 | 55 | Сталь AISI 304 | 2...4 недели | 1524 руб. | 
| O90664 | G1/2 | 55 | Сталь AISI 304 | 2...4 недели | 1404 руб. | 
| O90665 | М16х1,5 | 60 | Сталь AISI 304 | 2...4 недели | 1524 руб. | 
| O90666 | М20х1,5 | 60 | Сталь AISI 304 | 2...4 недели | 1278 руб. | 
| O90667 | М27х1,5 | 60 | Сталь AISI 304 | 2...4 недели | 1524 руб. | 
| O90668 | М27х2 | 60 | Сталь AISI 304 | 2...4 недели | 1524 руб. | 
| O90669 | G1/2 | 60 | Сталь AISI 304 | 2...4 недели | 1404 руб. | 
| O90670 | М16х1,5 | 65 | Сталь AISI 304 | 2...4 недели | 1740 руб. | 
| O90671 | М20х1,5 | 65 | Сталь AISI 304 | 2...4 недели | 1524 руб. | 
| O90672 | М27х1,5 | 65 | Сталь AISI 304 | 2...4 недели | 1740 руб. | 
| O90673 | М27х2 | 65 | Сталь AISI 304 | 2...4 недели | 1740 руб. | 
| O90674 | G1/2 | 65 | Сталь AISI 304 | 2...4 недели | 1620 руб. | 
| O90675 | М16х1,5 | 70 | Сталь AISI 304 | 2...4 недели | 1740 руб. | 
| O90676 | М20х1,5 | 70 | Сталь AISI 304 | 2...4 недели | 1524 руб. | 
| O90677 | М27х1,5 | 70 | Сталь AISI 304 | 2...4 недели | 1740 руб. | 
| O90678 | М27х2 | 70 | Сталь AISI 304 | 2...4 недели | 1740 руб. | 
| O90679 | G1/2 | 70 | Сталь AISI 304 | 2...4 недели | 1620 руб. | 
| O90680 | М16х1,5 | 75 | Сталь AISI 304 | 2...4 недели | 1740 руб. | 
| O90681 | М20х1,5 | 75 | Сталь AISI 304 | 2...4 недели | 1524 руб. | 
| O90682 | М27х1,5 | 75 | Сталь AISI 304 | 2...4 недели | 1740 руб. | 
| O90683 | М27х2 | 75 | Сталь AISI 304 | 2...4 недели | 1740 руб. | 
| O90684 | G1/2 | 75 | Сталь AISI 304 | 2...4 недели | 1620 руб. | 
| O90685 | М16х1,5 | 80 | Сталь AISI 304 | 2...4 недели | 1740 руб. | 
| O90686 | М20х1,5 | 80 | Сталь AISI 304 | 2...4 недели | 1524 руб. | 
| O90687 | М27х1,5 | 80 | Сталь AISI 304 | 2...4 недели | 1740 руб. | 
| O90688 | М27х2 | 80 | Сталь AISI 304 | 2...4 недели | 1740 руб. | 
| O90689 | G1/2 | 80 | Сталь AISI 304 | 2...4 недели | 1620 руб. | 
| O90690 | М16х1,5 | 85 | Сталь AISI 304 | 2...4 недели | 1986 руб. | 
| O90691 | М20х1,5 | 85 | Сталь AISI 304 | 2...4 недели | 1740 руб. | 
| O90692 | М27х1,5 | 85 | Сталь AISI 304 | 2...4 недели | 1986 руб. | 
| O90693 | М27х2 | 85 | Сталь AISI 304 | 2...4 недели | 1986 руб. | 
| O90694 | G1/2 | 85 | Сталь AISI 304 | 2...4 недели | 1864 руб. | 
| O90695 | М16х1,5 | 90 | Сталь AISI 304 | 2...4 недели | 1986 руб. | 
| O90696 | М20х1,5 | 90 | Сталь AISI 304 | 2...4 недели | 1740 руб. | 
| O90697 | М27х1,5 | 90 | Сталь AISI 304 | 2...4 недели | 1986 руб. | 
| O90698 | М27х2 | 90 | Сталь AISI 304 | 2...4 недели | 1986 руб. | 
| O90699 | G1/2 | 90 | Сталь AISI 304 | 2...4 недели | 1864 руб. | 
| O90700 | М16х1,5 | 95 | Сталь AISI 304 | 2...4 недели | 1986 руб. | 
| O90701 | М20х1,5 | 95 | Сталь AISI 304 | 2...4 недели | 1740 руб. | 
| O90702 | М27х1,5 | 95 | Сталь AISI 304 | 2...4 недели | 1986 руб. | 
| O90703 | М27х2 | 95 | Сталь AISI 304 | 2...4 недели | 1986 руб. | 
| O90704 | G1/2 | 95 | Сталь AISI 304 | 2...4 недели | 1864 руб. | 
| O90705 | М16х1,5 | 100 | Сталь AISI 304 | 2...4 недели | 1986 руб. | 
| O90706 | М20х1,5 | 100 | Сталь AISI 304 | 2...4 недели | 1740 руб. | 
| O90707 | М27х1,5 | 100 | Сталь AISI 304 | 2...4 недели | 1986 руб. | 
| O90708 | М27х2 | 100 | Сталь AISI 304 | 2...4 недели | 1986 руб. | 
| O90709 | G1/2 | 100 | Сталь AISI 304 | 2...4 недели | 1864 руб. | 
| O90710 | М16х1,5 | 30 | Сталь 20 | 2...4 недели | 714 руб. | 
| O90711 | М20х1,5 | 30 | Сталь 20 | 2...4 недели | 648 руб. | 
| O90712 | М27х1,5 | 30 | Сталь 20 | 2...4 недели | 714 руб. | 
| O90713 | М27х2 | 30 | Сталь 20 | 2...4 недели | 714 руб. | 
| O90714 | G1/2 | 30 | Сталь 20 | 2...4 недели | 810 руб. | 
| O90715 | М16х1,5 | 35 | Сталь 20 | 2...4 недели | 714 руб. | 
| O90716 | М20х1,5 | 35 | Сталь 20 | 2...4 недели | 720 руб. | 
| O90717 | М27х1,5 | 35 | Сталь 20 | 2...4 недели | 714 руб. | 
| O90718 | М27х2 | 35 | Сталь 20 | 2...4 недели | 714 руб. | 
| O90719 | G1/2 | 35 | Сталь 20 | 2...4 недели | 810 руб. | 
| O90720 | М16х1,5 | 40 | Сталь 20 | 2...4 недели | 816 руб. | 
| O90721 | М20х1,5 | 40 | Сталь 20 | 2...4 недели | 564 руб. | 
| O90722 | М27х1,5 | 40 | Сталь 20 | 2...4 недели | 714 руб. | 
| O90723 | М27х2 | 40 | Сталь 20 | 2...4 недели | 714 руб. | 
| O90724 | G1/2 | 40 | Сталь 20 | 2...4 недели | 810 руб. | 
| O90725 | М16х1,5 | 45 | Сталь 20 | 2...4 недели | 1056 руб. | 
| O90726 | М20х1,5 | 45 | Сталь 20 | 2...4 недели | 714 руб. | 
| O90727 | М27х1,5 | 45 | Сталь 20 | 2...4 недели | 1056 руб. | 
| O90728 | М27х2 | 45 | Сталь 20 | 2...4 недели | 1056 руб. | 
| O90729 | G1/2 | 45 | Сталь 20 | 2...4 недели | 1056 руб. | 
| O90730 | М16х1,5 | 50 | Сталь 20 | 2...4 недели | 1056 руб. | 
| O90731 | М20х1,5 | 50 | Сталь 20 | 2...4 недели | 852 руб. | 
| O90732 | М27х1,5 | 50 | Сталь 20 | 2...4 недели | 1056 руб. | 
| O90733 | М27х2 | 50 | Сталь 20 | 2...4 недели | 1056 руб. | 
| O90734 | G1/2 | 50 | Сталь 20 | 2...4 недели | 1056 руб. | 
| O90735 | М16х1,5 | 55 | Сталь 20 | 2...4 недели | 1056 руб. | 
| O90736 | М20х1,5 | 55 | Сталь 20 | 2...4 недели | 714 руб. | 
| O90737 | М27х1,5 | 55 | Сталь 20 | 2...4 недели | 1056 руб. | 
| O90738 | М27х2 | 55 | Сталь 20 | 2...4 недели | 1056 руб. | 
| O90739 | G1/2 | 55 | Сталь 20 | 2...4 недели | 1056 руб. | 
| O90740 | М16х1,5 | 60 | Сталь 20 | 2...4 недели | 1056 руб. | 
| O90741 | М20х1,5 | 60 | Сталь 20 | 2...4 недели | 714 руб. | 
| O90742 | М27х1,5 | 60 | Сталь 20 | 2...4 недели | 1056 руб. | 
| O90743 | М27х2 | 60 | Сталь 20 | 2...4 недели | 1056 руб. | 
| O90744 | G1/2 | 60 | Сталь 20 | 2...4 недели | 1056 руб. | 
| O90745 | М16х1,5 | 65 | Сталь 20 | 2...4 недели | 1278 руб. | 
| O90746 | М20х1,5 | 65 | Сталь 20 | 2...4 недели | 1056 руб. | 
| O90747 | М27х1,5 | 65 | Сталь 20 | 2...4 недели | 1278 руб. | 
| O90748 | М27х2 | 65 | Сталь 20 | 2...4 недели | 1278 руб. | 
| O90749 | G1/2 | 65 | Сталь 20 | 2...4 недели | 1404 руб. | 
| O90750 | М16х1,5 | 70 | Сталь 20 | 2...4 недели | 1278 руб. | 
| O90751 | М20х1,5 | 70 | Сталь 20 | 2...4 недели | 1056 руб. | 
| O90752 | М27х1,5 | 70 | Сталь 20 | 2...4 недели | 1278 руб. | 
| O90753 | М27х2 | 70 | Сталь 20 | 2...4 недели | 1278 руб. | 
| O90754 | G1/2 | 70 | Сталь 20 | 2...4 недели | 1404 руб. | 
| O90755 | М16х1,5 | 75 | Сталь 20 | 2...4 недели | 1278 руб. | 
| O90756 | М20х1,5 | 75 | Сталь 20 | 2...4 недели | 1056 руб. | 
| O90757 | М27х1,5 | 75 | Сталь 20 | 2...4 недели | 1278 руб. | 
| O90758 | М27х2 | 75 | Сталь 20 | 2...4 недели | 1278 руб. | 
| O90759 | G1/2 | 75 | Сталь 20 | 2...4 недели | 1404 руб. | 
| O90760 | М16х1,5 | 80 | Сталь 20 | 2...4 недели | 1278 руб. | 
| O90761 | М20х1,5 | 80 | Сталь 20 | 2...4 недели | 1056 руб. | 
| O90762 | М27х1,5 | 80 | Сталь 20 | 2...4 недели | 1278 руб. | 
| O90763 | М27х2 | 80 | Сталь 20 | 2...4 недели | 1278 руб. | 
| O90764 | G1/2 | 80 | Сталь 20 | 2...4 недели | 1404 руб. | 
| O90765 | М16х1,5 | 85 | Сталь 20 | 2...4 недели | 1521 руб. | 
| O90766 | М20х1,5 | 85 | Сталь 20 | 2...4 недели | 1278 руб. | 
| O90767 | М27х1,5 | 85 | Сталь 20 | 2...4 недели | 1521 руб. | 
| O90768 | М27х2 | 85 | Сталь 20 | 2...4 недели | 1521 руб. | 
| O90769 | G1/2 | 85 | Сталь 20 | 2...4 недели | 1620 руб. | 
| O90770 | М16х1,5 | 90 | Сталь 20 | 2...4 недели | 1521 руб. | 
| O90771 | М20х1,5 | 90 | Сталь 20 | 2...4 недели | 1278 руб. | 
| O90772 | М27х1,5 | 90 | Сталь 20 | 2...4 недели | 1521 руб. | 
| O90773 | М27х2 | 90 | Сталь 20 | 2...4 недели | 1521 руб. | 
| O90774 | G1/2 | 90 | Сталь 20 | 2...4 недели | 1620 руб. | 
| O90775 | М16х1,5 | 95 | Сталь 20 | 2...4 недели | 1521 руб. | 
| O90776 | М20х1,5 | 95 | Сталь 20 | 2...4 недели | 1278 руб. | 
| O90777 | М27х1,5 | 95 | Сталь 20 | 2...4 недели | 1521 руб. | 
| O90778 | М27х2 | 95 | Сталь 20 | 2...4 недели | 1521 руб. | 
| O90779 | G1/2 | 95 | Сталь 20 | 2...4 недели | 1620 руб. | 
| O90780 | М16х1,5 | 100 | Сталь 20 | 2...4 недели | 1521 руб. | 
| O90781 | М20х1,5 | 100 | Сталь 20 | 2...4 недели | 1278 руб. | 
| O90782 | М27х1,5 | 100 | Сталь 20 | 2...4 недели | 1521 руб. | 
| O90783 | М27х2 | 100 | Сталь 20 | 2...4 недели | 1521 руб. | 
| O90784 | G1/2 | 100 | Сталь 20 | 2...4 недели | 1620 руб. | 
Отзывы на этот товар пока отсутствуют.
