Фильтр воздушный, пневмоглушитель с дросселем ШГ-Д2 предназначен для снижения уровня шума сжатого воздуха при его сбросе в атмосферу, регулирования объема выхлопа, а также защиты механизмов от попадания грязи и пыли
Технические характеристики:
| Параметр | Значение |
Рабочая среда
| Воздух |
| Давление | 0...1 МПа |
| Уровень снижения шума | 20 дБ |
Размер под ключ
| 12 мм, 17 мм, 21 мм |
Материал фильтра
| Бронза |
| Материал корпуса | Металл с медным покрытием |
| Присоединение | G⅛", G¼", G⅜", G½" |
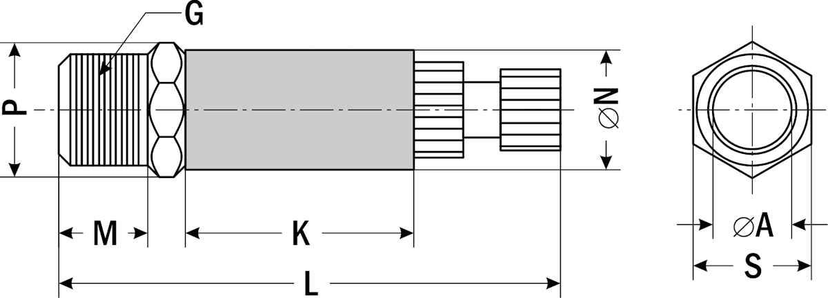
| Габаритные размеры |
 |
| Модель | Размеры, мм |
| G | L | P | S | M | K | ∅ N | ∅ A |
| ШГ-Д2-6 | ⅛" | 32 | 13,7 | 12 | 7,5 | 12 | 12 | 6,5 |
| ШГ-Д2-8 | ¼" | 37 | 19,2 | 17 | 8,2 | 15 | 15,5 | 13 |
| ШГ-Д2-12 | ⅜" | 38 | 19,5 | 17 | 8,8 | 15,9 | 15,2 | 10 |
| ШГ-Д2-15 | ½" | 42,5 | 24,1 | 21 | 9 | 18,5 | 19,5 | 16,5 |
Версия: 2026-03-25-СДГ