Пневмокнопка грибовидная (кнопка-грибок) ПР221-К3 предназначена для распределения воздушных потоков, управления исполнительными устройствами пневмосистем.
Технические характеристики:
| Параметр | Значение |
Тип распределителя
| 2/2 (2-линейный, 2-позиционный), нормально закрытый |
| Рабочая среда | Очищенный воздух (тонкость очистки 25 мкм) |
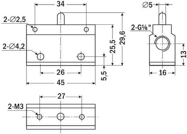
| Присоединение | G⅛" |
| Рабочее давление | 0…0,8 МПа |
| Рабочая температура | 0…+80°C |
| Исполнение | С фиксацией (возврат поворотом) или с самовозвратом |
| Цвет | Красный, зеленый или желтый |
| Габаритные размеры | 45×40×81 мм (с самовозвратом)
45×40×91 мм (с фиксацией) |
| Вес | 100 г |
Пневматическая схема
|
ПР221-К3 с самовозвратом
|
ПР221-К3.Ф с фиксацией
|
Описание работы:Пневмокнопки ПР221-К3 имеют 2 канала ввода-вывода и 2 положения золотника (2-линейные, 2-позиционные). Подвижный запорный элемент может занимать две дискретные позиции, соответствующие двум состояниям: «проход воздуха закрыт» и «проход воздуха открыт». Такая пневмокнопка может коммутировать между собой две линии: линию питания (вход) и линию потребителя (выход).
В исходном положении у пневмокнопки ПР221-К3 порт питания и рабочий порт закрыты, давление никуда не подается и не сбрасывается. При нажатии на кнопку порт питания соединяется с рабочим портом.
Модель ПР221-К3 – с самовозвратом, т.е. возврат в исходное положение происходит сразу после снятия нажима под действием возвратной пружины.
Модель ПР221-К3.Ф – с фиксацией, т.е. возврат в исходное положение производится вручную поворотом.
| Габаритные размеры |
С самовозвратом |
С фиксацией |
 |
Версия: 2026-03-05-СДГ