Пневмопереключатель ПР221-К1 предназначен для распределения воздушных потоков, управления исполнительными устройствами пневмосистем
Технические характеристики:
| Параметр | Значение |
Тип распределителя
| 2/2 (2-линейный, 2-позиционный), нормально закрытый |
| Рабочая среда | Очищенный воздух (тонкость очистки 25 мкм) |
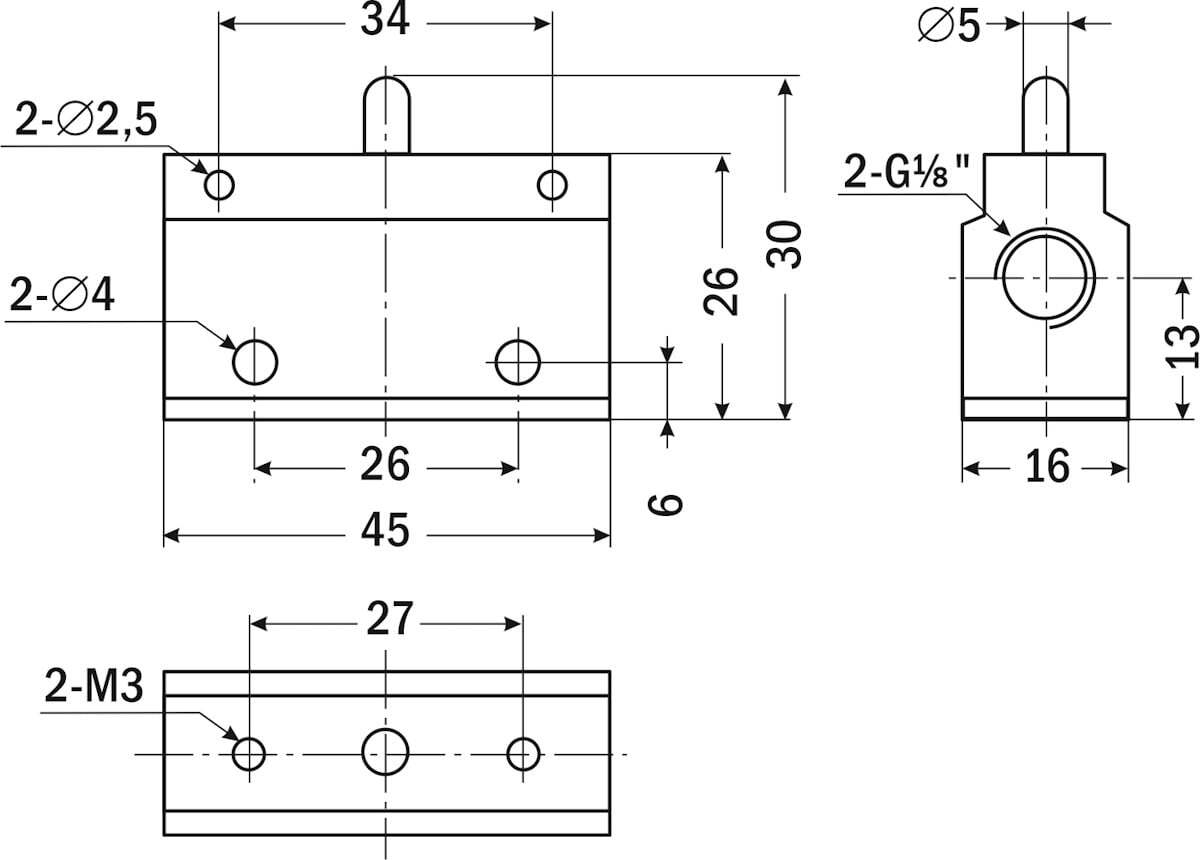
| Присоединение | G⅛" |
| Рабочее давление | 0…0,8 МПа |
| Рабочая температура | 0…+80°C |
| Исполнение | С фиксацией |
| Цвет | Красный или черный |
| Габаритные размеры | 45×34×89 мм |
| Вес | 100 г |
Пневматическая схема
|
 |
Описание работы:Пневмопереключатели ПР221-К1 имеют 2 канала ввода-вывода и 2 положения золотника (2-линейные, 2-позиционные). Подвижный запорный элемент может занимать две дискретные позиции, соответствующие двум состояниям: «проход воздуха закрыт» и «проход воздуха открыт». Такой пневмопереключатель может коммутировать между собой две линии: линию питания (вход) и линию потребителя (выход).
В исходном положении у пневмопереключателя ПР221-К1 порт питания и рабочий порт закрыты, давление никуда не подается и не сбрасывается. При повороте рукоятки порт питания соединяется с рабочим портом. При возврате рукоятки в начальное положение золотник также возвращается в исходное положение.
| Габаритные размеры |
 |
 |
Версия: 2026-03-05-СДГ