Пневмопереключатель ПР522-К1 предназначен для распределения воздушных потоков, управления исполнительными устройствами пневмосистем.
Пневмопереключатели относятся к направляющей аппаратуре и служат для управления направлением движения потоков сжатого воздуха. Управление осуществляется за счет переключения схемы соединения внутренних каналов распределителя с входными и выходными присоединительными отверстиями.
Технические характеристики:
| Параметр | Значение |
Тип распределителя
| 5/2 (5-линейный, 2-позиционный) |
| Рабочая среда | Очищенный воздух (тонкость очистки 25 мкм) |
| Присоединение рабочих портов | G¼"
|
| Присоединение портов выхлопа | G⅛"
|
| Рабочее давление | 0…0,8 МПа |
| Рабочая температура | 0…+60°C |
| Исполнение | С фиксацией |
| Цвет | Красный или черный |
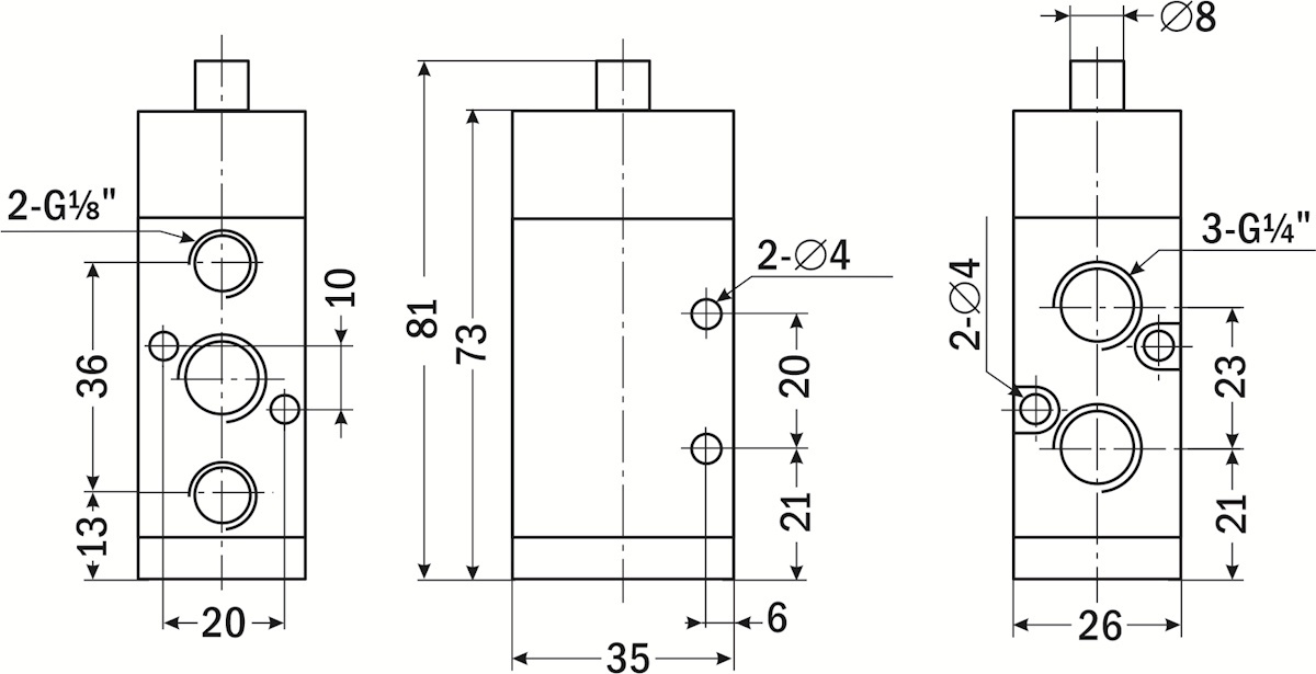
| Габаритные размеры | 36×34×136 мм |
| Вес | 200 г |
Пневматическая схема
|
Расшифровка обозначений:
Р – порт питания;
А – рабочий порт;
В – рабочий порт;
R – порт выхлопа;
S – порт выхлопа.
|
Описание работы:Для управления пневмоцилиндрами двустороннего действия применяют пневмопереключатели типа 5/2 (5-линейные, 2-позиционные), имеющие 5 каналов ввода-вывода и 2 положения золотника.
В исходном положении воздух подается через порт питания P на рабочий порт А, при этом рабочий порт В соединен с портом выхлопа S. При повороте рукоятки порт питания Р переключается на рабочий порт В, а рабочий порт А соединяется с портом выхлопа R. При возврате рукоятки в начальное положение золотник также возвращается в исходное положение
| Габаритные размеры |
 |
 |
Версия: 2026-03-05-СДГ